YS12_P_KKD_e - 第4页
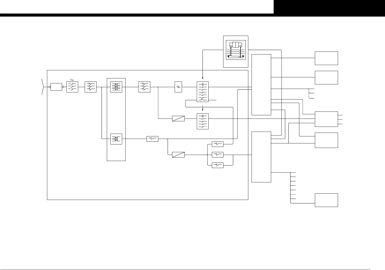
Confidential & Proprietary P A G E Safety Relay EMERGENCY CIRCUIT TERMINAL 3∼ 200V 0-375Hz See Page 10 See Page 9 See Page 13 See Page 11 See Page 12 AC50/60Hz 11.6A (MAX) 2:2.36KW( TOTAL) 1:1.30KW( TOTAL) FIX60 DC24…
YS12P
Over view
Control box
I/O conveyor -1-
I/O conveyor -2-
I/O conveyor -3-
Head
Multi camera unit sel. (option)
Operation panel sel.
FIX60 feeder structure
Ionizer assy option
Power transformer
Power circuit
Emergency circuit
Air circuit
Wiring parts list
Table of contents
Confi dential & Proprietary
P. 1
P. 2
P. 3
P. 4
P. 5
P. 6
P. 7
P. 8
P. 9
P.10
P.11
P.12
P.13
P.14
P.15

Confidential & Proprietary
PAGE
Safety Relay
EMERGENCY CIRCUIT
TERMINAL
3∼ 200V 0-375Hz
See Page 10
See Page 9
See Page 13
See Page 11
See Page 12
AC50/60Hz 11.6A(MAX)
2:2.36KW(TOTAL)
1:1.30KW(TOTAL)
FIX60
DC24V
DC24V
QF24 20A
QF21 10A
1.5KVA(with UPS)
1.0KVA(STD)
COMU
DC24V
DC48V
COMU
COMU
COMU
COMU
COMU
DC24V
DC24V
DC24V
See Page 3-5
CN1-CN14 …Page 3
CN17-CN20…Page 4
1∼ AC100V
DC24V
Power Supply
I/O CONVEYOR BOARD
CONTROL BOX
(OPTION)
BARCODE READER
USB MEMORY
Each Motors
OPERATION PANEL SEL.
See Page 8
See Page 7
MULTI CAMERA UNIT
See Page 2
IONIZER ASSY(OPTION)
FAN
VALVE
SENSOR
CONVEYOR MOTOR 30W
SIGNAL TOWER
COVER S/W
EMG S/W
F.FEEDER
3∼ AC230V
1∼ AC100V
KM12/KM12A
FAN
HEAD SENSOR,VALVE
Z,R SERVO MOTOR
I/O HEAD
See Page 6
GS31 600W 7A
1∼ AC230V DC48VDC48V
Contactor
Peak 15.5A 10sec
Power Supply
KM11/KM11A
DRIVER
CONVEYOR MOTOR
DRIVER
OUTPUT:
MOTOR:3∼ 230V
AC50/60Hz 4.0A(MAX)
CONTROL:1∼ 100V
INPUT:
KM10
CH1CH2K2 K1
POWER CIRCUIT
3∼3∼ 3∼ AC230V
1∼ AC100V
3∼ AC230V 3∼ AC230V 3∼ AC230V
DC24VDC24V
QF23 12A
QF25 4A
Contactor
NF11
TC11
Noise
Filter
Circuit
Protector
TM11 1.7KVA
Transformer
Transformer
POWER TRANSFORMER
XB11
QS11 25A QF11 20A
Main Breaker
Main Switch
Terminal
380/400/416V
200/208/220/240
3∼ 50/60Hz
CN21-CN44…Page 5
GS21 600W 27A
QF31 set5A
(4-6.3A)
Rating 3.6KVA MAX.
CC.V4
1
OVER VIEW
YS12P

Confidential & Proprietary
PAGE
READER
BARCODE
REAR
READER
BARCODE
FRONT
CAM1(HALF)
CAM2(FULL)
CAM3(HALF)
CAM4(FULL)
TRG1
TRG2
SRVA
SRVB
GOOD
I/O
SYM1
SYM2
CAM2
V1 TRG1
V1 TRG2
I/F SRVA
I/F SRVB
I/F GOOD
IF1 I/O
VGA
SERIAL1
SERIAL2
KEY
MOUSE
USB1
USB2
USB3
USB4
SERIAL1
KEY
MOUSE
USB4
OPERATION PANEL SEL
See Page 8
LAN
SRV2 GOOD
MO2
SRV2 CMN
PI2
SRV2 BRAKE
TRG1
TRG2
SRV CMN
ENC
BRAKE
GOOD
MO(Y1,Y2,PU1,W1)
(Y1,Y2,PU1,W1)
GOOD
TRG1
TRG2
MO
SRV CMN
ENC
BRAKE
(X1,SC,-,-)
(X1,SC,-,-)
X1M
X1P
SCM
SCP
X1M
X1P
M01
X-AXIS 750W
□86 MAX 5000rpm
DUCT Y
FLEXIBLE
SRV1 GOOD
MO1
SRV1 CMN
PI1
E.COM BOARD
VISION
INTERFACE
SYSTEM
SERVO2
SERVO1
HEAD SERVO UNIT
SC-AXIS MOTOR
See Page 6
J0143
J0127
J0145
J0133
AC100V
AC100V
AC230V
AC230V
EXT POWER
UPS
(OPTION)
POWER CIRCUIT
POWER CIRCUIT
BUZZER
J0119
AIR REGULATOR PANEL
HA01
WIN BUZZER
EXT.PWR
IT OPTION(OPTION)
PE
J0071
AC100V
AC230V
POWER CIRCUIT
CN27
See Page 5
I/O CONVEYOR BOARD
CN14 I/O CONVEYOR BOARD
See Page 3
M05
W1-AXIS 60W
□42 MAX 500rpm
M04
M02
M03
W1P
W1M
W1 BK
PU1P
PU1M
PU1 BK
Y1P
Y1M
Y2P
Y2M
E01
E02
W1P
Y2P
Y1P
PU1P
J0131
J0130
J0129
J0128
PU1-AXIS 200W
□54 MAX 1500rpm
Y1-AXIS 1KW
□86 MAX 5000rpm
Y2-AXIS 1KW
□86 MAX 5000rpm
ANC STATION(OPTION)
See Page 5
J0102
J0103
J0104
I/O A
I/O B
I/O C
I/O A
See Page 6
CAMERA SELECTOR
SRV1 TRG1
SRV1 TRG2
J0061
J0892
J0893
J0502
J0507
J0530
J0135
J0121
J0101
J0120
J0142
J0125
J0141
J0124
J0234,J0235
J0751
J0028
J0891
J0007
J0009
J0162
CN12
I/O CONVEYOR BOARD
See Page 3
SI04
SI03
SI02
SI01
A43
A44
J0531
USB4
USB MEMORY
BCR-R SYM
BCR-F SYM
See Page 7
(OPTION)
MULTI CAMERA UNIT SEL.
See Page 12
See Page 12
See Page 12
See Page 9
SS FEEDER F1&F2
SRVB1
SRVB2
I/O HEAD BOARD
See Page 6
LCD PWR
DC12V
CONTROL BOX ASSY A1
PCS/M
CABLE HOST(OPTION)
DC5V
+5V
DC5V
+5V
S/M
VGA
CC.V4
2
CONTROL BOX
YS12P