ZHX-R20C - 第149页
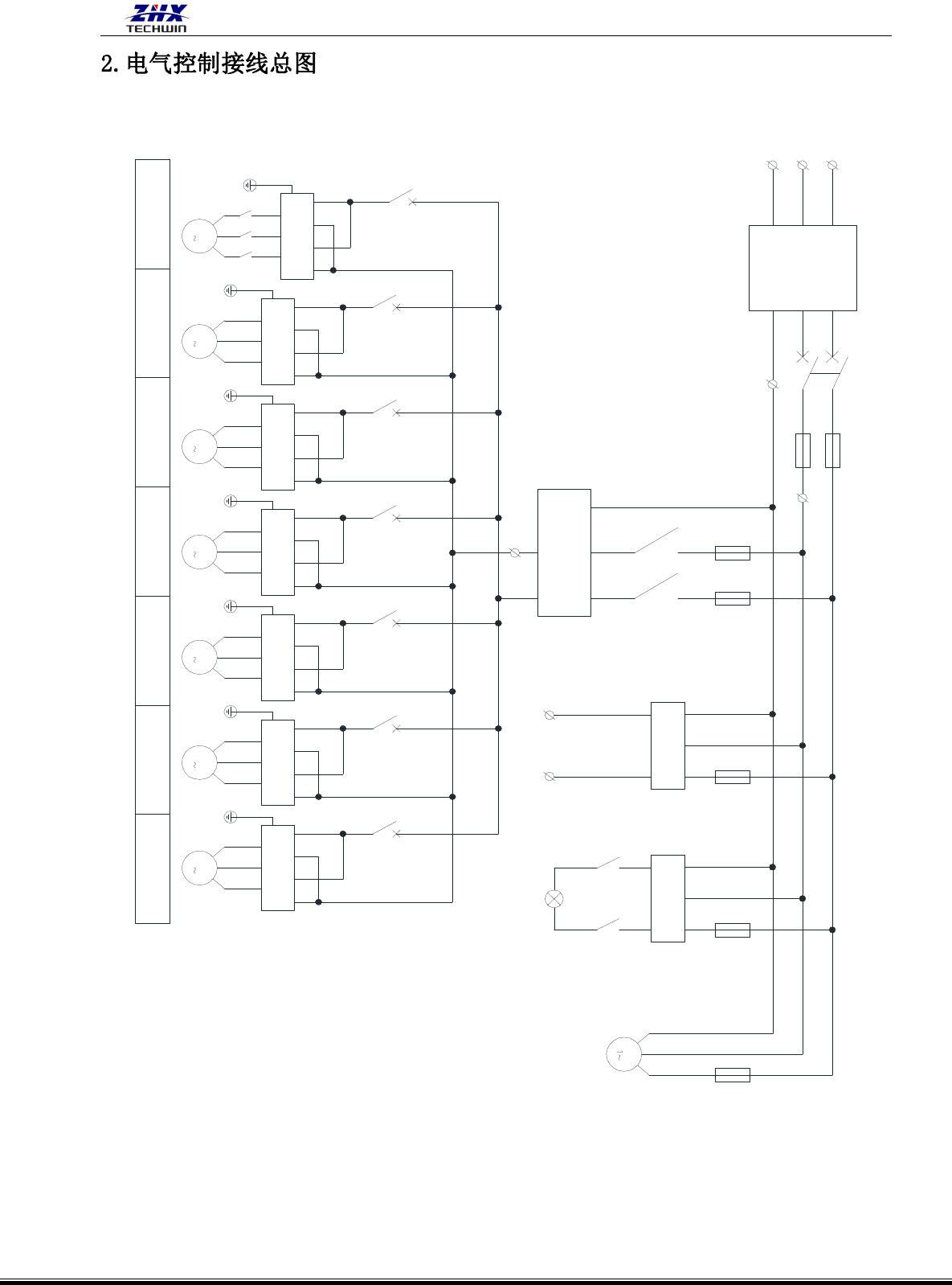
ZHX-R20C&D(-IN)立式插件机说明书 深圳市中禾旭精密机械有限公司 www.zhxai.com - 149 - UPS FU1/1 6A QF1 FU2/1 6A L N E FU4 /10A 滤波 器 L1 L 3 L1C L 2C SO4角 度旋转 伺服器 (RH) QF5 L1 L3 L1C L 2C SO3前 后伺 服 器(Y) QF4 L1 L3 L 1C L2C SO2左 右伺 服 器(X) QF3 L1 …

ZHX-R20C&D(-IN)立式插件机说明书
深圳市中禾旭精密机械有限公司 www.zhxai.com
- 148 -
3300
1100
1500
1
750 1450
1500
1800

ZHX-R20C&D(-IN)立式插件机说明书
深圳市中禾旭精密机械有限公司 www.zhxai.com
- 149 -
UPS
FU1/16A
QF1
FU2/16A
L
N
E
FU4
/10A
滤波器
L1 L3 L1C L2C
SO4角度旋转伺服器(RH)
QF5
L1 L3 L1C L2C
SO3前后伺服器(Y)
QF4
L1 L3 L1C L2C
SO2左右伺服器(X)
QF3
L1 L3 L1C L2C
U V W
SO1头部伺服器(H)
QF2
M2
3
L1 L3 L1C L2C
SO5底座伺服器(RB)
QF6
L1 L3 L1C L2C
SO6压料伺服器(P)
QF7
L1 L3 L1C L2C
SO7链条伺服器(C)
QF8
FU5
/6A
24V电源模块
FU7
/2A
FU6
/4A
5V电源模块
KS1 KS2
相机摄灯
M1
散热风扇
L1
N1
L2
N2
L3
N3
L4N4 L6 L7
L8
L5N5
0V
24V
L9N6
0V
5V
FU3
/10A
L10
L11 L12 L13 L14 L15 L16
E
C轴伺服马达P轴伺服马达RB轴伺服马达RH轴伺服马达Y轴伺服马达X轴伺服马达H轴伺服马达
U V W U V W U V W U V W U V W U V W
23 24
27 26
29 28
KR4 KR4
KR7 KR7 KR7
U1 V1 W1
U2 V2 W2
U21 V21 W21 U31 V31 W31 U41 V41 W41 U51 V51 W51 U61 V61 W61 U71 V71 W71
M3
3
M4
3
M5
3
M6
3
M7
3
M8
3

ZHX-R20C&D(-IN)立式插件机说明书
深圳市中禾旭精密机械有限公司 www.zhxai.com
- 150 -
+24V
KR5
KR5
M
-
KR6
KR6
0V
转台马达
J3J1J2
25
25
6 5 4 3
7 8 1 2
J3继电器
24
6 5 4 3
7 8 1 2
J4继电器
来自I/O板A板X5.1
来自急停旋钮
来自5V直流电源
2 1 11 10
5 6 7 8
J6继电器
3 9
4
2 1 11 10
5 6 7 8
J5继电器
3 9
4
25
2 1 11 10
5 6 7 8
J7继电器
3 9
4
I/O板A板顺时针转
I/O板A板逆时针转
去端子排25
27
24
26
23
转台马达线
红线
转台马达线
棕线
来自I/O板A板X5.2
24
H伺服器的红线
H伺服器的黑线
H伺服器的黄线
头部马达的红线
头部马达的黄线
头部马达的黑线
- -
-
+
23 25
- -
-
+
23 25
J1 J2
N4 N5 L4 L5
滤波器
N L
N6 L9
KR3
25
24
23
25
25
短
接
片
短接片
短接片
2829
去急停旋钮
W1
U1
V1
U2
V2
W2
47
54
55
67
68
69
70
46B
25B
25B
70
69
J4
来自I/O板A板X5.1
46B
J7
来自I/O板A板X5.2
47
KS2 KS1 KR7 KR4 KR3
FU1 FU2 FU3 FU4 FU5 FU6 FU7
N2 L2
L3
N4
L4 L6 L7 L8
N3