XP143 PATRS LIST 08 - 第149页
This page intentionally blank. 149 PTS-XP143E-08JE

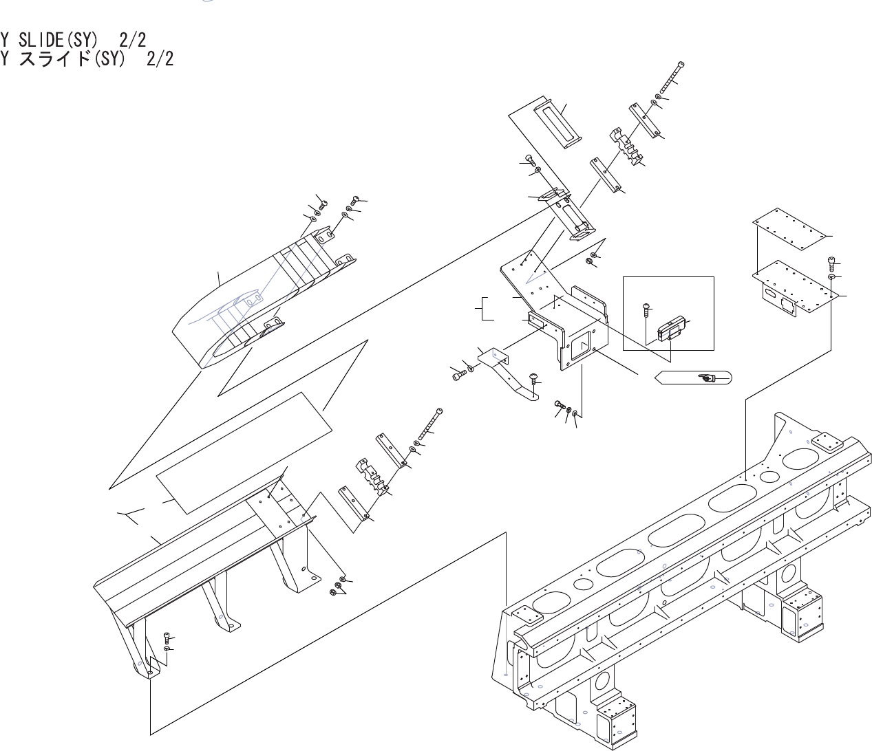
Y SLIDE(SY) 1/2
Y スライド(SY) 1/2
No. Drg.No. & Code No. QTY Description Rating Materials Remarks
番号 図番 & コード番号 個数 品名 規格 材質 備考
37 H5290A 6 BOLT, HEX SOCKET ボルト 六角穴 M04X015 FE
38 DESY1133 1 BKT, MOTOR BKT モータ AL
38.1 H5342A 4 BOLT, HEX SOCKET ボルト 六角穴 M08X025 FE
38.2 W1025A 4 WASHER, LOCK ワッシャ スプリング 8M/M FE
38.3 W1046A 4 WASHER, FLAT ワッシャ 平 4W- 8 FE
41 SAM6811 1 MOTOR, AC SERVO モータ ACサーボ OT
42 H5324A 4 BOLT, HEX SOCKET ボルト 六角穴 M06X020 FE
43 W1024A 4 WASHER, LOCK ワッシャ スプリング 6M/M FE
44 DNSY1011 1 PULLEY プーリ FE
45 R2049A 2 RING, LOCKING リング 締結 24X28 FKL300 OT
46 DNSY1021 1 CAP キャップ FE
47 H5290A 6 BOLT, HEX SOCKET ボルト 六角穴 M04X015 FE
48 DNSY1280 2 COLLAR カラー FE
NOTE.1:Not required when using devices only on one side.
:片側デバイス仕様時には不要となります。
148
PTS-XP143E-08JE

This page intentionally blank.
149
PTS-XP143E-08JE

AA
A
Ref.1/2
NAC OPTION
51
49
50
48
70.2
80
81
82
76
67
68
69
67
68
69
66
86
87
88
89
90
72
94.1
73
74
60
59
58
92
94
93
96
114
112
115
70.1
109
110
111
112
113
110
101
102
103
106
104
105
104
102
70
57
115.1
150
PTS-XP143E-08JE