XP143 PATRS LIST 08 - 第74页
A Ref.2/ Ref.3/ Ref.4/ Ref.4/ AGFPI910* 74 PTS-XP143E-08JE

A
Ref.2/
Ref.5/
Ref.5/
AGFPI910*
73
PTS-XP143E-08JE

A
Ref.2/
Ref.3/
Ref.4/
Ref.4/
AGFPI910*
74
PTS-XP143E-08JE

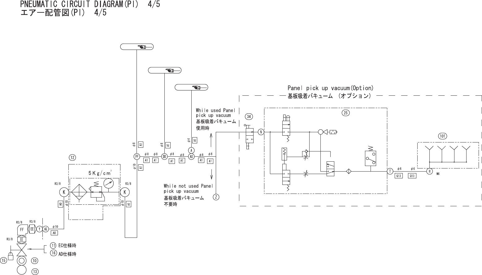
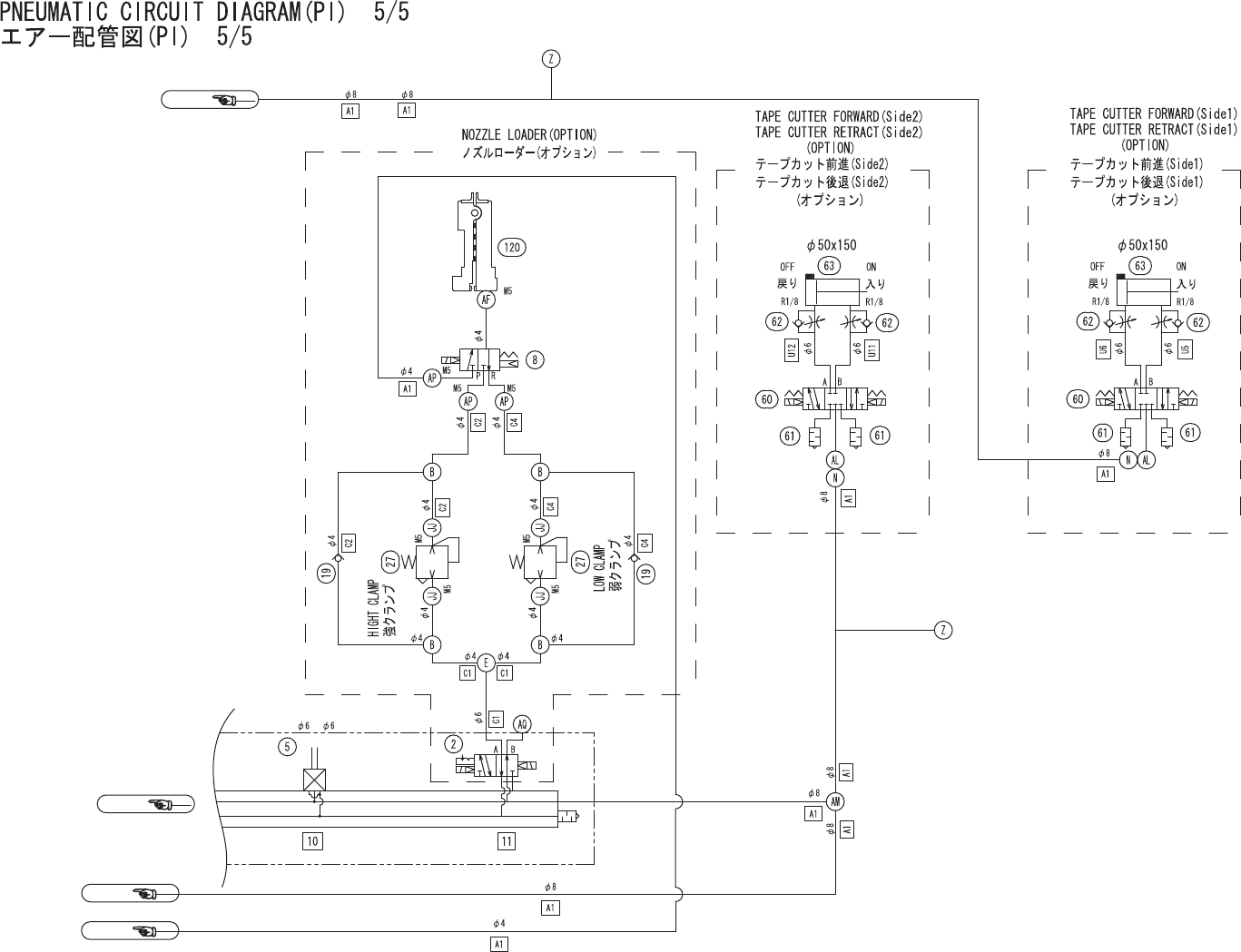
PNEUMATIC CIRCUIT DIAGRAM(PI)
エアー配管図(PI) AGFPI910*
No. Drg.No. & Code No. QTY Description Rating Materials Remarks
番号 図番 & コード番号 個数 品名 規格 材質 備考
1 H1331A - VALVE バルブ VQ1101-5 DC24V OT
2 H1332A - VALVE バルブ VQ1201-5 DC24V OT
4 H13331 - VALVE バルブ VQ1401-5 OT
5 H3051E - COVER, BLIND 蓋 盲 VVQ1000-10A-1 OT
6 GFPI1031 - VALVE UNIT バルブユニット OT MFU-MFU
6 GFPI1071 - VALVE UNIT バルブユニット OT MFU
6 GFPI1111 - VALVE UNIT バルブユニット OT FIXED-FIXED
8 . - VALVE, SOL バルブ SOL VQZ115R-5LO-C4-PR OT
10 K1086T - COUPLER カプラ 30PM OT
11 XB02500 - VALVE, BALL バルブ ボール OT
12 H3033G - FILTER REGULATOR フィルタレギュレータ C4000-UN-00014 OT
13 S5023H - SOCKET ソケット 30SH OT
15 K2027R - KEY キー C1000-50 OT
16 H1046A - VALVE, STOP バルブ ストップ A3/8X100 OT
19 H10514 - VALVE, CHECK バルブ チェック AKH04-00 OT
20 H1063G - VALVE, MECHANICAL バルブ メカニカル VM121-01-01 OT
21 H1050K - VALVE, CHECK バルブ チェック C250-01-32W OT
22 H10513 - VALVE, CHECK バルブ チェック AKH06A-01S-X221 OT
23 H10518 - VALVE, CHECK バルブ チェック AKH06-00 OT
25 A4001D - EJECTOR エジェクタ VDBL10R6-08SA-NA-1.0 OT
27 H1031G - VALVE, PRESSURE REDUCING バルブ 減圧 IR1010-01BG-R OT
28 S1053B - SILENCER サイレンサ KM-J6 OT
29 H1039A - VALVE, THROTTLING バルブ 絞り JNC4-M5 OT
30 H1040A - VALVE, THROTTLING バルブ 絞り JNS4-M5 OT
34 H1037T - VALVE, MANUAL バルブ 手動 HV8-8-2 OT
40 DEQC076* - CYLINDER シリンダ OT
41 S2125T - CYLINDER, AIR シリンダ エアー CQ2D32-40DCM ナットツキ OT
42 S2126L - CYLINDER, AIR シリンダ エアー CXSM10-K6869-35 OT
44 S2115R - CYLINDER, AIR シリンダ エアー CDLQB80-30D-B-M9NL OT
50 K5337G - CONTROLLER, SPEED コントローラ スピード AS1201F-M5-04 (シロ) OT
51 K53474 - CONTROLLER, SPEED コントローラ スピード AS2311F-01-06S(シロ) OT
52 K5340Y - CONTROLLER, SPEED コントローラ スピード AS2001F-06(シロ) OT
54 K53495 - CONTROLLER, SPEED コントローラ スピード AS3201F-03-06S OT
55 K5334H - CONTROLLER, SPEED コントローラ スピード JSM4-M5A OT
60 H13384 - VALVE, SOL バルブ SOL SX5320-5MZ-C6-F2-X21 OT
61 S1056E - SILENCER サイレンサ AN103-01 OT
62 K5342D - CONTROLLER, SPEED コントローラ スピード AS2201F-01-06S(シロ) OT
63 S21975 - CYLINDER, AIR シリンダ エアー FCD-KL-50-150-MOV3-D-FL324 OT
75
PTS-XP143E-08JE