FX-2_使用说明书 - 第744页
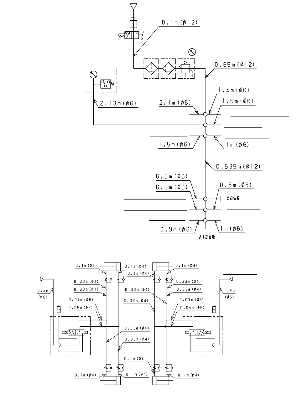
第 16 章 维护 16 -2-3 各单元气缸系统 接通主机的电源后,请选择「手动控制」项目,确认运行状况。 请参考以下的管道图。 (1) 气压源 (2) ATC 正压表 通往 B ANK RL 空气组合箱 通往传送电磁阀复式接头 通往 ATC 电磁阀 (R) 通往 B ANK RR 通往 CAL BLOCK 通往 HEAD UP CYLIDER L 通往 HEAD UP CYLIDER R 通往 BANK FL 通往 BANK FR …

第 16 章 维护
1)为了避免排水盒内的积水滞留超过上限,请排空排水阀。(上限A)
(按压B部,从C部排出积水。)
排空排水阀时,请不要关闭指状阀的旋钮①。
16-2-2 管道和接头
请确认是否漏气。
确认是否漏气
图
16-2-3
气阀(主机背面)
フィンガバルブ
指状阀
A
B
C
※排空排水阀
16-3

第 16 章 维护
16-2-3 各单元气缸系统
接通主机的电源后,请选择「手动控制」项目,确认运行状况。
请参考以下的管道图。
(1) 气压源
(2) ATC
正压表
通往
BANK RL
空气组合箱
通往传送电磁阀复式接头
通往 ATC 电磁阀(R)
通往
BANK RR
通往
CAL BLOCK
通往 HEAD UP CYLIDER L
通往
HEAD UP CYLIDER R
通往
BANK FL
通往
BANK FR
通往
AIR UNIT
来自传送线圈阀
来自复式接头
ATC 电磁阀(R)
ATC 电磁阀(L)
16-4

第 16 章 维护
(3)台架
来自 manifold
16-5