FX-2_使用说明书 - 第746页
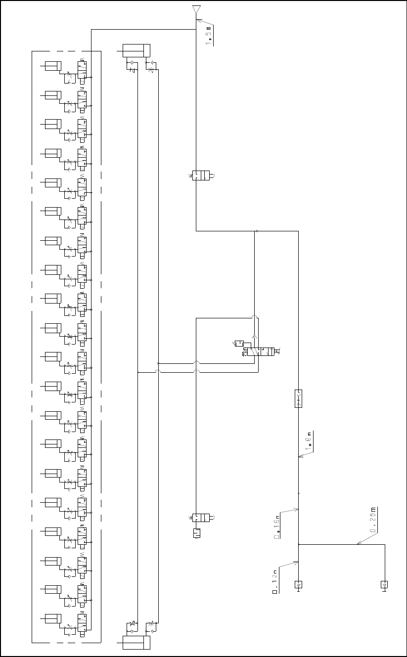
第 16 章 维护 (4) 贴片头 ・ 贴片头切换电磁阀 ・ 贴片头上升气缸 第 1 连 第 6 连 吸嘴 过滤器 开放大气 压力 传感器 V: 来自负压( φ 8 )真空泵 P: 来自正压( φ 6 )复式接头 V: 来自负压( φ 8 )真空泵 P: 来自正压( φ 6 )空气单元 检查阀 气缸 气缸 16 -6

第 16 章 维护
(3)台架
来自 manifold
16-5

第 16 章 维护
(4)贴片头
・贴片头切换电磁阀
・贴片头上升气缸
第
1 连 第 6
连
吸嘴
过滤器
开放大气
压力
传感器
V:
来自负压(
φ
8)真空泵
P:
来自正压(
φ
6)复式接头
V:
来自负压(
φ
8)真空泵
P:
来自正压(
φ
6
)空气单元
检查阀
气缸 气缸
16-6

第 16 章 维护
(5)
传送
(6)
CAL
来自复式接头
来自复式接头
通往
ATC
电磁阀
(L)
16-7