FX-2_使用说明书 - 第747页
第 16 章 维护 (5) 传送 (6) CAL 来自复式接头 来自复式接头 通往 ATC 电磁阀 (L) 16 -7

第 16 章 维护
(4)贴片头
・贴片头切换电磁阀
・贴片头上升气缸
第
1 连 第 6
连
吸嘴
过滤器
开放大气
压力
传感器
V:
来自负压(
φ
8)真空泵
P:
来自正压(
φ
6)复式接头
V:
来自负压(
φ
8)真空泵
P:
来自正压(
φ
6
)空气单元
检查阀
气缸 气缸
16-6

第 16 章 维护
(5)
传送
(6)
CAL
来自复式接头
来自复式接头
通往
ATC
电磁阀
(L)
16-7

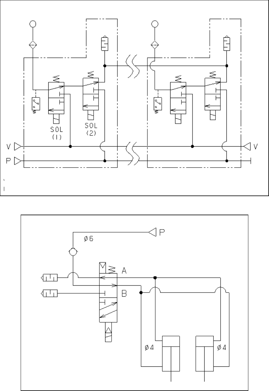
第 16 章 维护
16-2-4 空气过滤器
16-2-4-1 贴片头
「过滤器」每半年更换一次(大约),或有脏污时进行更换。
<检查方法>
<方法1> 请目检确认贴片头单元正面部位的过滤器盒内的空气过滤器没有脏污。
<方法2> 从主画面选择「自动校准」→「真空校准」,请运行各轴,确认没有错误。
<更换步骤>
1)请拧松过滤器盒的「固定螺丝②」,拆下「过滤器盒 U① 」。
2)请检查「过滤器③」的脏污状况。
3)如果脏污,请从「过滤器盒 L④」更换「过滤器③」。
4)把「过滤器③」插入「过滤器盒 L④」,插到底,再用「固定螺丝②」紧固。
(安装扭矩:0.7N、m)
然后,确认「O 环 F2⑤」嵌入「过滤器盒 L④」沟槽里。
为了防止意外启动造成的事故,请在关闭电源之后再进行操作。
请勿携带手表、手机等会受磁铁影响的物品。
危险
③
④
②
①
⑤
过滤器③ 编号:40046646
16-8