M6ex_ServiceManual_j.pdf - 第22页
1 .据付 1-1 4 マウンタとローダの連結 マウンタの上流側にローダを設置する場合、基板の受け渡しを円滑にするためにロー ダとマウンタの コンベア部を近づけますが、これによりマウンタのコンベア部に取り付 けられている入 口センサとローダが干渉してしまいます。そのため、入口センサの位 置を変更することが必要となります。 下図に示すように標準取付位置よりもマウンタの 内側に移動します。移動後には、基 板がローダからマウンタへ円滑に送られ…

1.据付
1-1
3
⑤ [XY 軸] タブ以外の設定を全てキャンセルします。
コンベア/ヘッド/基板クランプ/ANC/フィーダバンク/ランプ&ブザー(マウンタのオ
プション構成によって異なります。)の各項目のチェックを外し、[XY 軸]タブで設定し
た内容のみ実行する様設定してください。
⑥ [開始]タブを開き、[エージング] ボタンをクリックします。
[開始] タブを開くと、[開始] ボタンと[エージング ]ボタンがありますが、[開始]ボタン
をクリックすると、1 サイクルのみ実行して停止してしまい、十分なエージングができま
せん。
⑦ 5~10 分程度エージングします。
時間経過後、[停止 ボタン]をクリックしてエージングを停止します。
⑧ 余剰グリスを拭き取ります。
ボールねじのナット部、リニアガイドのスライダー部および各軸の可動範囲終端付近
に溜まった余剰グリスを拭き取ります。なおグリスの拭き取りには、糸屑の出ない不織
布などを使用してください。
【NOTE】 各軸の位置等については、3 章 機械部 を参照してください。
⑨ グリスが付着していないか確認します。
飛散したグリスが各センサ、カメラ、コンベアベルト及びコンベア周辺、ANC などに付
着していないか確認します。付着している場合は不織布などで拭き取ります。
【NOTE】 特にカメラレンズやスキャンミラーのクリーニング方法については、3 章 機械部 を参
照してください。
開始タブ
エージングボタン

1.据付
1-1
4
マウンタとローダの連結
マウンタの上流側にローダを設置する場合、基板の受け渡しを円滑にするためにロー
ダとマウンタのコンベア部を近づけますが、これによりマウンタのコンベア部に取り付
けられている入口センサとローダが干渉してしまいます。そのため、入口センサの位
置を変更することが必要となります。
下図に示すように標準取付位置よりもマウンタの内側に移動します。移動後には、基
板がローダからマウンタへ円滑に送られるようにライン出しを行ってください。
入口センサの標準取付位置とローダ連結時の位置を下図に示します。
ローダラック
入口センサ
ローダフレーム
入口センサ
ローダ連結時取付位置
入口センサ
標準取付位置

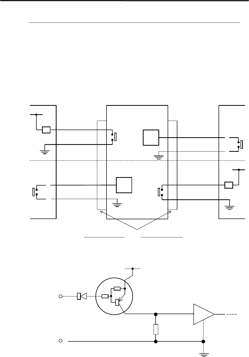
1.据付
1-1
5
マウンタの前後工程
前後工程の接続
マウンタの前後工程設備が弊社製でないものを接続する場合には、下図に示すよう
に接続してください。後工程からの出力は、無電圧出力(リレー等)が適当です。
標準仕様: 下図一点鎖線より上側のみ
SMEMA 規格インターフェイス仕様: 下図全体
*入力回路
*入力回路
搬送許可 COM
2
1
CN2 CN1
後工程設備
ケーブル側コネクタ
AMP 社製
206044-1(プラグ)
66099-2 相当(ピン)
206070-1(ケーブルクランプ)
マウンタ側コネクタ
AMP 社製
206043-1(リセプタクル)
前工程設備
搬送許可
搬送許可 COM
4.7KΩ
4.7KΩ
*入力回路
COM
入力端子
+5V
搬送要求
DC30V 1A 以下
AC100V 0.5A 以下
リレー出力
リレー出力
搬送許可
搬送要求
搬送要求 COM
3
4
搬送要求 COM
2
1
3
4
仕様書 P.10