00196845-02_AI_Vakuumpumpe_SXDX4_X-Serie-S_de_en - 第123页
Appendix Vacuum Pump Circuit Diagram Connection Unit Vacuum Pump Vakuumpumpe 123 5.4 5 . 4 V a c u u m P u m p C ir c u it D ia g r a m C o n n e c t io n U n it Vacuum Pump Circuit Diagram Connection Unit

Appendix
Vacuum Pump Machine Connection
122 Vacuum Pump Vakuumpumpe
5.3
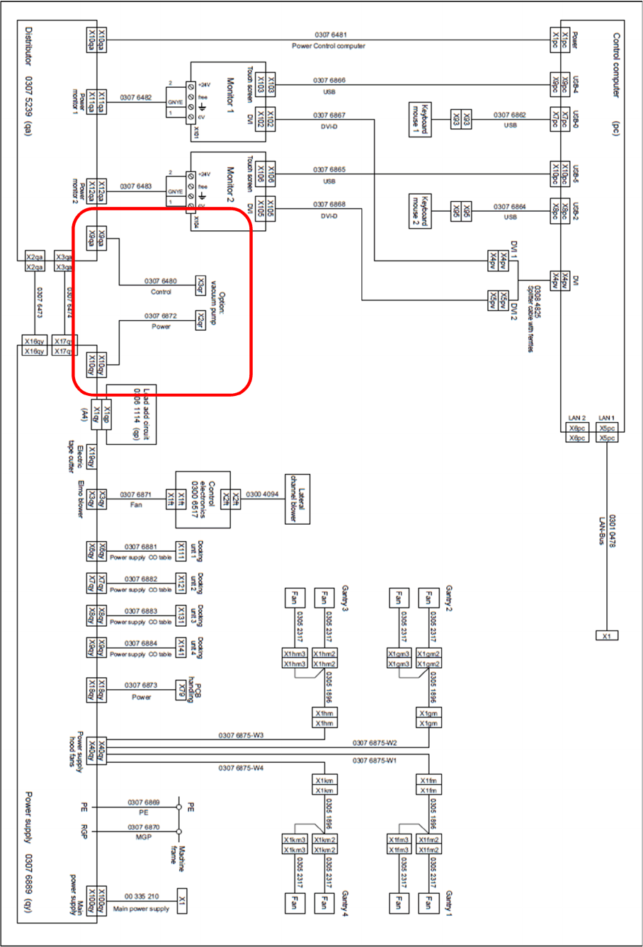
5.3 Vacuum Pump Machine Connection
Vacuum Pump Machine Connection

Appendix
Vacuum Pump Circuit Diagram Connection Unit
Vacuum Pump Vakuumpumpe 123
5.4
5.4 Vacuum Pump Circuit Diagram Connection Unit
Vacuum Pump Circuit Diagram Connection Unit

Appendix
Hoses for Gantry with Vacuum Pump
124 Vacuum Pump Vakuumpumpe
5.5
5.5 Hoses for Gantry with Vacuum Pump
Hoses for Gantry with Vacuum Pump