00196845-02_AI_Vakuumpumpe_SXDX4_X-Serie-S_de_en - 第59页
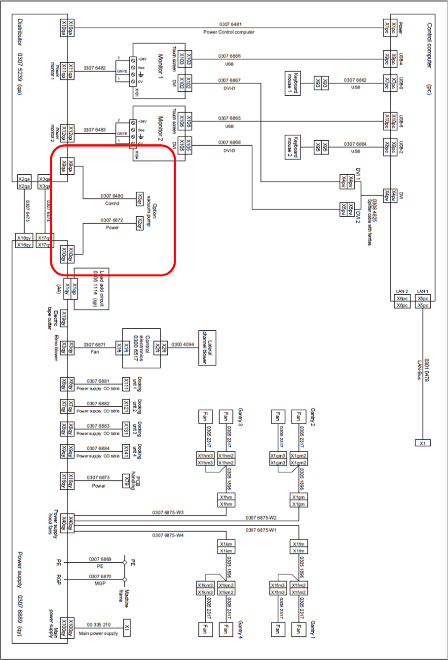
Anhang Vakuumpumpe am Verteiler 1 Signal Vacuum Pump Vakuumpumpe 59 5.2 5 . 2 V a k u u m p u m p e a m V e r t e ile r 1 S ig n a l Vakuumpumpe am Verteiler 1 Signal

Anhang
Anordnung von Vakuumpumpen und Verteiler
58 Vacuum Pump Vakuumpumpe
X-Serie S

Anhang
Vakuumpumpe am Verteiler 1 Signal
Vacuum Pump Vakuumpumpe 59
5.2
5.2 Vakuumpumpe am Verteiler 1 Signal
Vakuumpumpe am Verteiler 1 Signal

Anhang
Vakuumpumpe Maschinenanschluss
60 Vacuum Pump Vakuumpumpe
5.3
5.3 Vakuumpumpe Maschinenanschluss
Vakuumpumpe Maschinenanschluss