KD-2077_Maintenance_Guide_Rev1.1_C - 第158页
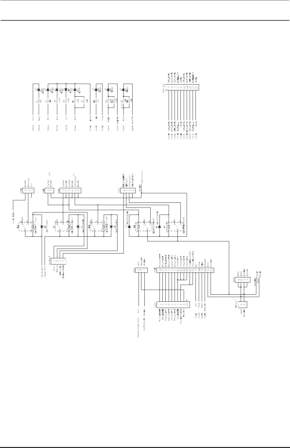
维修调整要领书 11-10 控制装置 控制装置的构成 控制装置基板配置图如图 所示。请参照图进行基板安装的确认。 基板配置 CPU BOAR D 4004…

维修调整要领书
11-9
控制装置
(蓝色)
+24V电源输出控 制
电源控制
传送电源控 制
(黄色)
安全 装置
(蓝色)
安全装置
(蓝色)
从控制装置来
图 电源基板的连接图

维修调整要领书
11-10
控制装置
控制装置的构成
控制装置基板配置图如图 所示。请参照图进行基板安装的确认。
基板配置
CPU BOARD 40044475
POSITION BOARD 40044540
BLANK PANEL B
BUS BRIDGE BOARD 40003313
BLANK PANEL B
BLANK PANEL B
BLANK PANEL B
BLANK PANEL B
BLANK PANEL B
IP−X3R PCB ASM A 40052359
IO CTRL PCB ASM 40001943
BASE FEEDER PCB ASM 40001941
LIGHT CTRL PCB ASM 40001918
SAFETY PCB ASM 40044553
XY RELAY PCB ASM 40044557
BLANK PANEL B
图 基板配置图
注2

维修调整要领书
11-11
控制装置的连接器标记
连接于控制装置表 的基板的连接器标记表示如下。
例 基板的连接器的标记显示
表 线路板和连接器标记的对应表
基板 表示
基板
基板
基板
基板
基板
基板
基板选购品
基板
功能
这是控制整个装置的基板
其它基板经由 母线和母线桥用 母线连接
并且,该基板上装有 (以下简称 ),该 是安装操作系统及主机软
件的磁盘。因此,仅仅更换该电路板时,请从现用的 中拆下 ,装到新的
上。
【跨接开关类的设定】
跨接开关以出货状态使用。
【 的意义】
:电源供给后亮灯。
【更换后的调整项目】
更换后需要设置 。
请参照 的设置进行设置。
【电池的更换】
电路板上装有用于保存 设置的支持电池。
电池请以 年左右为标准进行更换。
更换后需要设置 。
基板显示参照表 连接器 例