NB168-Parts List 配件手册 - 第139页
在线预览 NB168-Parts List 配件手册 PDF 文档。

序号 料号 部品名称 数量 规格 备注
028 NB16810054AA SPRING 1
029 NB16810055AA SPRING 2
030 NB16810056AA SPRING 1
031 NB16810057AA PLATE 1
033 NB16810059AA LEVER 1
034 NB16810061AA BRACKET 1
035 NB16810062AA COLLAR 1
036 NB16810063AA COLLAR 2
037 NB16810064AA LEVER 1
038 NB16810065AA SHAFT 1
039 NB16810066AA COLLAR 1
040 NB168D1517AA WASHER 6
041 NB168D0409AA COLLAR 3
042 NB168CFN6RAA CAM FOLLOWER 1 CFN6R-A
043 NB1686905ZZAA BEARING 2 6905ZZ
044 NB168CFN8RAA CAM FOLLOWER 1 CFN8R-A
045 NB168F696ZZAA BEARING 6 F696ZZIMC3PS2S
X001 NB168SH0512 SOKET HEAD CAP SCREW 4 M5-L12
X002 NB168SH0518 SOKET HEAD CAP SCREW 3 M5-L20
X003 NB168SH0616 SOKET HEAD CAP SCREW 1 M6-L16
X004 NB168SH0620 SOKET HEAD CAP SCREW 3 M6-L20
X005 NB168SH0630 SOKET HEAD CAP SCREW 2 M6-L30
10 LOWER ANVIL SECT.(ANVIL DRIVING SECT.-3)
X005 NB168SH0630 SOKET HEAD CAP SCREW 2 M6-L30
X006 NB168SH0640 SOKET HEAD CAP SCREW 1 M6-L40
X007 NB168HEX06 HEXAGON NUT 3 M6
X008 NB168HEX08 HEXAGON NUT 1 M8
X009 NB168SW06 SPRING WASHER 4 6-9.5-H1.6
X010 NB168SW08 SPRING WASHER 1 8-12.5-H2
X011 NB168SW05 SPRING WASHER 7 5-8-H1.3
X012 NB168FG0510 FLAT WASHER 3 5-10-H2
N122


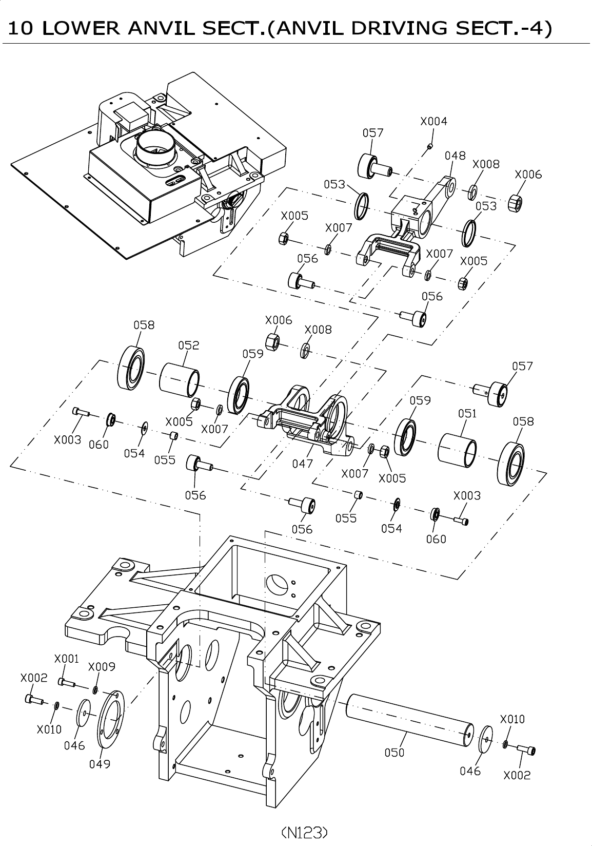
序号 料号 部品名称 数量 规格 备注
046 NB16810067AA PLATE 2
047 NB16810068AA LEVER 1
048 NB16810069AA LEVER 1
049 NB16810070AA PLATE 1
050 NB16810071AA SHAFT 1
051 NB16810072AA COLLAR 1
052 NB16810073AA COLLAR 1
053 NB16810074AA SPACER 2
054 NB168D1517AA WASHER 2
055 NB16810075AA COLLAR 2
056 NB168CFN8RAA CAM FOLLOWER 4 CFN8R-A
057 NB168CFN12RAA CAM FOLLOWER 2 CFN12R-A
058 NB1686006ZZAA BEARING 2 6006ZZ
059 NB1686906ZZAA BEARING 2 6906ZZ
060 NB168F696ZZAA BEARING 2 F696ZZIMC3PS2S
X001 NB168SH0516 SOKET HEAD CAP SCREW 3 M5-L16
X002 NB168SH0616 SOKET HEAD CAP SCREW 2 M6-L16
X003 NB168SH0625 SOKET HEAD CAP SCREW 2 M6-L25
X004 NB168SS0506 SUNK SCREW 2 M5-L6
X005 NB168HEX08 HEXAGON NUT 4 M8
X006 NB168HEX12 HEXAGON NUT 2 M12
X007 NB168SW08 SPRING WASHER 4 8-12.5-H2
10 LOWER ANVIL SECT.(ANVIL DRIVING SECT.-4)
X007 NB168SW08 SPRING WASHER 4 8-12.5-H2
X008 NB168SW12 SPRING WASHER 2 12-18-H3
X009 NB168SW05 SPRING WASHER 3 5-8-H1.3
X010 NB168SW06 SPRING WASHER 2 6-9.5-H1.6
N124