NB168-Parts List 配件手册 - 第228页
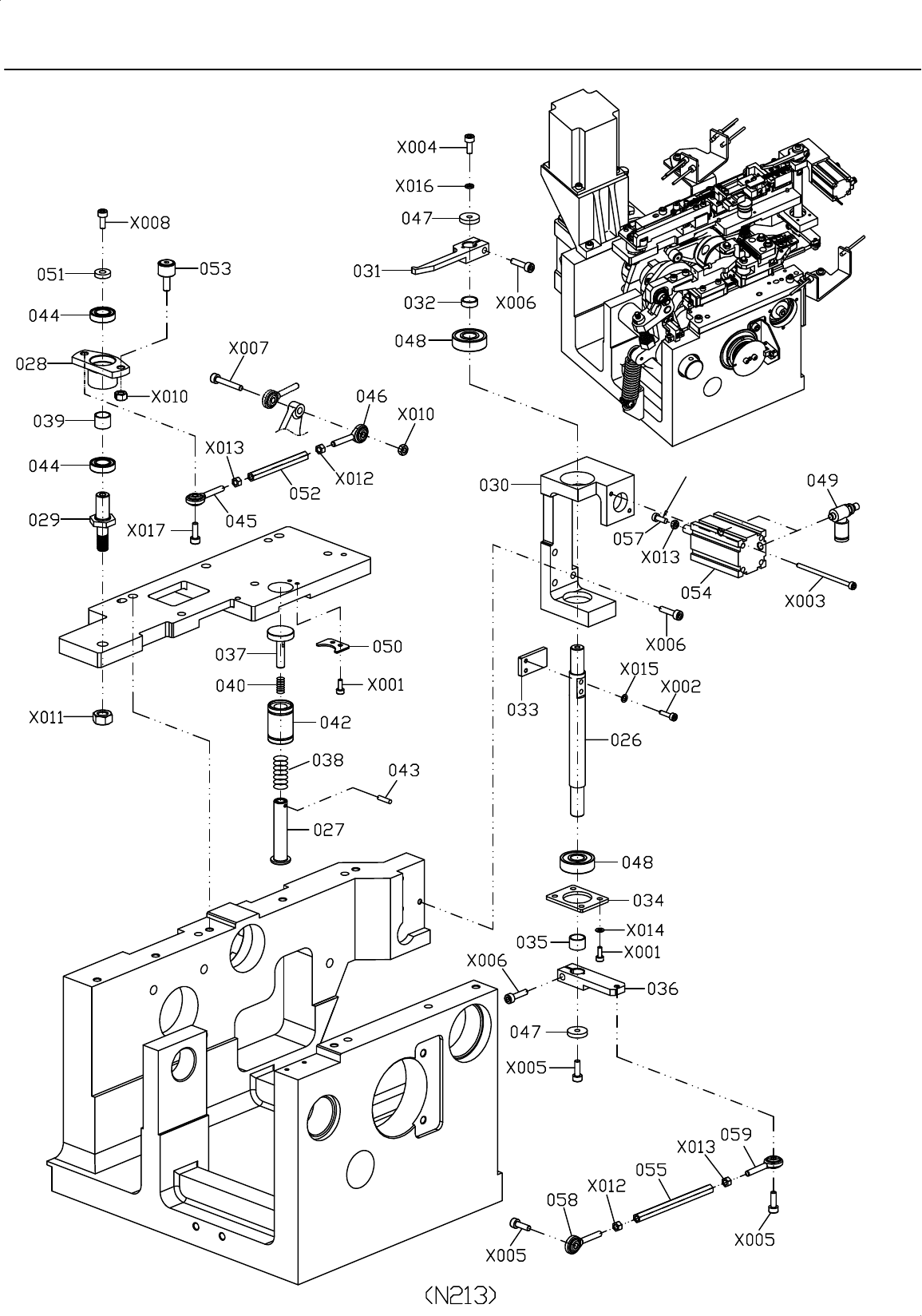
序号 料号 部品名称 数量 规格 备注 NB168NU2001 PARTS POSITIONING NUIT 001 NB16820051AA HOOK 1 002 NB16820052AB STOPPER PLATE 1 003 NB16820053AB STOPPER PLATE 1 005 NB16820055AA BLOCK 1 006 NB16820056AA BLOCK 1 007 NB16820057AA PLATE 1 …

20 PARTS PROCESS SECT.(PARTS POSITIONING SECT.-1)

序号 料号 部品名称 数量 规格 备注
NB168NU2001 PARTS POSITIONING NUIT
001 NB16820051AA HOOK 1
002 NB16820052AB STOPPER PLATE 1
003 NB16820053AB STOPPER PLATE 1
005 NB16820055AA BLOCK 1
006 NB16820056AA BLOCK 1
007 NB16820057AA PLATE 1
008 NB16820058AA PLATE 1
011 NB16820124AA HOLDER(SLIDE) 1
012 NB16820123AA HOLDER(SLIDE) 1
014 NB16820064AA PISTON 2
015 NB16820065AA PISTON 2
A001 NB168P0413AA PIN 2
016 NB1684SRS9AA LINEAR WAY 1 4SRS9XMUU+175LM
018 NB168POS5TAA ROD END 1 P0S5T
019 NB168POS5TLAA ROD END 1 P0S5TL
020 NB168M5H6AA FITTING 2 M-5H-6
021 NB168M5HL6AA FITTING 2 M-5HL-6
023 NB16820066AA SPRING 2
024 NB168P0622AA PIN 2
025 NB16820068AB ROD 1
026 NB16820126AA LEVER 1
027 NB16820125AA LEVER 1
028 NB16820131AA GUIDE 1
029 NB16820129AA PLATE 1
030 NB16820127AA PIN 2
031 NB16820128AA COLLAR 2
032 NB1681275052AA SPRING 2
033 NB16820133AA PIN 2
X001 NB168SH0325 SOKET HEAD CAP SCREW 2 M3-L25
X002 NB168SH0308 SOKET HEAD CAP SCREW 17 M3-L8
X004 NB168SH0312 SOKET HEAD CAP SCREW 4 M3-L12
X005 NB168SH0406 SOKET HEAD CAP SCREW 4 M4-L6
X006 NB168SH0514 SOKET HEAD CAP SCREW 1 M5-L14
X007 NB168SH0425 SOKET HEAD CAP SCREW 2 M4-L25
X008 NB168SH0518 SOKET HEAD CAP SCREW 3 M5-L18
X009 NB168SH0625 SOKET HEAD CAP SCREW 3 M6-L25
X010 NB168SH0316 SOKET HEAD CAP SCREW 8 M3-L16
X011 NB168HEX03 HEXAGON NUT 8 M3
X012 NB168HEX05L HEXAGON NUT 1 M5L
X013 NB168HEX05 HEXAGON NUT 1 M5
X017 NB168FG0409 FLAT WASHER 2 4-9-H1.0
X018 NB168FG0617 FLAT WASHER 3 6-17-H3
X019 NB168SS0305 SUNK SCREW 4 M3-L5
20 PARTS PROCESS SECT.(PARTS POSITIONING SECT.-1)
N212

20 PARTS PROCESS SECT.(PARTS POSITIONING SECT.-2)