NB168-Parts List 配件手册 - 第238页
序号 料号 部品名称 数量 规格 备注 013 NB16820100AA LEVER 1 014 NB16820101AA PIN 2 015 NB16820066AA SPRING 1 016 NB16820119VAA CUTTER 1 017 NB16820120VAA CUTTER 1 018 NB16820105AA SPRING 1 019 NB16820106AA SPRING HOOK 2 020 NB168NART6R…


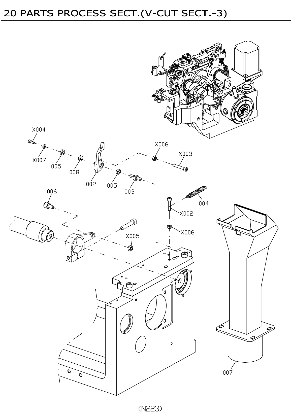
序号 料号 部品名称 数量 规格 备注
013 NB16820100AA LEVER 1
014 NB16820101AA PIN 2
015 NB16820066AA SPRING 1
016 NB16820119VAA CUTTER 1
017 NB16820120VAA CUTTER 1
018 NB16820105AA SPRING 1
019 NB16820106AA SPRING HOOK 2
020 NB168NART6RAA ROLLER FOLLOWER 2 NART6UUVR
021 NB168NP32AA GREASE NIPPLE 2 NP3.2X3.5
X001 NB168SH0310 SOKET HEAD CAP SCREW 4 M3-L10
X002 NB168SH0418 SOKET HEAD CAP SCREW 2 M4-L18
X003 NB168SS0405 SUNK SCREW 2 M4-L5
X004 NB168HEX04 HEXAGON NUT 2 M4
X005 NB168FG0412 FLAT WASHER 2 4-12-H1.5
20 PARTS PROCESS SECT.(V-CUT SECT.-2)
N222
