NB168-Parts List 配件手册 - 第250页
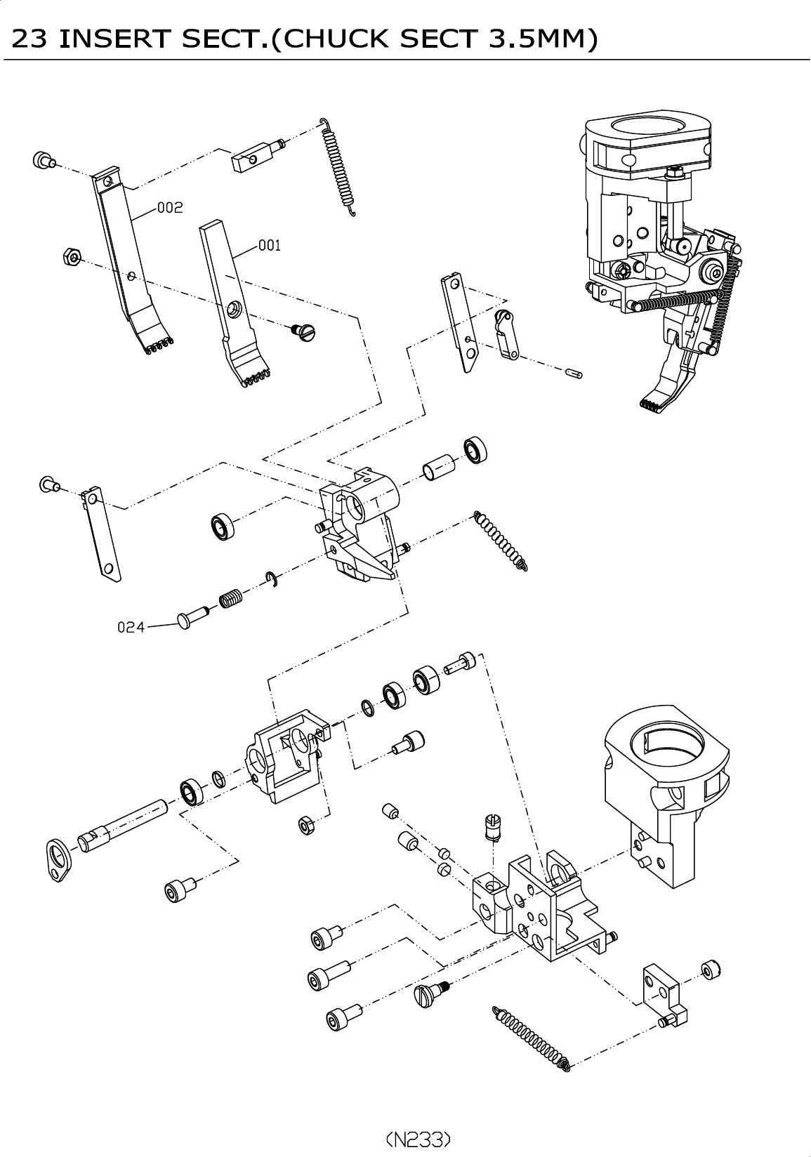
序号 料号 部品名称 数量 规格 备注 001 NB16823001AA CHUCK 1 002 NB16823002AA CHUCK 1 23 INS ERT SE CT.(CH UCK SE CT 3.5 MM) N234


序号 料号 部品名称 数量 规格 备注
001 NB16823001AA CHUCK 1
002 NB16823002AA CHUCK 1
23 INSERT SECT.(CHUCK SECT 3.5MM)
N234
