OM-1078-002 - 第218页
AHI01EGP From UA78-2ILB6:CN7 Note (d) Empty T ray Indicating LED Step 1 Empty T ray Indicating LED Step 2 Empty T ray Indicating LED Step 3 Empty T ray Indicating LED Step 4 Empty T ray Indicating LED Step 5 Empty T ray …

AHI01EGP
Tray Replenishment
SW Step 1
Tray Replenishment
SW Step 2
Tray Replenishment
SW Step 3
Tray Replenishment
SW Step 4
Tray Replenishment
SW Step 5
Tray Replenishment
SW Step 6
Tray Replenishment
SW Step 7
Tray Replenishment
SW Step 8
Tray Replenishment
SW Step 9
Tray Replenishment
SW Step 10
Tray Replenishment
SW Step 11
Tray Replenishment
SW Step 12
Tray Replenishment
SW Step 13
Tray Replenishment
SW Step 14
Tray Replenishment
SW Step 15
Tray Replenishment
SW Step 16
Note (b)
Note (c)
Power
Terminal 2
Power
Terminal 1
Note (d)
Tray Replenishment
SW Step 17
Tray Replenishment
SW Step 18
Tray Replenishment
SW Step 19
Tray Replenishment
SW Step 20
Tray Replenishment
SW Step 21
Tray Replenishment
SW Step 22
Tray Replenishment
SW Step 23
Tray Replenishment
SW Step 24
Tray Replenishment
SW Step 25
Tray Replenishment
SW Step 26
Tray Replenishment
SW Step 27
Tray Replenishment
SW Step 30
Tray Replenishment
SW Step 29
Tray Replenishment
SW Step 28
Return Position Missing
Pallet Detection (Right)
Return Position Missing
Pallet Detection (Left)
Note (e)
Note (c)
Notes: (a) Connection of Bonding Flat Cable (19 cores)(Internal 6 Colors Used)
(b) Surrounded by (broken line) is the wiring in the replenishment SW board.
(c) Surrounded by (broken line) is the wiring in the relay board.
(d) Power Terminal 1: One closer to A1 Power Terminal 2: One closer to A40
(e) Connection of Bonding Flat Cable (19 cores) (External 2 Colors Used)
Note (a)
I/O Board IO16
0311-002 B(M756WEV--2105) 5-16
I/O Board IO16 (1/2)
4.2 Electric Circuit Diagram for Each Section

AHI01EGP
From UA78-2ILB6:CN7
Note (d)
Empty Tray Indicating
LED Step 1
Empty Tray Indicating
LED Step 2
Empty Tray Indicating
LED Step 3
Empty Tray Indicating
LED Step 4
Empty Tray Indicating
LED Step 5
Empty Tray Indicating
LED Step 6
Empty Tray Indicating
LED Step 7
Empty Tray Indicating
LED Step 8
Empty Tray Indicating
LED Step 9
Empty Tray Indicating
LED Step 10
Empty Tray Indicating
LED Step 11
Empty Tray Indicating
LED Step 12
Empty Tray Indicating
LED Step 13
Empty Tray Indicating
LED Step 14
Empty Tray Indicating
LED Step 15
Empty Tray Indicating
LED Step 16
Note (b)
Note (e)
Shielded
Note (d)
Empty Tray Indicating
LED Step 17
Empty Tray Indicating
LED Step 18
Empty Tray Indicating
LED Step 19
Empty Tray Indicating
LED Step 20
Empty Tray Indicating
LED Step 21
Empty Tray Indicating
LED Step 22
Empty Tray Indicating
LED Step 23
Empty Tray Indicating
LED Step 24
Empty Tray Indicating
LED Step 25
Empty Tray Indicating
LED Step 26
Empty Tray Indicating
LED Step 27
Empty Tray Indicating
LED Step 28
Empty Tray Indicating
LED Step 29
Empty Tray Indicating
LED Step 30
READY PB LED
HOME POSITION
PB LED
Note (c)
Note (a)
Notes: (a) Connection of Bonding Flat Cable (19 cores) (External 2 Colors Used)
(b) Connection of Bonding Flat Cable (2 pairs)
(c) Surrounded by (broken line) is the wiring in the relay board.
(d) Surrounded by (broken line) is the wiring in the replenishment SW board.
(e) Attach this such that Type Indication 19-159.035 of replenishment switches -HD511
(-SPB511) through -HD540 (-SPB540) becomes visible from the upper surface
(components mounted) of the P.C.B. (viewed from the top).
I/O Board IO16
0311-002 B(M756WEV--2106) 5-17
I/O Board IO16 (2/2)
4.2 Electric Circuit Diagram for Each Section

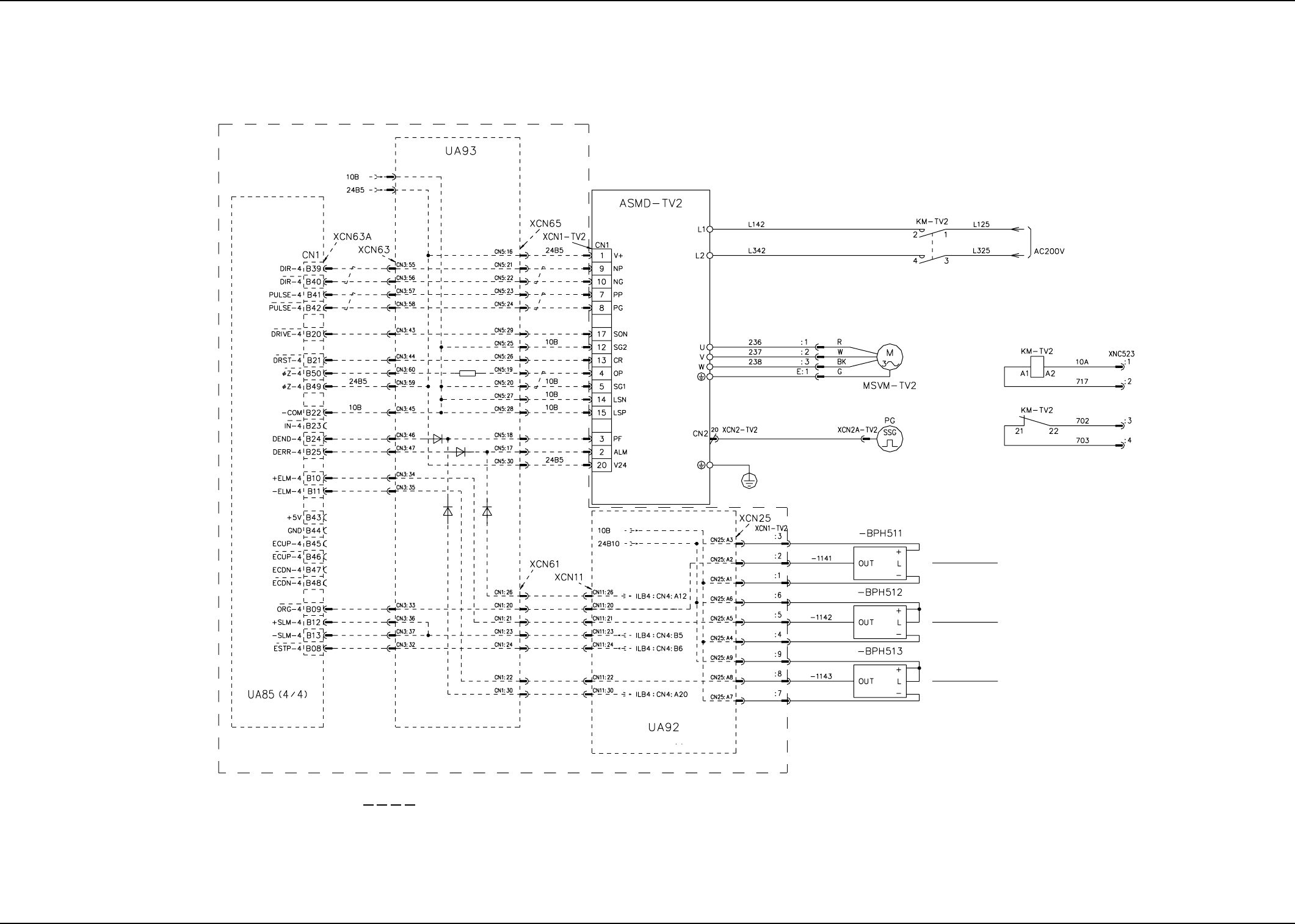
AHI01EGP
Traverse Shaft
Limit (+)
Note: (a) Surrounded by (broken line) are the wires connected to the main machine.
Note (a)
Motor Relay Board
Fourth Axis
Motor Controller 2
I/O Relay Board
Traverse Shaft Servomotor
Encoder
Main Circuit
Power Supply
Traverse Shaft
Origin
Traverse Shaft
Limit (-)
0109-001C(M756WTV--2101) 5-18
Tray 30 Steps TV2 Axis Motor Circuit Diagram
4.2 Electric Circuit Diagram for Each Section