OM-1078-002 - 第223页
AHI01EGP 1st Edition Issued Apr ., 2003 Copying Prohibited 2nd Edition Issued Nov ., 2003 Compiled and Distributed by 031 1-002

AHI01EGP
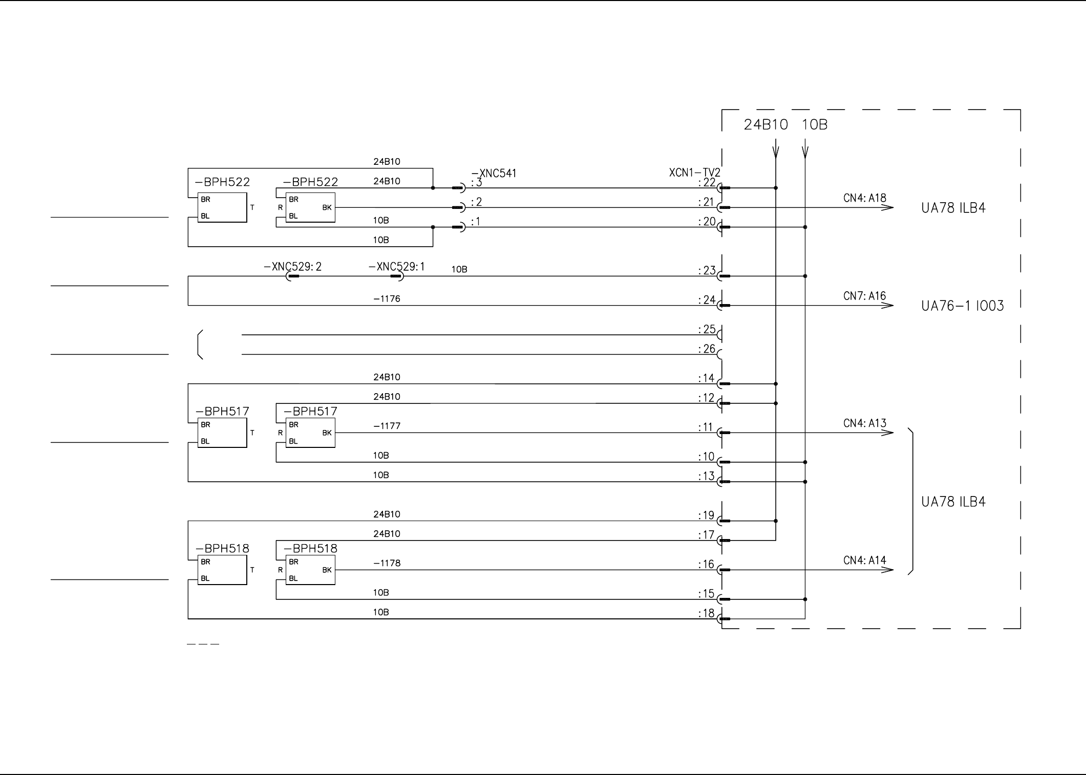
Note: (a) Surrounded by (broken line) are the wires connected to the main machine.
Mispicked Component
Detection (High)
Traverse 2 Connection
Check
Not Available
(Insulation)
Mispicked Component
Detection (Lower)
Mispicked Component
Detection (Upper)
Note (a)
0311-002 C(M756WTV--2103) 5-20
Tray 30 Steps Traverse Connection Diagram (2)
4.2 Electric Circuit Diagram for Each Section

AHI01EGP
0109-001 5-21

AHI01EGP
1st Edition Issued Apr., 2003 Copying Prohibited
2nd Edition Issued Nov., 2003
Compiled and Distributed by
0311-002