00191818-01 - 第5页
5 =NUDWN\ ↑ .RQVWUXNFHDXWRPD WX 6StQDþHD WODþtWNDQDDXWRPD WX a s d f g h j

4

5
=NUDWN\
↑
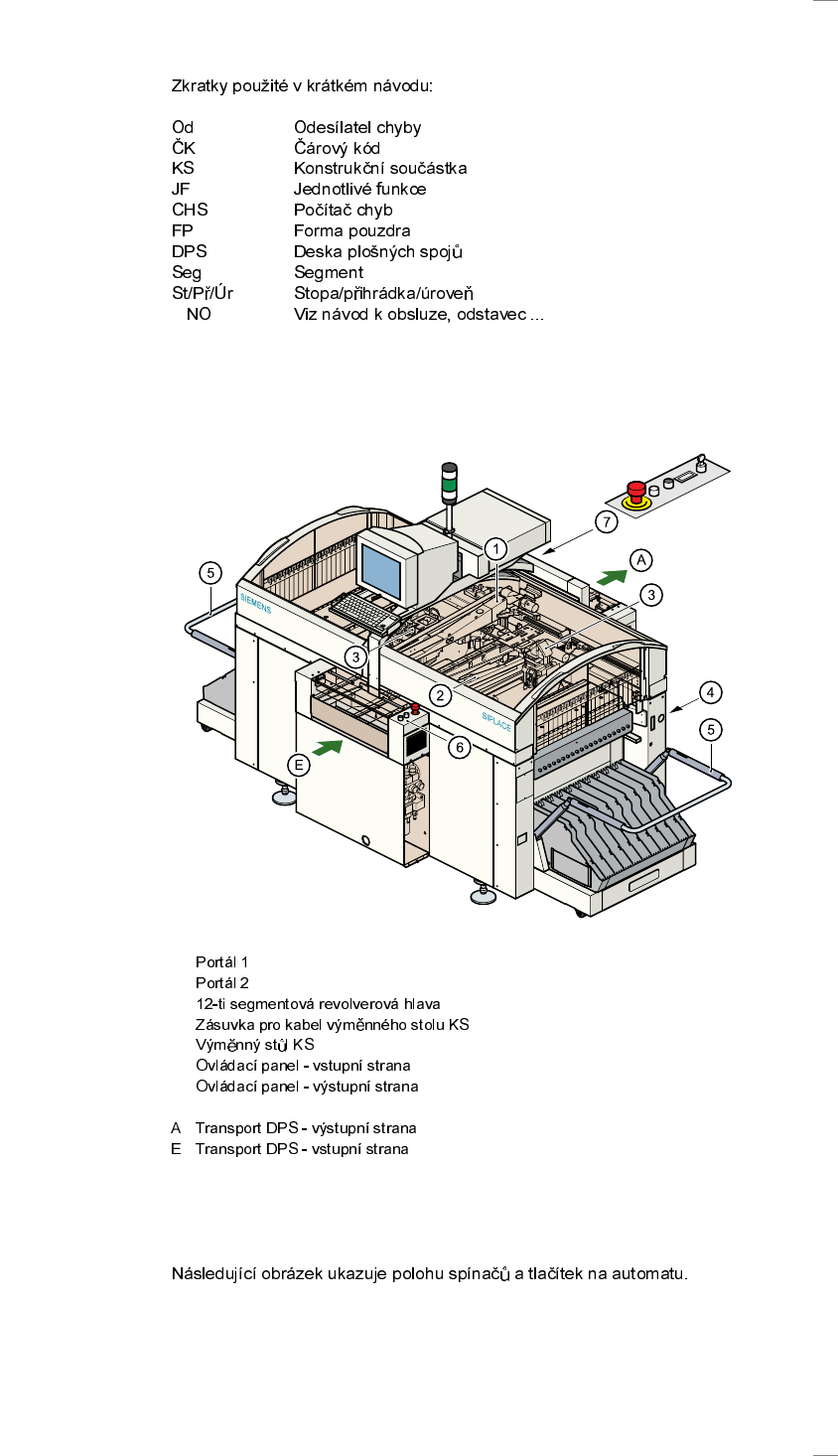
.RQVWUXNFHDXWRPDWX
6StQDþHDWODþtWNDQDDXWRPDWX
a
s
d
f
g
h
j

6
+ODYQtY\StQDþ
8]DP\NDWHOQêVStQDþ
7ODþtWNRVWRS
7ODþtWNRVWDUW
1RX]RYpVWRSWODþtWNRYHWYDUXK LEX
3RþtWDþVRXþiVWHN
a
f
s g
d h