PTS-FIFEEDER-20.pdf - 第93页
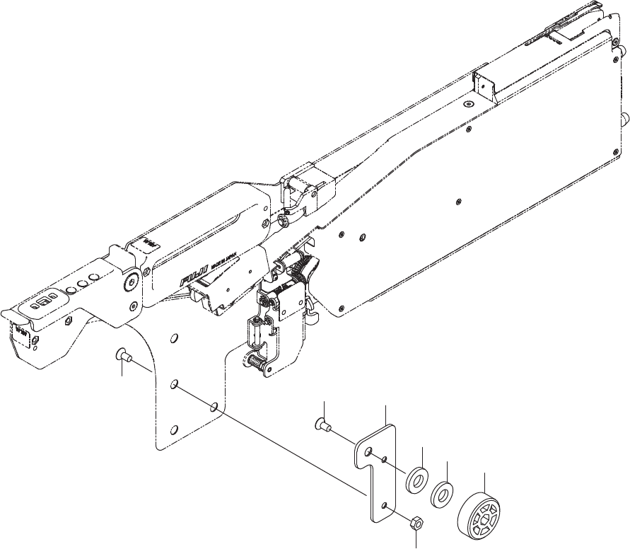
PARTS for BUCKET T YPE REEL HOLDER_W16c バケットタイプリールホルダ専用部品_W16c No. Drg.No. & Code No. QTY Description Rating Remarks 番号 図番 & コー ド番号 個数 品名 規格 備考 1 PH01324 1 GUIDE ガイド 2 2MDLFB026 600 2 SCREW, HEX SOCKET COUNTE RS…

1
2
ࣂࢣࢵࢺࢱࣉ࣮ࣜࣝ࣍ࣝࢲᑓ⏝㒊ရB:F
PARTS for BUCKET TYPE REEL HOLDER_W16c
92
PTS- FI FEEDER- 20

PARTS for BUCKET TYPE REEL HOLDER_W16c
バケットタイプリールホルダ専用部品_W16c
No. Drg.No. & Code No. QTY Description Rating Remarks
番号 図番 & コード番号 個数 品名 規格 備考
1 PH01324 1 GUIDE
ガイド
2 2MDLFB026600 2 SCREW, HEX SOCKET COUNTERSUNK
小ネジ 六角穴皿
93
PTS- FI FEEDER- 20

1
2
3
4
5
6
6
ࣂࢣࢵࢺࢱࣉ࣮ࣜࣝ࣍ࣝࢲᑓ⏝㒊ရB:I
PARTS for BUCKET TYPE REEL HOLDER_W16f
94
PTS- FI FEEDER- 20