NPM_Parts List V2_3_N7203A329B03 - 第245页
Ref No. Remark s R 1 Q'ty 20-A 交 換 台車駆 動部 (前 側 ):NPM Feeder cart drive unit(front side):NPM イラスト No. Part No. 品 名 品番 数量 R 2 パーツリスト Kit N o . キット品 番 Kit Name キット名称 N610073128AA Part Name 備 考 セクションNo. PARTS LIST Secti…

20-A
交
換
台車駆
動部
(前
側
):NPM
Feeder cart drive unit(front side):NPM
パーツレイアウト
Ki
t
N
o
.
キット
品番
Kit Name
キット名称
N610073128AA
セクションNo.
PARTS LAYOUT
Section No.
--
O137
( KN610073128AA-08-1 )

Ref
No.
Remarks
R
1
Q'ty
20-A
交
換
台車駆
動部
(前
側
):NPM
Feeder cart drive unit(front side):NPM
イラスト
No.
Part No.
品 名品番 数量
R
2
パーツリスト
Kit N
o
.
キット品
番
Kit Name
キット名称
N610073128AA
Part Name
備 考
セクションNo.
PARTS LIST
Section No.
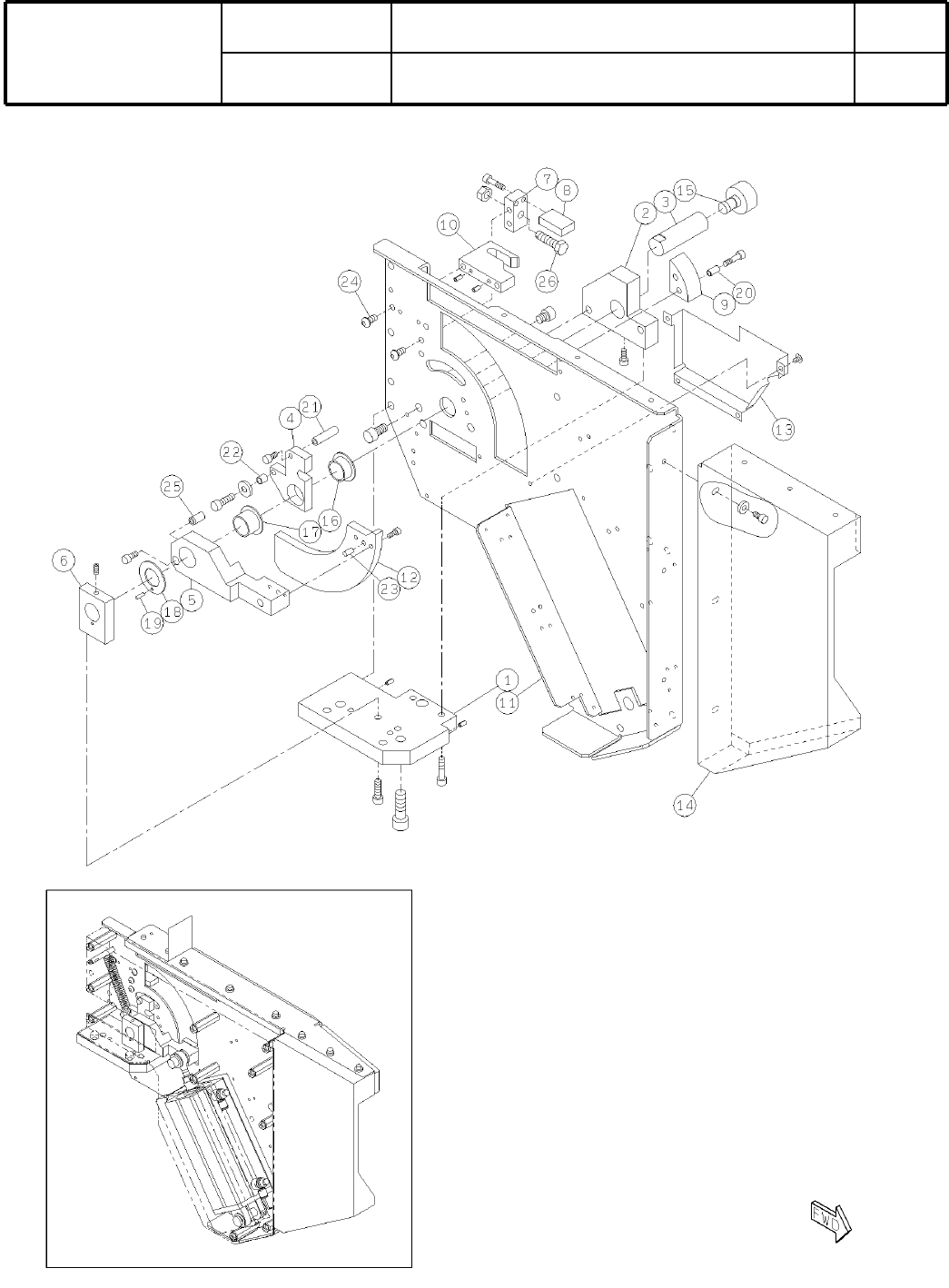
R
3
PLATE
1
1 N210091232AB
BLOCK
1
2 N210091233AA
SHAFT
1
3 N210091107AA
LEVER
1
4 N210103082AD
LEVER
1
5 N210103083AB
PLATE
1
6 N210091110AA
PLATE
1
7 N210103084AB
PLATE
1
8 N210091113AA
GUIDE
1
9 N210094054AB
GUIDE
1
10 N210103087AC
PLATE
1
11 N210105329AD
GUIDE
1
12 N210103090AB
COVER
1
13 N210103091AB
COVER
1
14 N210117399AB
CAM-FOLLOWER
1
15 N510036568AA CF-SFU-12B
BUSH
1
16 N510037242AA LFF-2010
BUSH
1
17 N510013369AA LFF-2015
WASHER
1
18 N510037241AA LFW-2015
PIN
1
19 N510020590AA MMS3-10
SPACER
2
20 N510038787AA 3382330-50120
DOWEL-PIN
1
21 N510038675AA 87MST8-30
SPACER
1
22 N510042412AA 3382330-60080
PIN
1
23 N510020607AA MMS5-10
BOLT
4
24 N510017555AA
SSS 003 Hexagon socket button head screw M6X12-10.9 A2J (Trivalent)
PIN
1
25 N510027277AA MMST8-15
STOPPER
1
26 N610078705AA
O138
--
( KN610073128AA-08-1 )

20-B
交
換
台車駆
動部
(前
側
):NPM
Feeder cart drive unit(front side):NPM
パーツレイアウト
Ki
t
N
o
.
キット
品番
Kit Name
キット名称
N610073128AA
セクションNo.
PARTS LAYOUT
Section No.
--
O139
( KN610073128AA-08-2 )