Sinictek_3D_SPI结构、电气手册- - 第8页
3DSPI 结构、电气手册 思泰克光电科技有限公司 P age 8 Copyright by Sinic-T ek V ision T echnol ogy Co., L td. 2.1压缩空气气路图 2.2气动件常用配件表 1 气缸 JC20B20 -M-SR1-11R 个 2 2 气缸 JC20B20 个 2 3 电磁阀 AM520-0 1-D9 个 2 4 过滤调压器 FR500C- 02G 个 1 5 节流…

3DSPI 结构、电气手册
思泰克光电科技有限公司
Page 7 Copyright by Sinic-Tek Vision Technology Co., Ltd.
1.5结构常用配件表
物料编号 零件名称 规格 数量
I510-0029
移动侧高度限制板
45#钢,表面发黑
1
I510-0030
固定侧高度限制板
45#钢,表面发黑
1
I510-0048
stopper挡块
45#钢,表面发黑
1
BZJ-LZQD26-2
输送带联轴器
LK5-C26-0810
2
BZJ-PPD2200*3*1.5
平皮带
2200*3*1.5
2
BZJ-S5M-1295-15
同步带
S5M-1295-15
1
I510-0059
小顶杆
45#钢,表面镀黑铬
4
I510-0057
顶杆管
黄铜
4
I510-0058
顶杆螺帽
黄铜
4
I510-0052
¢6导柱
钢,表面镀铬
4
BZJ-LZQD44
X轴联轴器
LK5-C44-1219
1
BZJ-LZQD34
Y轴联轴器
LK5-C34-1014
1
BZJ-LZQD26-1
Z轴联轴器
LK5-C26-0608
1
输送带机
构
顶杆机构
XYZ轴机构

3DSPI 结构、电气手册
思泰克光电科技有限公司
Page 8 Copyright by Sinic-Tek Vision Technology Co., Ltd.
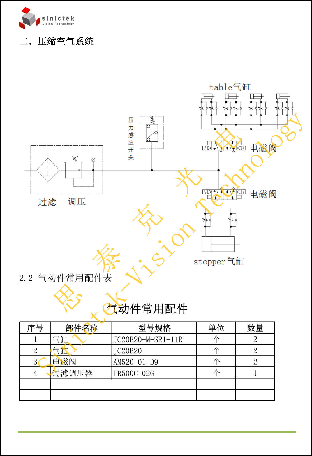
2.1压缩空气气路图
2.2气动件常用配件表
1
气缸 JC20B20-M-SR1-11R
个 2
2
气缸 JC20B20
个 2
3
电磁阀 AM520-01-D9
个 2
4
过滤调压器 FR500C-02G
个 1
5
节流阀 ISC4-M5
个 10
6
压力开关 MAL-07
个 1

3DSPI 结构、电气手册
思泰克光电科技有限公司
Page 9 Copyright by Sinic-Tek Vision Technology Co., Ltd.
3.1电源电路接线图