文档中心
/
EJM5B-E-WDBA-0001-A4
EJM5B-E-WDBA-0001-A4 - 第111页
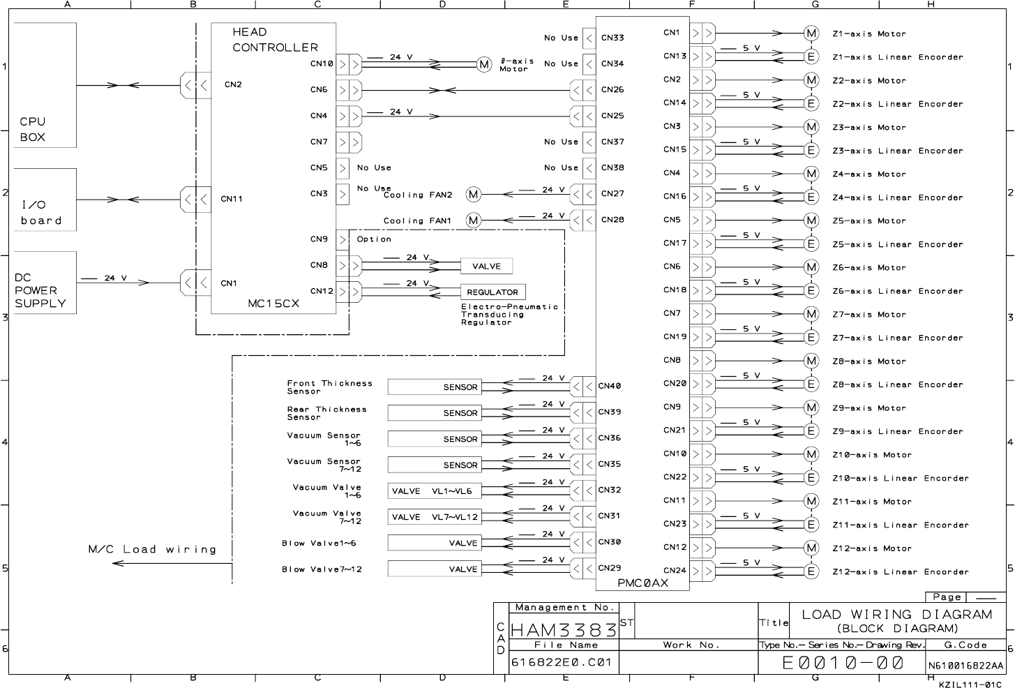
4. OPTION 4-2 12 NOZZLE HEAD WIRING DIAGRAM EJM5B-E-WDB0A-A00-00
目录
100%
显示:宽度
宽度
1 / 202
回到旧版
旧版
?
4. OPTION
4-2 12 NOZZLE HEAD WIRING DIAGRAM
EJM5B-E-WDB0A-A00-00
该页面需要启用 JavaScript 才能进行交互式预览。