文档中心
/
EJM5B-E-WDBA-0001-A4
EJM5B-E-WDBA-0001-A4 - 第134页
在线预览 EJM5B-E-WDBA-0001-A4 PDF 文档。
目录
100%
显示:宽度
宽度
1 / 202
回到旧版
旧版
?
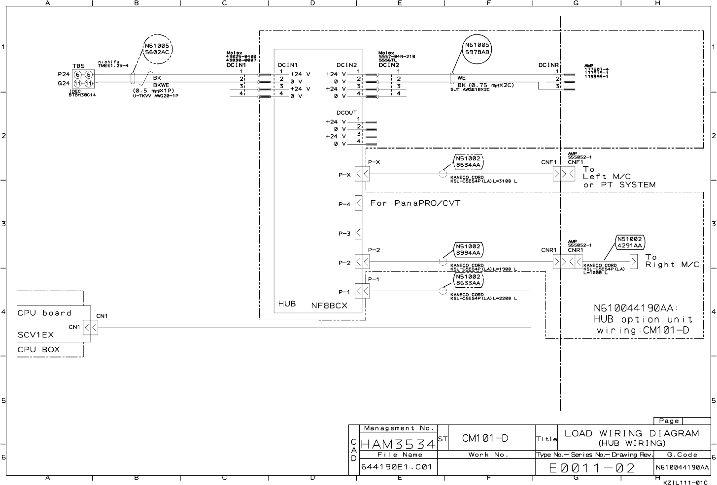
4. OPTION
4-6 HUB LOAD WIRING DIAGRAM
EJM5B-E-WDB0A-A00-00
4. OPTION
4-7 HUB POWER BOX
EJM5B-E-WDB0A-A00-00
该页面需要启用 JavaScript 才能进行交互式预览。