JX-300LED-Rev02.PDFA - 第112页
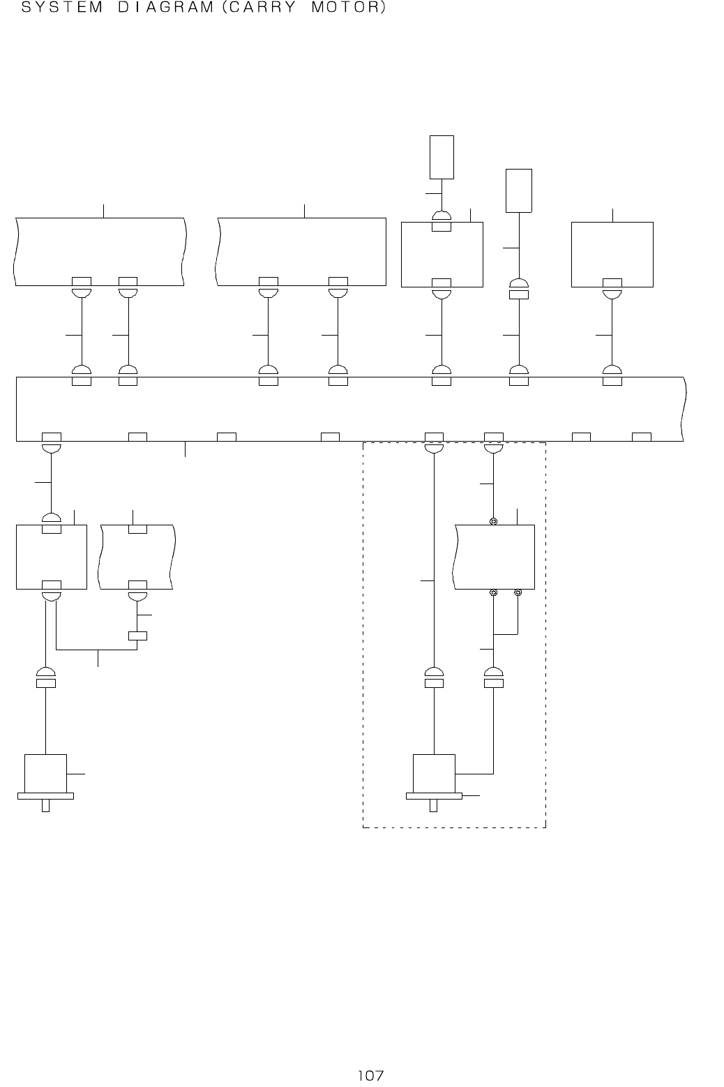
- - 54.S Y STEM D I A GRAM (C ARR Y MOTOR) LS 1 -4 CN 4 CN611 CN11 CN492 9 -4 B T H E R M A L S E N S O R P C B ( B A S E F R A M E ) CN6 2 7 CN 27 C A L V A C U U M S E N S O R CN669 CN6 3 0 CN 30 C A L P C B CN2 C N1…

- -
REF.NO NOTE PART NO D E S C R I P T I O N Qty
1 400-02244 BANK FR CABLE ASM 1
2 400-02243 BANK FL CABLE ASM 1
3 400-01951 BANK/FPI-F PCB ASM. 1
4 400-02088 BANK F CABKE ASM 1
5 400-01941 BASE FEEDER PCB ASM. 1
6 400-03265 SIGNAL TOWER ASM 1
7 400-02090 SIGNAL LIGHT CABLE ASM 1
8 400-02052 BASE MTC CABLE ASM 1
9 400-02104 MTC I/F(L) CABLE ASM 1
10 401-37805 FPI LED CABLE ASM B 1
11 E8626-729-0A0 FPI LED BOARD ASM. 1
12 401-37804 FPI LED CABLE ASM A 1
13 400-02087 FPI F CABLE ASM 1
14 400-01943 I/O CTRL PCB ASM. 1

- -
54.SYSTEM DIAGRAM (CARRY MOTOR)
LS1-4 CN4
CN611CN11
CN492
9-4B
T H E R M A L
S E N S O R P C B
( B A S E
F R A M E )
CN627CN27
C A L
V A C U U M
S E N S O R
CN669CN630CN30
C A L P C B
CN2
CN1
CAL S. V
CN491CN628CN28
LS3-1 CN1
CN626CN26
LS3-3 CN3
CN623CN23
B A S E F E E D E R P C B
( 4 / 4 )
A W C o p t i o n
FG
14-2B
7-1D
7-1B
CN496
POWER UNIT(5/6)
CN655 CN028 CN1
1-3D
CN660
AWC DRIVER(2/2)
CN659
A U T O W I D T H
A D J U S T M E N T M O T O R
CN32
CN34
CENTER MOTOR(L)
5PHASE DRIVER
CN2CN672
CN43
CN42
12-2A
LS1-6 CN6
CN635CN35
SAFETY PCB ASM(3/4)
CN36
CN671
CN636
CN633 CN33
CN631
CN31
C A R R Y P C B (1 / 2 )
CN1
1 1 - 3 A
1
4
3
7
9
1 0 1 1 1 2 1 3 1 4 1 5 2 0
1 8
1 7
1 6 1 9
2
6
5
8
2 52 4
2 22 1
2 3

- -
REF.NO NOTE PART NO D E S C R I P T I O N Qty
1 400-48075 JOINT MOTOR ASM 1
2 E9434-729-0A0 WIDTH ADJUST MOTOR ASM. 1
3 400-02100 CENT MOTOR PWR CABLE ASM 1
4 401-38560 CENT MOTOR CABLE ASM 1
5 400-02094 AWC ENC CABLE ASM 1
6 400-02176 AWC MOTOR CABLE ASM 1
7 400-02093 CENT MOTOR PULSE CABLE ASM 1
8 400-02096 AWC MOTOR PULSE CABLE ASM 1
9 401-37539 CARRY PCB ASM 300LED 1
10 400-45438 CENT-PM CTRL CABLE ASM 1
11 400-02078 CRY SAFE CABLE ASM 1
12 400-02075 CRY BASE CABLE ASM 1
13 400-02081 TEMP VAC CABLE ASM 1
14 400-02179 CAL BLOCK CABLE ASM 1
15 400-02180 CAL VCUM CABLE ASM 1
16 E8609-721-0A0 CAL BLOCK CIRCUIT BOARD ASM. 1
17 400-02125 CAL VCUM SV ASM 1
18 400-02126 CAL VACUUM SENSOR ASSY 1
19 400-29824 TEMPERATURE SENSOR PCB ASM 1
20 400-29825 BASE TEMP CABLE ASM 1
21 HM-0013200-00 MOTOR DRIVER 1
22 401-35748 POWER UNIT ST JX-300LED 1
23 HX-0042000-00 5 PHASE STEP DRIVER 1
24 401-35753 SAFETY PCB ASM JX-300LED 1
25 400-01941 BASE FEEDER PCB ASM. 1