JX-300LED-Rev02.PDFA - 第118页
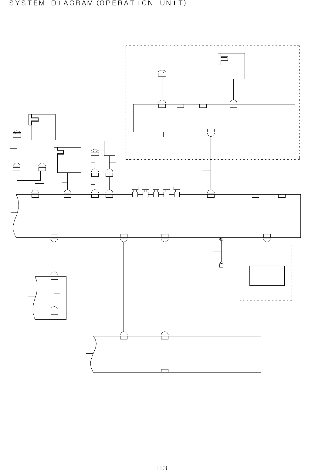
- - 57.S Y STEM D I A GRAM (O PER A TI O N UNIT) H O D o p t i o n C N 8 C N 6 1 2 - 1 A C N 2 C N 0 2 C N 1 8 C N 1 6 C N 1 6 L S 0 - 1 6 X Y R E L A Y P C B (5 / 5 ) L S 0 - 1 6 C N 2 5 L S 4 - 6 C N 6 C N 1 S W 9 S …

- -
REF.NO NOTE PART NO D E S C R I P T I O N Qty
1 400-44847 XY RELAY CABLE3 ASM 1
2 400-45444 XY-SAFETY I/F CABLE ASM 1
3 400-45268 SAFETY CABLE1 ASM 1
4 E9378-729-0A0 SMEMA CABLE (L) ASM. 1
5 400-02334 SMEMA CABLE (R) ASM 1
6 400-45269 SAFETY CABLE2 ASM 1
7 400-45270 SAFETY CABLE3 ASM 1
8 400-02202 SAFETY CABLE ASM 1
9 400-45445 PMDC L CABLE ASM 1
10 400-45446 PMDC R CABLE ASM 1
11 HM-0013200-00 MOTOR DRIVER 1
12 401-37708 OPERATION PCB ASM 1
13 401-38561 I/O MOTOR(L) CABLE ASM 1
14 401-38562 I/O MOTOR(R) CABLE ASM 1
15 400-48075 JOINT MOTOR ASM 1
16 400-44557 XY RELAY PCB ASM 1
17 401-35753 SAFETY PCB ASM JX-300LED 1

- -
57.SYSTEM DIAGRAM (OPERATION UNIT)
H O D o pt i on
C N 8
C N 6
1 2 - 1 A
C N 2C N 0 2
C N 1 8
C N 1 6C N 1 6 L S 0 - 1 6
X Y R E L A Y P C B (5 / 5 )
LS 0 - 1 6
C N 2 5
L S 4 - 6C N 6
C N 1
S W 9
S W 1 0
S W 5
S W 6
S W 1
1 2 - 3 B
9 - 1 C
I / O C O N T R O L P C B ( 4 / 4 )
L S 4 - 4C N 4
C N 1C N 7 0 1
C N 7
C N 5
C N 1 5C N 7 1 5
C N 3
C N 1 1C N 7 1 1
O P E R A T I O N P C B ( 2 / 2 )
H O D B O X
OPE-E11 0
F G - T A P
F R O N T
S E R V O F R E E S W
C Y C L E S W
C N 7 0 3
C O V E R O P E N S W ( R )
E M G S W _ R R
R C O V E R o p t i o n
C O V E R O P E N S W ( R )
C N 8
E M G S W _ R R
C N 6
C N 7
S F S W 0 0 7
S F S W
7 0 5 / 9 2 8
S F S W
0 0 5 / 9 2 8
S A F E T Y S W
C O V E R O P E N S W ( F )
C N 1C N 7 4 1
C N 7
E M G S W _ F R
C N 7 0 5
S T O P S W
S T A R T S W
O R I G I N S W
S W P CB
O P E R A T I O N
C N 5
C N 7C N 7
C N 2 C N 7 4 2
C N 6
C N 7 4 7
C N 7 4 2
7
9
4
6
1 0
1 3
3
1 5
1 4
1 21 1
5
3
3
2
1
8
1 7
1 8
1 6

- -
REF.NO NOTE PART NO D E S C R I P T I O N Qty
1 400-66604 SAFETY SWITCH RELAY CABLE ASM 1
2 400-02205 F-EMG SWITCH CABLE ASM 1
3 400-02254 COVER OPEN SWITCH CABLE ASM 1
4 400-44846 XY RELAY PCB ASM OPE - CN16 CA 1
5 400-68898 R-SW RELAY CABLE ASM 1
6 400-45440 OPEPANE PWR CABLE ASM 1
7 400-02197 RS232C CABLE ASM 1
8 400-02203 OP S P CABLE ASM 1
9 400-02207 OP FG CABLE ASM 1
10 E9649-729-000 HOD ASM. 1
11 400-68865 R-EMG SW CABLE ASM 1
12 400-68899 R-COP SW CABLE ASM 1
13 400-02204 R OP SWITCH CABLE ASM 1
14 400-01956 OPERATION SW PWB ASM. 1
15 400-02206 R-EMG SWITCH CABLE ASM 1
16 400-01943 I/O CTRL PCB ASM. 1
17 400-44557 XY RELAY PCB ASM 1
18 401-37708 OPERATION PCB ASM 1