JX-300LED-Rev02.PDFA - 第29页
- - REF.NO N OTE PART NO D E S C R I P T I O N Qty 1 401-35823 BO T TOM _ COVE R_ L ED_ASM 1 2 SM -3 06 10 5 2-TN SCREW M6 L = 1 0 (4) 3 WP-0 6 4 1 6 0 1 -SC W ASH ER (4) 4 400-26959 CO VER RBL (1) 5 SL-306123 2 -TN SC…

- -
12.COVER COMPONENTS (5)
1 7
9
6
1 0
3 5
3 0
3 2
3 3
3 4
4
2 0
2 0
2 0
2 0
1 9
2 6
1 8
3 6
1 8
2 1
3 0
3 0
3 9
3 9
3 9
1 7
3 9
3 9
3 5
3 5
3 1
3 1
3 1
2 7
5
2 9
1
1 6
8
2 8
2
3 7
3 7
3
2
3
1 4
1 3
1 5
1 2
9
1 1
7
2 2
2 3 2 4
3 8
2 5
4 1
4 0
4 4
4 3
4 5
4 2

- -
REF.NO NOTE PART NO D E S C R I P T I O N Qty
1 401-35823 BOTTOM_COVER_LED_ASM 1
2 SM-3061052-TN SCREW M6 L=10 (4)
3 WP-0641601-SC WASHER (4)
4 400-26959 COVER RBL (1)
5 SL-3061232-TN SCREW (4)
6 400-46590 COVER FB (1)
7 401-35480 COVER RBT_L (1)
8 401-37926 COVER SBL ASM JX-300LED (1)
9 SL-4033591-SC SCREW M3X35 (4)
10 400-46592 COVER SBL (1)
11 400-66540 BRAKE CAUTION LABEL (1)
12 SL-6040892-TN BOLT (1)
13 WP-0430801-SC WASHER 4.3X9X0.8 (1)
14 WS-0410002-KN SPRING WASHER (1)
15 NM-7040032-SC HEXAGONAL CAP NUT, TYPE 3 M4 (1)
16 SL-3061232-TN SCREW (5)
17 401-33768 DC FAN (2)
18 SL-3061232-TN SCREW (4)
19 400-17019 COVER RBC(E) (1)
20 168-70206 GRAVITY SEAL (4)
21 SL-3061232-TN SCREW (4)
22 SM-3051052-TN SCREW M5 L=10 (2)
23 400-01507 SETUP COVER (1)
24 B2585-220-000 CASSETTE PRESSER RUBBER MAGNET (2)
25 SL-4030899-1S SCREW (2)
26 400-46610 COVER RBR (1)
27 SL-3061232-TN SCREW (4)
28 401-37927 COVER SBR ASM JX-300LED (1)
29 400-46591 COVER SBR (1)
30 HM-0010100-10 FAN FILTER (3)
31 SL-4033591-SC SCREW M3X35 (6)
32 PJ-3081000-01 UNION Y (1)
33 SM-6040602-TN BOLT (1)
34 SL-6042592-TN SCREW (1)
35 401-33768 DC FAN (3)
36 SL-3061232-TN SCREW (4)
37 400-26955 CORNER COVER (2)
38 E1038-871-000 PLATEN LOCK CAM SCREW (2)
39 NM-6030001-SC NUT M3X0.5 TYPE1 10
40
#01
400-01517 INSIDE COVER F 1
41
#01
SL-4061091-SC SCREW 9
42
#01
HX-0050300-00 EMI GASKET 3
43
#01
400-01518 INSIDE COVER R 1
44
#01
SL-4061091-SC SCREW 5
45
#01
HX-0050300-00 EMI GASKET 1.9

- -
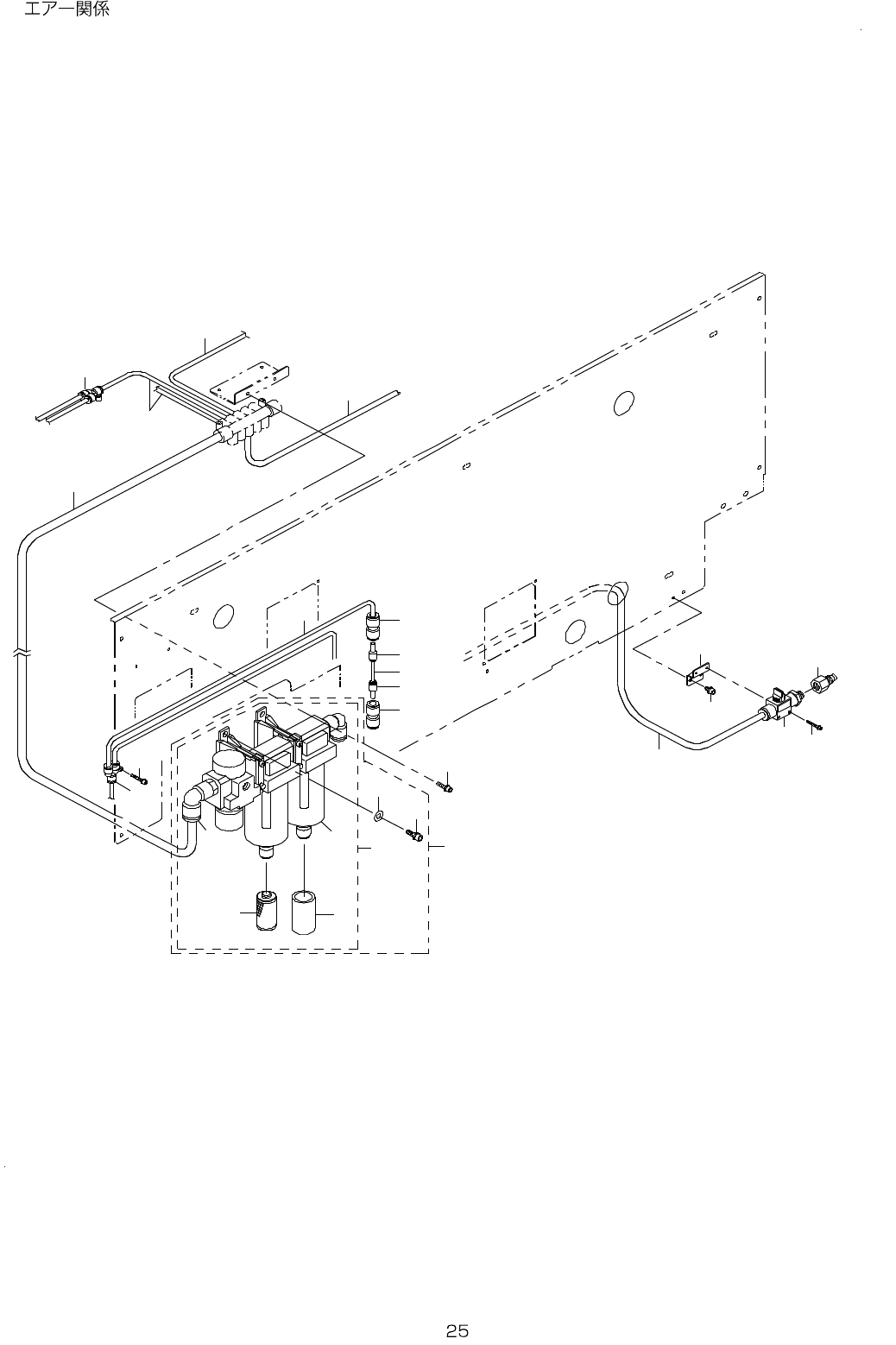
13.AIR COMPONENTS
2 3
1 9
2 0
1 0
1 3
1 2
1 6
2 2
1 5
1 8
1 1
1 2
1 7
1 7
9
9
1 4
1 2
2 1
2 1
2
3
7
8
1
6 5
4