JX-300LED-Rev02.PDFA - 第83页
- - RE F .NO N OTE PART NO D E S C R I P T I O N Qty 1 P F-0154 010 - A0 AI R FILT ER 1 2 P F-9010 070 - 00 FI LT ER ELEMENT ( 1 ) 3 B T-1200 801 - EF TUBE 2 4 #01 SL-60616 92- T N BO L T 2 5 4 00-16815 DR A I N T AN K…

- -
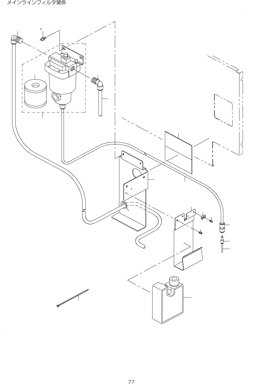
39.MAIN LINE FILTER COMPONENTS
1 5
1 4
1 6
1 7
7
8
1 3
1 1
9
6
1 8
5
1 2
1 9
3
2
1
4 1 0
1 9

- -
REF.NO NOTE PART NO D E S C R I P T I O N Qty
1 PF-0154010-A0 AIR FILTER 1
2 PF-9010070-00 FILTER ELEMENT (1)
3 BT-1200801-EF TUBE 2
4
#01
SL-6061692-TN BOLT 2
5 400-16815 DRAIN TANK 1
6 BT-1000651-EB POLYURETHANE TUBE 0.8
7 PJ-3031000-02 STRAIGHT 1
8 PJ-3090400-03 REDUCER 4-10 1
9 BT-0400251-EA TUBE HOSE, BLUE 0.16
10 SL-6082092-TN BOLT 2
11 400-55291 FILTER BRACKET 1
12
#01
HX-0005500-0J RUBBER BUSHING 1
13 E1387-700-000 HOD MAGNET 2
14 400-55290 DRAIN TANK STAY 1
15
#01
SL-6040892-TN BOLT 2
16 HX-0029400-00 FIXED BASE 1
17 SM-4040601-SC SCREW M4X0.7 L=6 1
18 EA-9500B01-00 CABLE BAND 1
19 PJ-3041254-01 ELBOW UNION D=12 2

- -
40.VACCUM PUMP UNIT
2 3
2 4
2 9
2 8
3 1
3 2
2 1
3 4
3 0
3 6
3 7
3 8
4 0
3 5
4 1
4 2
4 4
4 5
4 5
3 3
2 5
2 0
3 9
4 3
8
1 8
1 9
1 5
1 4
1 7
1 6
1 3
1 1
1 0
5
6
7
2
1
3
1 2
4
9
2 7
2 2
2 6
2 6
4 6
4 7 4 8
4 9
5 0
5 1
5 2 5 3