JX-300LED-Rev02.PDFA - 第95页
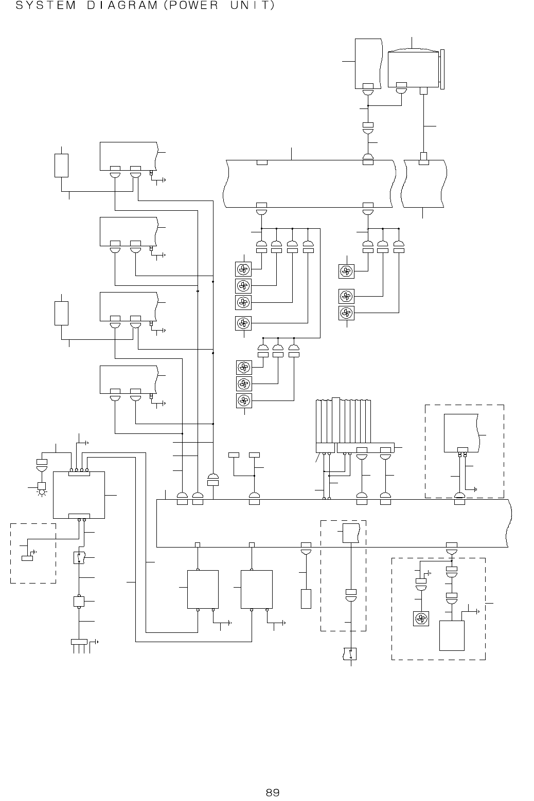
- - REF.NO NOT E P ART NO D E S C R I P T I O N Q ty 1 400 -0 20 55 B R EAKER INP U T CA B L E AS M 1 2 HA - 0053200 - 0 0 C I R CUIT P ROTECTOR 1 3 400 -0 20 67 B R EAKER OUT CAB LE A S M 1 4 HA - 0053800 - 0 0 S W IT…

- -
45.SYSTEM DIAGRAM (POWER UNIT)
7 - 1 A
1 - 3 C
LS5-3
CN3
IN
V C S ( O C S )
M O N I T O R
F - L C D
P W R
D C 1 2V
C N 0 1 5
1 5 - 4 A
F R O N T L C D
M O N I T O R ( 1 / 2 )
C N 0 1 5
F A N _ L 2
F A N _ L 1
F A N _ Y L
P W R 3 0
C N 0 3 0
F A N _R 1
F A N _R 2
F A N _R 3
F A N _ Y R
F A N _ C N 1
F A N _ C N 2
A W C o p ti o n
V A C U U M P U M P O P T I O N
M T S o pt i o n
C N 0 6 9
C & N K H 2 0 B T 1 0 3 / 1 7
4 - 2 A
6 - 4 B(1 / 2)
F G
F G
I E E E 1 39 4 B O A R D
C N 0 1 4
P W R 2 9
C N 1 3 C N1 3
V A C U U M P U M P
C N 0 8 0
C N 0 6 8
1 0 - 2 C
C N 0 0 5
A W C D R I V E R ( 1 / 2 )
F 6 E
T B
R 8 E
M T S P W R ( L )
C N 0 6
C N 0 6 0
P W R
L A M P
2 - 3 C
X R
X R S E R V O
A M P ( 1 / 4 )
M R - J 3 - 7 0 B - R J 0 2 4
F 2 E
E
C N P 2
C N P 1
(1 / 4) 9 - 2 A
(1 / 4)
(1 / 4)
(1 / 2)
(1 / 3)
(1 / 2)
(1 / 3)
(1 / 5) 2- 2 A
7 - 1 A
7 - 1 B
7 - 1 B
1 - 4 D
2 - 3 A
1 4 - 2 A
2 - 3 D2 - 3 B
2 - 3 C
1 4 - 2 B
1 - 2 A
1 - 1 C
1 - 2 D
1 - 4 B
R 5 E
C P U
O U T M O T E R
D R I V E R
1 2 - 4 C
C N 0 31C N 0 3 1 C N 6 5 5 ( R )
I N M O T E R
D R I V E R
1 2 - 4 B
C N 6 5 5 ( L )
C P C I B A CK
B O A RD
T B 2
T B 1
B A S E - F E E D E R
X Y R E L A Y
L I G HT C T R L
I / O C T R L
S A F E T Y
I P - X 3 R A
B U S -B R I D G E
P O S IT I O N B O A R D
Y R
Y R S E R V O
A M P ( 1 / 4 )
M R - J 3 - 2 0 0 B - R J 0 2 4
F 3 E
E
C N P 2
C N P 1
X L
X L S E R V O
A M P ( 1 / 4 )
M R - J 3 - 7 0 B - R J 02 4
F 4 E
E
C N P 2
C N P 1
C N 0 0 1
C N 0 5
M A I N
S W ( 2 / 2 )
T B 2
A C 2 0 0 V
I N P U T
Y L
F A N _ C N 3
Y L S E R VO
A M P ( 1 / 4 )
M R - J 3 - 2 0 0 B - R J 0 0 2 4
P O WE R U N I T ( 1 / 6 )
C N 0 27
C N 0 24
C N 0 1 0
P O W E R U N I T ( 2 / 6 )
C N 0 2 9
H O U R M E T E R C N 0 1 0
C N 2
C N 1
R E M O R T S W
U P S ( 1 / 2 )
C N 2 7
C N 2 4
F 5 E
E
C N P 2
C N P 1
C N 0 9 9
C N 0 0 2
T B 1
C N 0 96
R 7 E
T F 2 ( A C T R A N S )
R 6 E
T F 1 ( D C T R AN S )
A C I N P U T U N I T
T B 1
M A I N
S W ( 1 / 2)
N F B 1
3 0 A
P E
F G
L 3
L 2
L1
F - L C D
M O N I
P W R
I P - X 3 R A P C B ( 2 / 3 )
U P S o p t i o n
1
2
3
4
5
6
9
8
1 0
1 1
1 2
1 3
1 4 1 6
1 5 1 7
1 8
2 0
1 9
2 2
3 3
3 5
3 7
3 6
3 2
3 4
2 1
2 3
2 4
2 5
2 6
3 13 0
2 7
2 8
2 9
3 9
4 0
4 2
4 4
4 5
4 7
4 8
R E G 1
M R - R B 1 2
3 8
4 6
4 9
4 4
5 5
4 7
4 6
5 6
R E G 2
M R - R B 1 2
5 7
5 7
5 7
5 7
5 7
C O N T R O L U N I T T OP F A N
B A S E F A N R
B A S E F A N L Y R M O T O R F A N
Y R M O T O R F A N
5 1 5 2
4 1
7
5 3
4 3
5 0
5 8
5 4
2 1

- -
REF.NO NOTE PART NO D E S C R I P T I O N Qty
1 400-02055 BREAKER INPUT CABLE ASM 1
2 HA-0053200-00 CIRCUIT PROTECTOR 1
3 400-02067 BREAKER OUT CABLE ASM 1
4 HA-0053800-00 SWITCH 1
5 400-02064 MAIN SW OUTPUT CABLE ASM 1
6 400-02062 MTC POWER WIRE L ASM 1
7 401-37822 F-LCD/VCS MONITOR PWR CABLE ASM 1
8 E9221-729-0A0 PWR ON LIGHT ASM. 1
9 400-00481 AC INPUT UNIT 1
10 400-02061 POWER ON LAMP RELAY CABLE ASM 1
11 400-02056 INPUT UNIT FG CABLE ASM 1
12 400-02060 TF2 INPUT CABLE ASM 1
13 400-02059 TF1 INPUT CABLE ASM 1
14 400-40378 TRANSFORMER(PSU) 1
15 400-02057 TF1 FG CABLE ASM 1
16 400-40379 TRANSFORMER(SERVO) 1
17 400-02058 TF2 FG CABLE ASM 1
18 400-02115 HOURMETER ASM 1
19 HA-0053800-00 SWITCH 1
20 400-02101 UPS SW CABLE ASM 1
21 401-35748 POWER UNIT ST JX-300LED 1
22 400-95745 UPS 1
23 400-45391 XY SV PWR CABLE ASM L 1
24 400-45392 XY SV PWR CABLE ASM R 1
25 400-45489 XY CTRL PWR CABLE ASM 1
26 400-45448 I/O PMD PWR CABLE ASM 1
27 400-02327 PS CTRL POWER CABLE ASM 1
28 400-02330 CPCI CTRL POWER CABLE ASM 1
29 400-03283 VME BACK PCB ASM 1
30 400-02328 BACKBOARD MONITOR CABLE ASM 1
31 400-02329 BACKBOARD SIGNALCABLE ASM 1
32 400-60925 VACUUM PUMP UNIT 70 1
33 400-54705 VAC FAN CABLE ASM 1
34 400-45490 VAC PUMP PWR RELAY CABLE ASM 1
35 400-99547 VACUUM_PUMP_ASM 1
36 400-99553 VAC_PUMP_FG_CABLE_ASM 1
37 401-03162 VAC PUMP PWR CONVERSION CABLE ASM 1
38 400-54887 XL_MOTOR_RB_CABLE_ASM 1
39 400-45423 AWC DRV PWR CABLE ASM 1
40 400-45425 AWC DRV FG CABLE ASM 1
41 E9623-721-000 PORTRAIT MONITOR CABLE 1
42 HX-0042000-00 5 PHASE STEP DRIVER 1
43 401-02599 8.4 LCD MONITOR(CE) 1
44 400-44539 SERVO AMP 2000W 1
45 400-45388 YL DRV FG CABLE ASM 1
46 400-54885 REGENERATIVE RESISTOR 1
47 400-44538 SERVO AMP 750W 1
48 400-45387 XL DRV FG CABLE ASM 1
49 400-45390 YR DRV FG CABLE ASM 1
50 L910E-021-000 CPCI BACKBOARD 1
51 401-36128 YR FAN CABLE ASM 1
52 401-36129 YL FAN CABLE ASM 1
53 400-45442 F-LCD PWR CABLE ASM 1
54 401-22812 15INCH LCD MONITOR 1
55 400-45389 XR DRV FG CABLE ASM 1
56 400-54888 XR_MOTOR_RB_CABLE_ASM 1
57 401-33768 DC FAN 10
58 400-52359 IP-X3R ASM A 1

- -
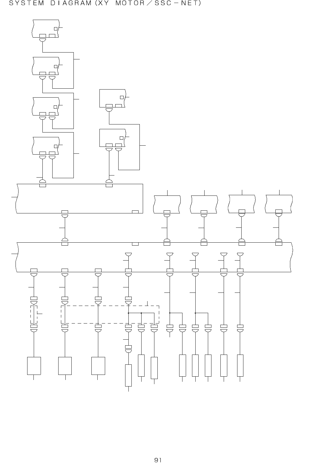
46.SYSTEM DIAGRAM (XY MOTOR/SSC-NET)
CN 1 3 9
Y B E A R CA B L E S
X Y BE A R C A B L E S
L S 0 - 9
L S 0 - 7
L S 0 - 3
L S 0 - 2
L S 0 - 1
4 - 4 B4 - 4 A
3- 2C
3 - 2 A
3 - 2 B
1 - 4 B
1 - 3 B
1 - 4 B
1 - 3 B
2 - 4 A
2 - 5 A
2 - 4 A
2 - 5 A
C N 1 3 L S 0 - 1 3 Y R C N 2 L C N 2 L
C N 1 2 L S 0 - 1 2 Y L C N 2 L C N 2 L
CN11 L S0 - 1 1 X R C N 2 L C N 2 L
CN 1 0 L S 0 - 1 0 X L C N 2 L C N 2 L
Y R S E R V O
A M P ( 2/ 4 )
M R - J 3- 2 0 0 B - R J 0 2 4
YL S E RV O
AM P ( 2 / 4 )
MR - J 3 - 2 0 0 B - R J 0 2 4
XR S E R V O
AM P ( 2 / 4 )
MR - J 3 - 7 0 B - R J 0 2 4
XL S E R V O
AM P ( 2 / 4 )
MR - J 3 - 7 0 B - R J 0 2 4
C N 8
C N 6
CN 1 4 2
M A G N E T I C
S C A L E
Y
S E N S O R
U N I T
C N 1 3 4
LS 0 - 8
CN 1 4 1
M A G N E T I C
S C A L E
Y
S E N S O R
U N I T
C N 1 3 3
LS 0 - 6
C N 5
CN 1 7 6
M A G N E T I C
S C A L E
X
S E N S O R
U N I T
C N 1 7 5
LS 0 - 5
C N 1 4 0
Y R O R G S E N S O R
L S 0 - 9
CN 1 3 6
Y L O R G S E N S O R
L S 0 - 7
+Y L I M I T ( F E E D E R )
SE N S O R
CN 1 3 8
C N 1 3 2
Z T A C N 1 B
Z T A C N 1 A
I D
0
CN 1 B
CN 1 A
Z T A S E R V O
A M P ( 1 / 4 )
M R - M D 1 0 0
C N 1 B
C N 1 A
ID
1
Z T B S E R V O
A M P ( 1 / 4 )
M R - M D 1 0 0
P C K 2 0 2 H P X - F 0 7 - 7 m
3 - 2 B
2 - 3 D
I D
3
Y R S E R V O
A M P ( 3 / 4 )
M R - J 3 - 2 0 0 B - R J 0 2 4
C N 1 B
C N 1 A
2 - 3 D
I D
2
CN 1 B
CN 1 A
Y L
Y L S E R V O
A M P ( 3 / 4 )
M R - J 3 - 2 0 0 B - R J 0 2 4
M R - J 3 B U S 0 15 M
CN 1 4 3
CN 1 3 7
C N 1 3 0
CN 1 3 1
CN 1 5 6 C N 1 2 7
L S 0 - 3
L S 0 - 2
L S 0 -1
C N 9
C N 7
C N 3
C N 2
C N 1
Y N E A R S E N S O R
- Y L I M I T
S E N S O R
- X L I M I T
S E N S O R
+ X L I M I T
S E N S O R
X N E A R S E N S O R
1 - 3 C
2 - 3 C2 - 3 C
1 1 - 4 C
1 - 3 C
2 C H
X R
ID
1
X R S E R V O
A M P ( 3 / 4 )
M R - J 3 - 7 0 B - R J 0 2 4
CN 1 B
CN 1 A
C N 1 B
C N 1 A1C H
C N 4 - 2 2 C H
Y RX L
ID
0
X L S E R V O
A M P ( 3 / 4 )
M R - J 3 - 7 0 B - R J 0 2 4
X Y R E L A Y
P C B ( 2/ 5 )
L S 0 - 4 - 1CN 4 -1 M C C N 1 C H 1 C H
P O S I T I O N
B O A R D ( 1 / 2 )
M R - M C - 1 2 1 - S 0 1
M R - J 3 B U S 1 M
MR - J 3 B U S 0 1 5 MM R - J 3B U S0 1 5 M
1 4 4
2
5
3 6 8 1 1
2 5 2 6
2 4
1 0
9
1 2
1 3
1 5 1 7 1 8 2 0 2 1
7
1 6 1 9 2 2 2 3
2 7 2 8 2 9
3 0 3 2 3 3
3 4 3 5
3 6 3 6
3 7 3 7
3 8
3 7
4 0
3 6
3 7
3 6
4 0
4 0
3 1
4 0
MR - J3 B U S0 1 5 M
3 1
ZT B CN 1 A
1 4
3 9