CX-1_维修调整 - 第78页
Rev2.2 维修调整要领书 4- 2 . CCD 摄像机 、 镜头组件的更换 1) 4-1 . OCC 配件的更换 要领,从摄像机板上卸下摄像机配件 。 2) 卸下固定 CCD 架 、 镜头架 、 镜头的带垫片六角孔螺栓,进行更换。 3) 将摄像机从箭头方向拔出。安装时,请按照相反的顺序进行。 如果附带可选 R 贴装头,镜头座的垫片要从 A ~ D 中挑选使用,避免镜头受到负荷。 4) 更换后,请进行焦点调整 、MS 参数输入。 ( …

Rev2.2
维修调整要领书
危险 为了防止突然的起动造成的事故,请关掉电源之后在进行操作。
4
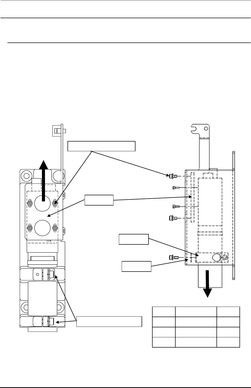
OCC装配
4- 1.OCC装配件更换
1) 拆卸①带垫片的六角孔螺栓,卸下摄像机支架D。
2) 装配摄像机时,带垫片的六角孔螺栓②、照明装配请用带垫片六角孔螺栓③进行固定。卸下插头类,
卸下各安装螺丝进行更换。
3) 安装时,请按照相反的顺序进行操作。
4) 摄像机装配件,在焦点调整、MS参数输入、照明配件更换后,进行偏光滤光镜、OCC照明调整。(参
照 4-8 更换后的调整一览)
图 4-1-1 OCC 组件
标准机 左右 OCC
附带 R 贴装头选购件 右 OCC
摄像机组件
L:40034250
R:40034251
摄像机托架 D
①带垫片六角孔螺栓
(×4)
CA 照明组件
③ 带垫片六角孔螺栓
(×2)
②带垫片六角孔螺栓(×4)
摄像机组件
4001212
4-1

Rev2.2
维修调整要领书
4- 2.CCD摄像机、镜头组件的更换
1)
4-1.OCC 配件的更换
要领,从摄像机板上卸下摄像机配件。
2) 卸下固定 CCD 架、镜头架、镜头的带垫片六角孔螺栓,进行更换。
3) 将摄像机从箭头方向拔出。安装时,请按照相反的顺序进行。
如果附带可选 R 贴装头,镜头座的垫片要从 A~D 中挑选使用,避免镜头受到负荷。
4) 更换后,请进行焦点调整、MS参数输入。(参照 4-8 更换后的再调整一览)
图 4-1-2 CCD 相机、镜头的更换
带垫片六角孔螺栓(×4)
CCD 架
带垫片六角孔螺栓(×2)
标准机 左右 OCC
附带 R 贴装头选购件 右 OCC
镜头架
垫片 A~D
垫片 A 40001310 t0.05
垫片 B 40001311 t0.1
垫片 C 40001312 t0.3
垫片 D 40001313 t0.5
4-2

Rev2.2
维修调整要领书
4- 3.OCC 垂直/角度照明电路板组件的更换
1) 按照 4-1. OCC
配件的更换
要领,从头板卸下照明配件。
2) 卸下圆头螺丝①,更换 OCC 同轴照明电路板组件。
3) 卸下带垫片六角孔螺栓②,更换 OCC 角度照明电路板组件。
4) 安装时,请按照相反的顺序进行。
5) 更换后,请进行照明滤光器 U、OCC 灯光的调整。(参照 4-8 更换后的重新调整一览)
图 4-3-1 OCC 垂直/角度照明电路版的更换
①圆螺丝(×2)
②带垫片六角孔螺栓
(×4)
同轴照明电路版
角度照明电路版
4-3