TR8S_TR8SR-Rev03 - 第43页
- 40 - NOTE( 注記 ) #01....FOR TR8S TR 8 S 用 #02....F OR TR8SR TR 8 SR 用 REF. NO NOTE PAR T NO D E S C R I P T I O N 品 名 Q ty 1 HD -0017 000 -00 SENS OR フォトインタラプ タ 1 2 #01 401-53 404 Y LIMIT+ SEN SOR CA BLE ASM Y LIMIT +セン…

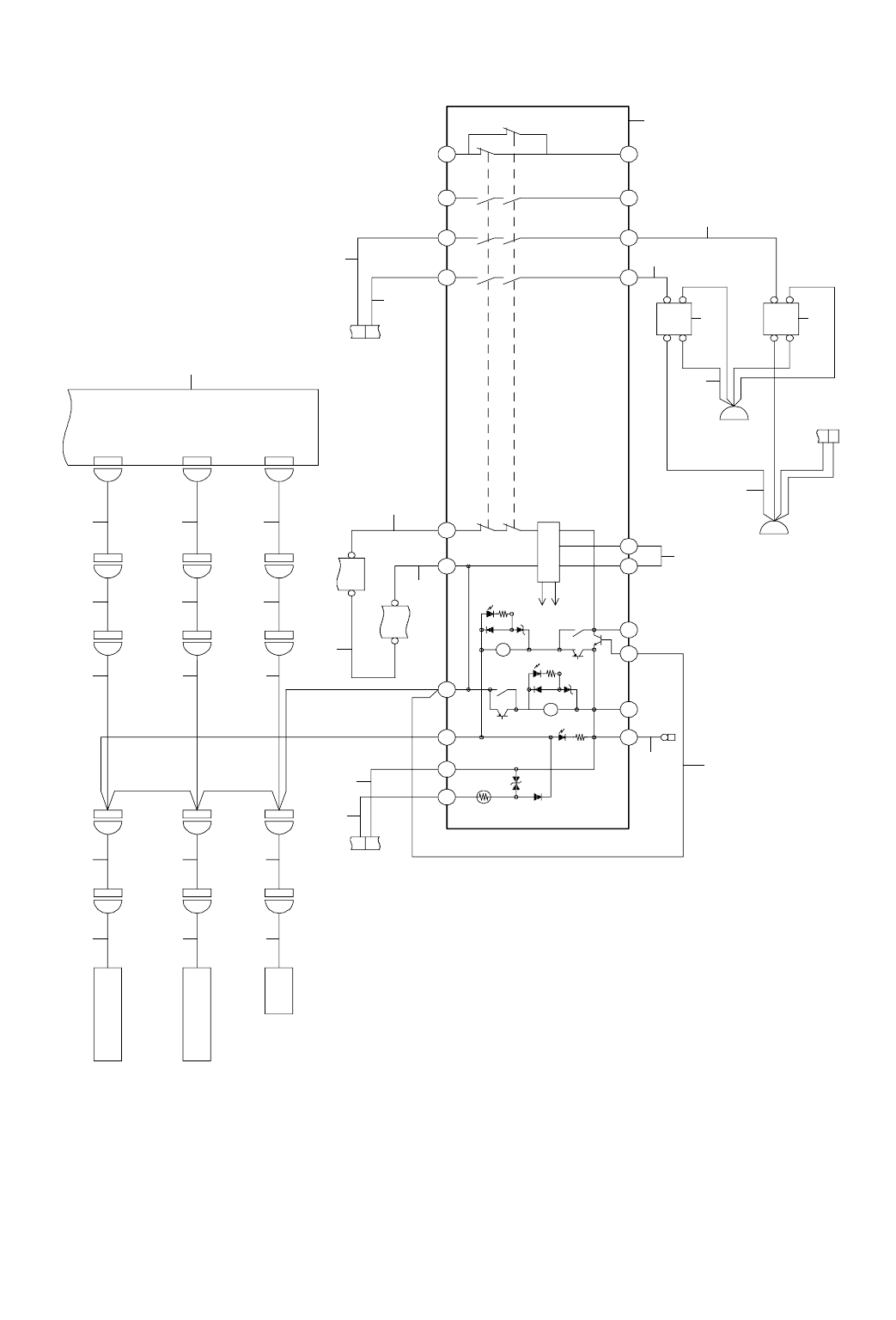
- 39 -
20. SYSTEM DIAGRAM (3)
SYSTEM DIAGRAM(3)
4_3A
CN422
SSTK
ANTENNA ARRAY15
CN153
CN154
ANT S2
MSTK
ANTENNA ARRAY15
STK M POSI
SENSOR
CN32
STK S POSI
SENSOR
2_5C
SLOW MODE 2 S.V
(TRAY HOLD 2)
CN126
CN1331
FEEDER FLOAT
(EMITTER)
FEEDER FLOAT
(RECEIVER)
CN1333
CMPNT 36
5
(RECEIVER)
CN101
CMPNT 36
5
(EMITTER)
CN100
CMPNT 10
5
(EMITTER)
CMPNT 23
5
(RECEIVER)
CN099
CMPNT 23
5
(EMITTER)
CMPNT 10
5
(RECEIVER)
CN098
FAN(YA)
CN038
TRAY HLD S.V
CN036
TRAY SENSOR-
TRAY SENSOR+
TRAY RLS S
SENSOR
TRAY HLD S
SENSOR
TRAY RLS M
SENSOR
TRAY HLD M
SENSOR
Y LMT- SENSOR
Y ORG SENSOR
Y LMT+ SENSOR
CN10
IS SCN PCB
SLOW MODE PCB
MAIN PCB(6/6)
MAIN PCB(4/6)
SCN PCB(4/5)
SCN PCB(3/5)
3_4B
3_4C
2_3D
3_2C
3_3A
2_5D
ANT M2
S-I/F
CN125
RFID OPTION
Inside of MTS
ANT S1
ANT M1SCN152
SCN32
CN152
SCN151
SCN10
CN151
SL02
CN02
MAIN23
CN23
SL04
CN04
SL03
CN03
SL01
CN01
SCN20
CN20
SCN59
CN59
CN58
CN58
CN48
CN48
SCN57
CN57
SCN47
CN47
SCN03
CN03
SCN50
CN50
SCN43
CN43
CN51
CN51
SCN42
CN42
SCN33
CN33
SCN18
CN18
SCN29
CN29
1 4 1 4 4 4 4 8 8
3
2 45 5 6 7 9 46 10
11 13
12 14
15
16
17
18
19
20
21 22 47
23 48 24 49
32950
25 30
26
27
31
3228
SLOW MODE 1 S.V
(TRAY HOLD 1)
34 35
33 33
39
41
39
44
40 40
37
38
42
43
29
36

- 40 -
NOTE( 注記 ) #01....FOR TR8S TR 8 S 用
#02....FOR TR8SR TR 8 SR 用
REF.NO NOTE PART NO D E S C R I P T I O N
品 名
Qty
1 HD-0017000-00 SENSOR
フォトインタラプタ
1
2
#01
401-53404 Y LIMIT+ SENSOR CABLE ASM
Y LIMIT +センサケーブル組
1
3 400-41117 SCN PCB ASM
SCN 基板組
1
4 HD-0017100-00 SENSOR
フォトインタラプタ
1
5 401-53405 Y ORG/LIMIT- SENSOR CABLE ASM
Y ORG / LIMIT −センサケーブル組
1
6 401-53406 TRAY HLD/RLS M SENSOR CABLE ASM
トレイ HLD / RLS M センサケーブル組
1
7 401-53407 TRAY HLD/RLS S SENSOR CABLE ASM
トレイ HLD / RLS S センサケーブル組
1
8 HD-0009000-00 PHOTO SENSOR
フォトセンサ
1
9
#01
401-53408 TRAY SENSOR+ CABLE ASM
トレイ SENSOR + ケーブル組
1
10 401-53409 TRAY SENSOR- CABLE ASM
トレイ SENSOR − ケーブル組
1
11 401-53410 TRAY HOLD S.V. CABLE 1 ASM
トレイ HOLD S.V.ケーブル1組
1
12 400-49728 TRAY HLD S.V. ASM
トレイ HLD S.V.組
1
13 401-53411 FAN MOTOR(Y MOTOR) CABLE ASM
ファンモータ(Y モータ)ケーブル組
1
14 400-49579 FAN MOTOR(Y MOTOR) ASM
ファンモータ(Y モータ)組
1
15 401-53412 CMPNT SENSOR R CABLE ASM
CMPNT センサ R ケーブル組
1
16 401-52797 CMPNT SENSOR R ASM(SNI)
CMPNT センサ R 組(SNI)
1
17 401-53413 CMPNT SENSOR L CABLE ASM
CMPNT センサ L ケーブル組
1
18 401-52798 CMPNT SENSOR L ASM(SNI)
CMPNT センサ L 組(SNI)
1
19 401-53384 CMPNT SENSOR L3 CABLE ASM
CMPNT センサ L 3ケーブル組
1
20 401-53402 CMPNT 35.0 SENSOR ASM
CMPNT 35.0センサ組
1
21 401-53385 CMPNT SENSOR R3 CABLE ASM
CMPNT センサ R 3ケーブル組
1
22
#01
401-53403 FEEDER FLOAT RLY CABLE ASM
フィーダ浮きリレーケーブル組
1
23
#01
401-29057 SEPARATE SENSOR RECEIVER ASM
セパレートセンサ受光組
1
24
#01
401-29058 SEPARATE SENSOR EMISSION ASM
セパレートセンサ投光組
1
25 400-49700 SLOW MODE CABLE ASM
スローモードケーブル組
1
26 400-42575 SLOW MODE CTRL PCB ASM
スローモードコントロール基板組
1
27 401-53414 SLOW MODE(TRAY HLD 1) CABLE ASM
スローモード(トレイ HLD 1)ケーブル組
1
28 401-56126 SLOW MODE(TRAY HLD 1) ASM
スローモード(トレイ HLD 1)組
1
29
#01
401-69065 MAIN PCB ASM 8S
メイン基板組8 S
1
30 400-49701 SLOW MODE POWER CABLE ASM
スローモードパワーケーブル組
1
31 401-53415 SLOW MODE(TRAY HLD 2) CABLE ASM
スローモード(トレイ HLD 2)ケーブル組
1
32 401-56127 SLOW MODE(TRAY HLD 2) ASM
スローモード(トレイ HLD 2)組
1
33 HD-0022300-00 PHOTO SENSOR
フォトインタラプタ
1
34 400-83282 STK S IN POSITION SENSOR CABLE ASM
STK S IN ポジションセンサケーブル組
1
35 401-55567 STK M IN POSITION SENSOR CABLE ASM
STK M IN ポジションセンサケーブル組
1
36 401-55945 RECONSTRUCTION IS SCN PCB ASM
RECONSTRUCTION IS SC 基板組
1
37 400-83280 SCN ANTENNA M CABLE (5S) ASM
SCN アンテナ M ケーブル(5 S)組
1
38 400-83281 SCN ANTENNA S CABLE (5S) ASM
SCN アンテナ S ケーブル(5 S)組
1
39 400-75451 MTC/MTR_INPUTS_CABLE
MTC / MTR _ INPUTS ケーブル
1
40 400-73667 ANTENNA ARRAY 14MM PITCH / 15 POSITION
アンテナアレイ 14 MM ピッチ/15ポジション
1
41 400-73757 5S S ANTENNA ARRAY RFID I/F CABLE ASM
5 S S アンテナアレイ RFID I / F ケーブル組
1
42 400-96157 MTC/MTS I/F CABLE ASM
MTC / MTS I / F ケーブル組
1
43 400-96123 RFID I/F CABLE ASM
RFID I / F ケーブル組
1
44 400-73756 5S M ANTENNA ARRAY RFID I/F CABLE ASM
5 S M アンテナアレイ RFID I / F ケーブル組
1
45
#02
401-83373 Y LIMIT+ SENSOR CABLE ASM
Y プラスリミットセンサケーブル組
1
46
#02
401-83374 TRAY SENSOR+ CABLE ASM
トレイプラスセンサケーブル組
1
47
#02
401-83375 FEEDER FLOAT SENS CABLE ASM
フィーダ浮きセンサケーブル組
1
48
#02
401-81501 SEPARATE SENSOR RECEIVER ASM
SEPARATE センサ_受光組
1
49
#02
401-81502 SEPARATE SENSOR EMISSION ASM
SEPARATE センサ_投光組
1
50
#02
401-85664 MAIN PCB ASM 8SR
メイン基板組8 SR
1

- 41 -
21. SYSTEM DIAGRAM (4)(FOR EN)
SYSTEM DIAGRAM(4)(EN 用)
3_4A
+
ENG SW
CN121 CN121 CN107-ACN124
DOOR S OPEN SW
CN075 CN120 CN074-ACN123
DOOR M OPEN SW
CN073 CN119
SCN PCB(5/5)
CN072-ACN122
1_1B
(CE)
CN067-B
1413
8
RLY16
12
1413
8
RLY14
1_5B
(CE)
CN067-A
TB2
-
-
12
TB2
-
22 21
MC2
22 21
MC1
SRLY1
K2
K1
bK2
K2
K1
a
K1
TH
SA
b
a Control
Circuit
42342414
BA
T23 T22
T21
PE
A2
41332313
T12T11
A1
+
TB2
FG
+
TB2
CN107-A
CN40
CN107-A
CN49
SCN07
CN01
246
1 3 5
7 7 7
10
9
8 11 13
1412
17
19
18
T32
T31
16
15
22
23
24
20
21
25
26
27 27
28
29
30