FX-3_InstructionManual_Rev06_C - 第52页
第 1 部 基本编 第 1 章 设备概要 1-37 1-2-9 简称的说明 意 思 简称 中文 英语 ATC 自动工具交换装置 (Auto Tool Changer) BMR 坏板标记读入器 (Bad Mark Reader) CVS 元件验证系统 (Component V erification System) ETF 电动式带状供料器 (Electric Tape F eeder) EPU 外部编程装置 (External Prog…

第 1 部 基本编 第 1 章 设备概要
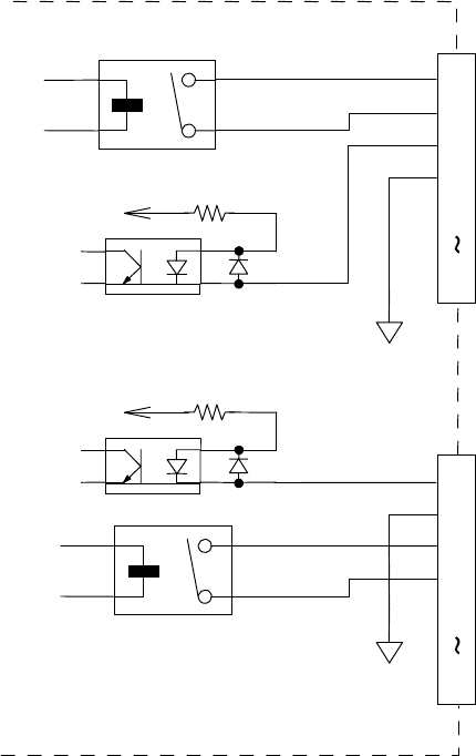
◇ READY OUT(IN)信号与 BOARD AVAILABLE 信号的接口电路如图 1-2-8-4 所示。
依据SMEMA规格。
GND
(
24V
)
+
+ 24
V
3.3K 1/4W
READY OUT +
BOAD AVAILABLE IN +
READY OUT -
BOAD AVAILABLE IN -
N.C.
1
2
3
4
5
14
READY IN +
BOAD AVAILABLE OUT +
READY IN -
BOAD AVAILABLE OUT -
N.C.
1
2
3
4
5
14
+ 24
V
3.3K 1/4W
+
GND
(
24V
)
图 1-2-8-4
1-36

第 1 部 基本编 第 1 章 设备概要
1-37
1-2-9 简称的说明
意 思
简称
中文 英语
ATC 自动工具交换装置 (Auto Tool Changer)
BMR 坏板标记读入器 (Bad Mark Reader)
CVS 元件验证系统 (Component Verification System)
ETF 电动式带状供料器 (Electric Tape Feeder)
EPU 外部编程装置 (External Programming Unit)
FPI 供料器位置指示器 (Feeder Position Indicator)
HLC 主生产线计算机 (Host Line Computer)
HMS 高度测量装置 (Height Measurement System)
HOD 手控操作盘 (Handheld Operating Device)
IS 智能车间解决方案 (Intelligent Shopfloor Solutions)
LNC 激光校准新概念 (Laser align New Consept)
OCC 位置校正摄像机 (Offset Correction Camera)
PWB 基板 (Printed Wiring Board)

第 1 部 基本编 第 1 章 设备概要
1-3 基本操作
1-3-1 画面的构成示例
⑧ 命令按钮
① 标题栏 ② 菜单栏
⑨ 功能栏
图 1-3-1-1 桌面画面(例)
⑩ 简易事件显示
① 标题栏
② 菜单栏
④ 工具栏 ⑤ 作业范围
③ 下拉菜单
⑥滚动条
⑦状态栏
图 1-3-1-2 编辑画面
1-
38