FX-3_InstructionManual_Rev06_C - 第546页
第1部 基本编 第4章 制作生产程序 4-5-4-2 测量 在贴片头上安装实际元件,用激光执行测量(检测)后,把其数据反映到生产程序的功能。 注意 为了避免人身伤害,在机器运行过程中,切勿将手和头伸入装置内部。 4-5-4-2-1 测量模式 有“连续测量”和“单独测量”2种测量模式。 可选择菜单切换运行模式。 以下为各模式的功能。 表 4-5-4-2-1-1 测量模式的内容与菜单 测量子菜单 运行模式 运行内容 单独 单独测量 测量元件…

第1部 基本编 第4章 制作生产程序
(3) 余宽
设置基板与传送轨道之间的余宽。
余宽适用于生产条件。
(4) 动作状态
显示移动时、宽度回原点时、传送道路上的动作状态。
(5) 说明
显示功能的概要说明。
(6) “基板传送”按钮
调出基板传送画面。
(7) “宽度回原点”按钮
基板宽度自动调整返回原点。
4-180

第1部 基本编 第4章 制作生产程序
4-5-4-2 测量
在贴片头上安装实际元件,用激光执行测量(检测)后,把其数据反映到生产程序的功能。
注意
为了避免人身伤害,在机器运行过程中,切勿将手和头伸入装置内部。
4-5-4-2-1 测量模式
有“连续测量”和“单独测量”2种测量模式。
可选择菜单切换运行模式。
以下为各模式的功能。
表 4-5-4-2-1-1 测量模式的内容与菜单
测量子菜单 运行模式 运行内容
单独 单独测量 测量元件画面表格中显示的元件。
连续 连续测量
测量生产程序数据内所有元件/条件一致的元件。测量中因
某种原因测量失败的元件可进行单独测量。
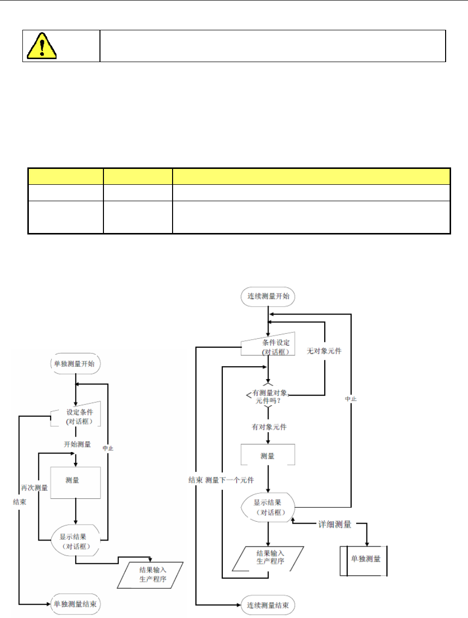
以下为各测量模式的处理运行概要流程图。
图 4-5-4-2-1-1 单独测量流程图 图 4-5-4-2-1-2 连续测量流程图
4-181

第1部 基本编 第4章 制作生产程序
4-5-4-2-2 测量种类
各种测量项目的功能概要如下表所示。
表 4-5-4-2-2-1 测量模式内容及菜单
测量项目 测量内容
测量实际的元件外形尺寸
元件横方向
元件纵方向
自动计算最适合的吸嘴编号
元件尺寸(纵横)
吸嘴编号
吸取时的真空压力 测量实际的元件吸取时的真空压力
测量实际的元件高度
元件高度
自动计算最适合的激光定心值
激光高度
元件高度
芯片站立判定值
(1) 测量项目的各种功能
1) 元件尺寸测量功能
通过激光测量元件的纵横尺寸。同时自动计算最适合的吸嘴编号。
2) 元件高度测量功能
用激光测量元件高度。同时自动计算最适合的激光高度及芯片站立判定值。
3) 元件真空压力测量功能
测量吸取元件时的真空压力。
4-182