SM431_TechnicalReference(Kor_Ver2) - 第105页
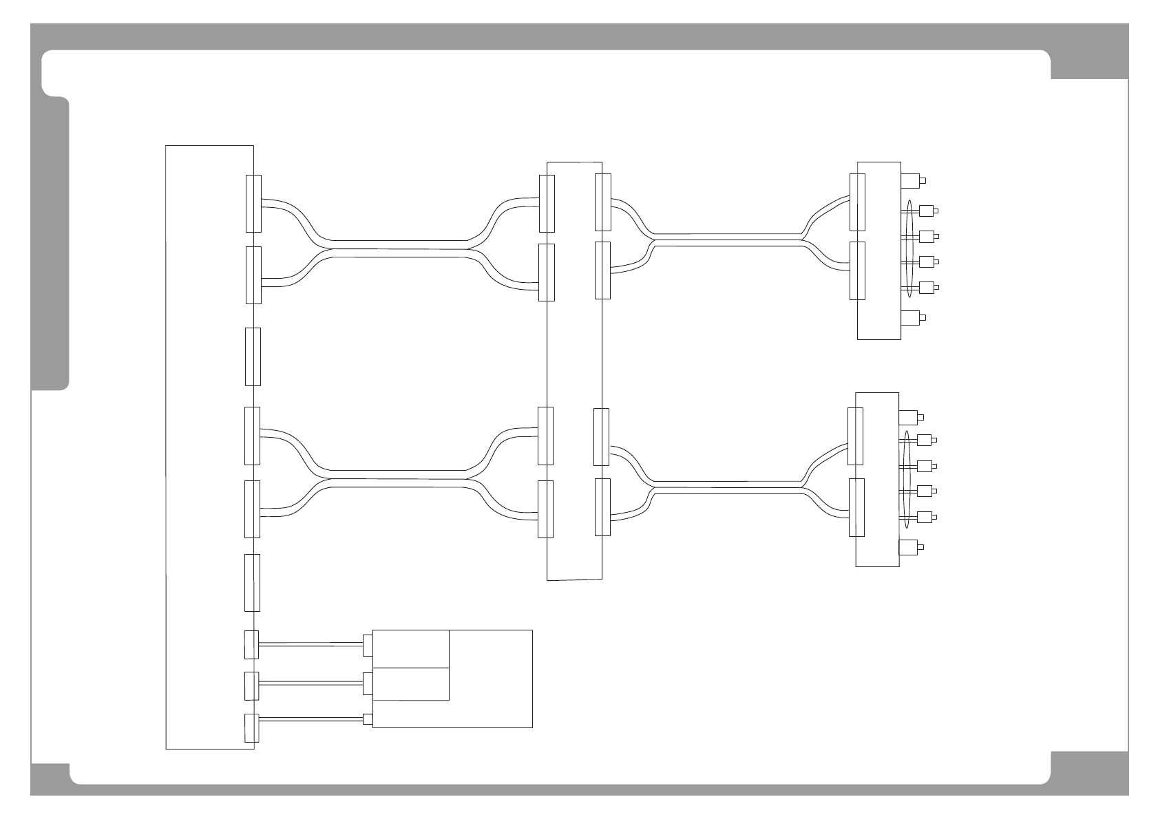
Page SAMSUNG TECHWIN 95 SM4 3 1 Step Interface (CV Servo, 2/2) 4 B/ 5 C J3 3 3 4 4 2 2 11 J1 9 8 9 8 6 6 7 5 7 5 SM431_CS038(J90832873A) B/ A/ B A 5VG SHIELD +5V C/ B/ A/ B A WW2 MOTOR 8 9 7 6 EN WW2 AXIS SERVO PB DRIVER…

Page
SAMSUNG TECHWIN
94
SM4
3
1
Step Interface (CV Servo, 1/2)
PB DRIVER
STEP CONTROL B/D
MS1 AXIS SERVO
MS1 MOTOR
8
6
7
5
3
4
SHIELD
+5V
5VG
B/
B
EN
J1
C
C/
A
A/
9
1
2
6
9
8
7
3
5
4
2
1
A
B/
A/
B
3
4
2
1
2
3
4
1
J3
SM431_CS034(J90832869A)
SM431_CS040(J90832875A)
44
J3
2
3
2
3
1
9
1
9
J1
6
7
8
6
7
8
44
5
3
5
3
PB DRIVER
WW1 AXIS SERVO
2
1
2
1
44
J3
2
3
2
3
1
9
1
9
J1
6
7
8
6
7
8
44
5
3
5
3
PB DRIVER
WS1 AXIS SERVO
2
1
2
1
9
7
8
6
4
5
3
1
2
9
7
8
6
4
5
3
1
2
4
3
2
1
4
3
2
1
SM431_CS028(J90832863A)
SM431_CS029(J90832867A)
B
44
SM431_CS036(J90832871A)
SHIELD
B
B/
A/
A
C/
5VG
+5V
C
B/
WS1 MOTOR
33
22
11
99
EN
77
88
66
44
55
33
SM431_CS042(J90832877A)
A/
A
11
22
B
44
SM431_CS035(J90832870A)
SHIELD
B
B/
A/
A
C/
5VG
+5V
C
B/
WW1 MOTOR
33
22
11
99
EN
77
88
66
44
55
33
SM431_CS041(J90832876A)
A/
A
11
22
SM431_CS030(J90832864A)
SM431_VM014(J90833097A)
STEP SLAVE B/D
20
17
19
18
16
15
13
14
12
10
11
09
07
08
06
04
05
03
01
02
CN1
50
49
47
48
46
44
45
43
41
42
38
40
39
37
36
35
34
33
32
31
30
29
28
27
26
25
24
23
22
21
20
17
19
18
16
15
13
14
12
10
11
09
07
08
50
49
47
48
46
44
45
43
41
42
38
40
39
37
36
35
34
33
32
31
30
29
28
27
26
25
24
23
22
21
AXIS2_0+
AXIS2_0-
AXIS3_0+
AXIS3_0-
AXIS5_0+
AXIS5_0-
AXIS25_CLK_0+
AXIS25_CLK_0-
AXIS6_0+
AXIS6_0-
AXIS7_0+
AXIS7_0-
AXIS8_0+
AXIS8_0-
GND
GND
GND
AXIS68_CLK_0+
AXIS68_CLK_0-
SENSOR2_IN+
SENSOR2_IN-
AXIS2_IN+
AXIS2_IN-
AXIS3_IN+
AXIS3_IN-
AXIS5_IN+
AXIS5_IN-
AXIS25_CLK_I+
AXIS25_CLK_I-
AXIS6_IN+
AXIS6_IN-
AXIS7_IN+
AXIS7_IN-
AXIS8_IN+
AXIS8_IN-
SENSOR1_IN+
SENSOR1_IN-
AXIS68_CLK_I+
AXIS68_CLK_I-
GND
GND
GND
GND
GND
GND
GND
CN7
06
04
05
03
01
02

Page
SAMSUNG TECHWIN
95
SM4
3
1
Step Interface (CV Servo, 2/2)
4
B/
5
C
J3
33
44
22
11
J1
9
8
9
8
66
7
5
7
5
SM431_CS038(J90832873A)
B/
A/
B
A
5VG
SHIELD
+5V
C/
B/
A/
B
A
WW2 MOTOR
8
9
7
6
EN
WW2 AXIS SERVO
PB DRIVER
2
4
3
4
2
3
11
J3
44
33
2
1
2
1
J1
8
9
7
8
9
7
4
6
5
6
4
5
SM431_CS039(J90832874A)
SM431_CS044(J90832879A)
A/
B/
B
A
2
4
3
1
B/
B
A
A/
+5V
SHIELD
5VG
C/
C
B/
B
A
A/
WS2 MOTOR
7
9
8
6
5
EN
3
B
44
WS2 AXIS SERVO
PB DRIVER
11
22
33
J3
2
3
2
3
1
9
1
9
J1
6
7
8
6
7
8
44
5
3
5
3
SM431_CS045(J90832880A)
A
B
A/
SM431_CS037(J90832872A)
3
2
1
SHIELD
B
B/
A/
A
C/
5VG
+5V
C
B/
9
B
B/
A/
A
MS2 MOTOR
6
8
7
5
4
EN
MS2 AXIS SERVO
PB DRIVER
2
1
2
1
SM431_CS043(J90832878A)
A/
A
2
1
STEP CONTROL B/D
J5
06
04
05
03
01
02
TB1-19A
TB1-20A
STEP SLAVE B/D
SM431_CS032(J90832866A)
SM431_CS033(J90832868A)
SM431_CS031(J90832865B)
24V
24G
SM431_PW046(J90833046A)
CN8
10
9
8
7
6
5
4
3
2
1
19
20
17
18
15
16
13
14
11
12
AXIS SENSER B/D
SM431_CS074(J90832909A)
A7
B8
B10
B9
B4
B6
B7
B5
B2
B3
B1
A9
A10
A8
CN11
A3
A5
A6
A4
A1
A2
B5
B9
B10
B7
B8
B6
B1
B3
B4
B2
A10
A9
A8
A7
A6
A5
A4
A3
A2
A1
WW1H
MS1H
GND
WS1H
GND
WW2H
WS2H
MS2H

Page
SAMSUNG TECHWIN
96
SM4
3
1
Vision Interface
CN2
CN1
CN5
CN4
CH1
CH1
DSUB-15PIN
DSUB-15PIN
DSUB-15PIN
DSUB-44PIN
DSUB-15PIN
SM431_VIS001(J90833073A)
DSUB-15PIN
SM431_VIS003(J90833075A)
SM431_VIS006(J90833078B)
#1 NEXTEYE B/D
#2 NEXTEYE B/D
CN8
DSUB-44PIN
SM431_VIS007(J90833079B)
CN9
SM431_VIS008(J90833080A)
PC RACK 12V
CN6
DSUB-15PIN
DSUB-15PIN
SM431_VIS002(J90833074A)
CN3
CN7
SM431_VIS003(J90833075A)
J1
J2
J3
J4
J5
J6
J1
J2
J3
J4
J5
J6
CN1
CN2
CN1
CN2
SM431_VIS004(J90833076A)
SM431_VIS005(J90833077A)
SM431_VIS005(J90833077A)
SM431_VIS004(J90833076A)
SM431_VIS005(J90833077A)
SM431_VIS005(J90833077A)
DSUB-15PIN
DSUB-15PIN
DSUB-15PIN
DSUB-15PIN
FLAT CABLE BRACKET FLY1
DSUB-15PIN
DSUB-15PIN
DSUB-15PIN
DSUB-15PIN
DSUB-62PIN
DSUB-62PIN
FRONT FLAT FLY1
FRONT FLAT FLY2
REAR FLAT FLY1
REAR FLAT FLY2
FLAT CABLE BRACKET FLY2
DSUB-15PIN
FLAT CABLE BRACKET FLY1
FLAT CABLE BRACKET FLY2
VISION IF B/D
FIDUCIAL CAM.
INDUSTIAL PC
FLAT CABLE
CAMERA IO B/D
FIDUCIAL CAM L(OPTION).
FIDUCIAL CAM.
FLY CAM1.
FLY CAM2.
FLY CAM3.
FIDUCIAL CAM L(OPTION).
FLY CAM1.
CAMERA IO B/D
FLY CAM4.
FLY CAM2.
FLY CAM3.
FLY CAM4.