SM431_TechnicalReference(Kor_Ver2) - 第115页
Page SAMSUNG TECHWIN 105 SM4 3 1 Electric Circuit Diagram (5/7) U1-A U1-B U2-A U2-B 9A 9B 1A 1B 10A 2A 3A 11A 1 34 2 1 34 2 OUTLET INLET UPS OPTION INSTALL -UPS (800VA) TO REAR MONITOR TO CONTROL BOX TO FRONT MONITOR 1L1…

Page
SAMSUNG TECHWIN
104
SM4
3
1
Electric Circuit Diagram (4/7)
32B31B
36B
41B
37B
42B
26B
21B
27B
22B21A
26A
31A
36A
41A
1
3
5
2
4
6
34B
44B
29B
24B
39B
33B
38B
43B
28B
23B
22L1
22L3
22L2
22T
22R
2.5mm 2.5mm
-TB1 (21~40 : 3Ø 220V)
FROM CP3
-MC1
AC220V
22R
22S
22T
(LC1D096BD-20A)
2.5mm2.5mm
2.5mm
DRIVERDRIVER
PE11
U
-M1
3~
M
WV E
3~
-M2
M
UV
PE12
W E
L3
SERVO
r
-SD1
L1
t
SERVO
rt
-SD2
L3L1
DRIVERDRIVER
PE13
U
-M3
3~
M
VW E V
M
3~
-M4
U
PE14
W E
SERVO
r
-SD3
L1
t
SERVO
t
L3
r
-SD4
L2 L3L1
2 2
50W
FEL-AXIS
750W
FX-AXIS
50W
REL-AXIS
750W
RX-AXIS
V U
PE18
W
r
L1
t t
2
1KW
U
-M3
L1
t
DRIVERDRIVER
PE17
U
-M3
3~
M
2
W E V
M
3~
-M4
E
SERVO
-SD7
L2
SERVO
L3
r
-SD8
L2 L3L1
1KW
RY1-AXIS RY2-AXIS
DRIVERDRIVER
PE15
3~
M
VW E V
M
3~
-M4
U
PE16
W E
SERVO
r
L2
t
SERVO
L3
r
-SD6
L2 L3L1
1KW
FY1-AXIS
1KW
FY2-AXIS
-SD5
L2
2
SM431_PW027
:J90833027A
SM431_PW028
:J90833028C
SM431_PW032
:J90833032C
SM431_PW036
:J90833036B
SM431_PW041
:J90833041A
SM431_PW029
:J90833029B
SM431_PW033
:J90833033B
SM431_PW037
:J90833037B
SM431_PW042
:J90833042B

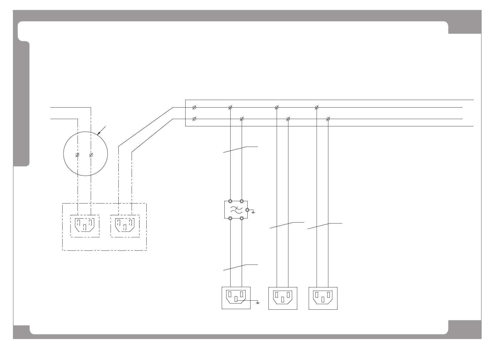
Page
SAMSUNG TECHWIN
105
SM4
3
1
Electric Circuit Diagram (5/7)
U1-A
U1-B
U2-A
U2-B
9A
9B
1A 1B
10A
2A 3A
11A
1
34
21
34
2
OUTLETINLET
UPS OPTION INSTALL
-UPS
(800VA)
TO REAR MONITOR
TO CONTROL BOX
TO FRONT MONITOR
1L1 1L2
FROM CP1
1L2
1L1
1.5mm
POWER INLET
1L1 1L2 1L1 1L2
1.5mm
AC220V
-NF2
(1Ø, 5A)
1L1N 1L2N
1.5mm
1.5mm
ADDITIONANL
TERMINAL BLOCK
UPS OPTION connection guide
2
PE03
2
PE08
2
2

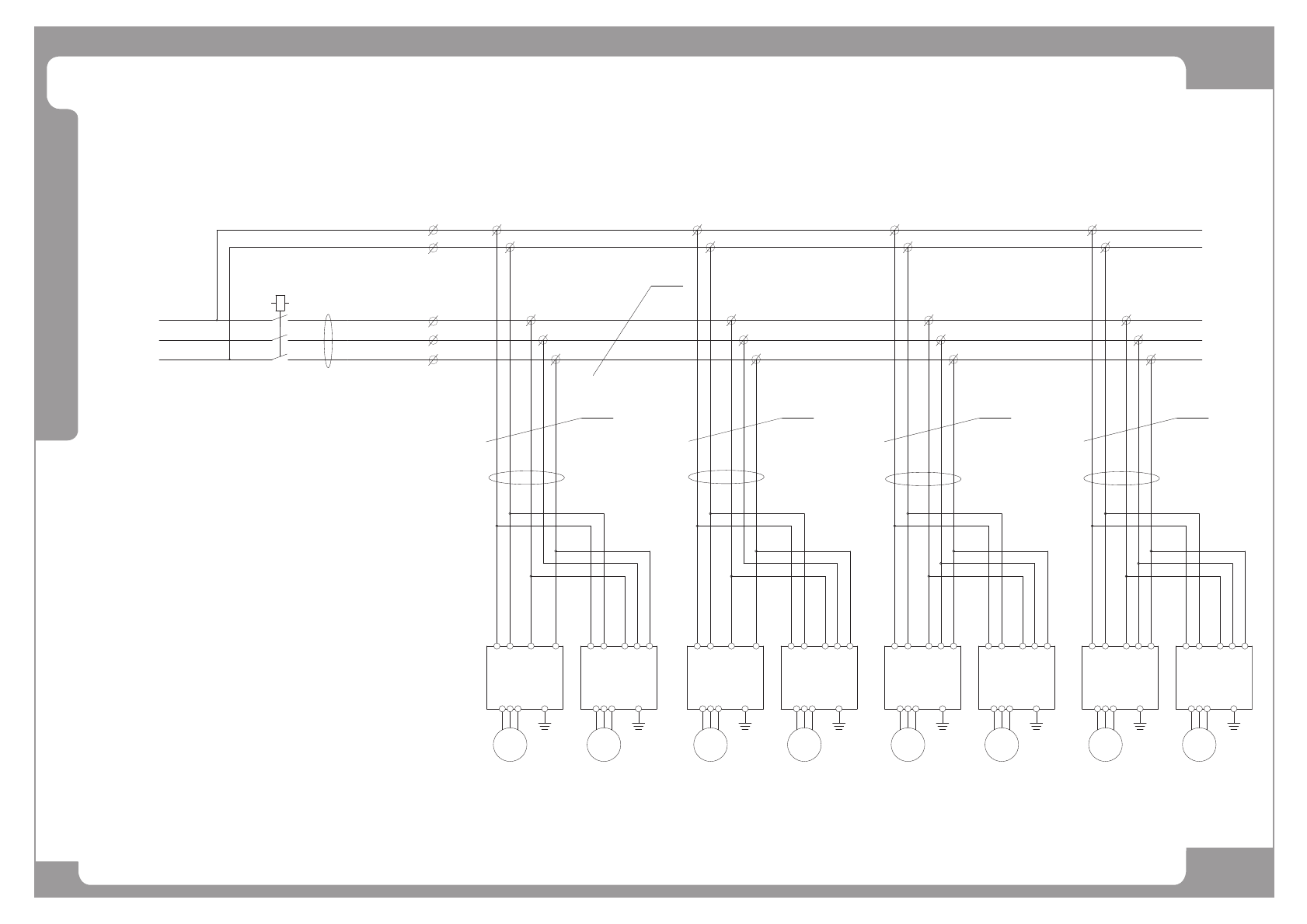
Page
SAMSUNG TECHWIN
106
SM4
3
1
Electric Circuit Diagram (6/7)
32B31B
36B
41B
37B
42B
26B
21B
27B
22B21A
26A
31A
36A
41A
1
3
5
2
4
6
34B
44B
29B
24B
39B
33B
38B
43B
28B
23B
22L1
22L3
22L2
22T
22R
2.5mm 2.5mm
-TB1 (21~40 : 3Ø 220V)
FROM CP3
-MC1
AC220V
22R
22S
22T
(LC1D096BD-20A)
2.5mm2.5mm
2.5mm
kyp}lykyp}ly
wlXX
|
TtX
Z¥
t
~} l
Z¥
TtY
t
|}
wlXY
~ l
sZ
zly}v
TzkX
sX
zly}v
TzkY
sZsX
kyp}lykyp}ly
wlXZ
|
TtZ
Z¥
t
}~ l }
t
Z¥
Tt[
|
wlX[
~ l
zly}v
TzkZ
sX
zly}v
sZ
Tzk[
sY sZsX
2 2
\W~
mlsThpz
[WW~
mThpz
\W~
ylsThpz
[WW~
yThpz
} |
wlX_
~
sX
2
^\W~
|
TtZ
sX
kyp}lykyp}ly
wlX^
|
TtZ
Z¥
t
2
~ l }
t
Z¥
Tt[
l
zly}v
Tzk^
sY
zly}v
sZ
Tzk_
sY sZsX
^\W~
yXThpz yYThpz
kyp}lykyp}ly
wlX\
Z¥
t
}~ l }
t
Z¥
Tt[
|
wlX]
~ l
zly}v
sY
zly}v
sZ
Tzk]
sY sZsX
^\W~
mXThpz
^\W~
mYThpz
Tzk\
sY
2
SM431_PW027
:J90833027A
SM431_PW028
:J90833028C
SM431_PW032
:J90833032C
SM431_PW036
:J90833036B
SM431_PW041
:J90833041A
SM431_PW029
:J90833029B
SM431_PW033
:J90833033B
SM431_PW037
:J90833037B
SM431_PW042
:J90833042B