SM431_TechnicalReference(Kor_Ver2) - 第81页
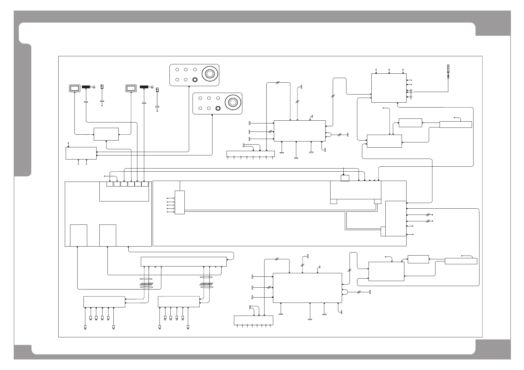
Page SAMSUNG TECHWIN 71 SM4 3 1 SM431 Wiring Diagram (1/2) SEDES SLAVE B/D CN9 _CS081 SM431 CN14 SM431_VIS005 SM431_VIS008 12V SM431_VM017 LAN PORT REAR LEFT PANEL COM1 CN4 CN6 (CONV SUB I/F CN3) (CONV SUB I/F CN2) SM431…

Page
SAMSUNG TECHWIN
70
SM4
3
1
Electric Control Part

Page
SAMSUNG TECHWIN
71
SM4
3
1
SM431 Wiring Diagram (1/2)
SEDES SLAVE B/D CN9
_CS081
SM431
CN14
SM431_VIS005
SM431_VIS008
12V
SM431_VM017
LAN PORT
REAR LEFT PANEL
COM1
CN4
CN6
(CONV SUB I/F CN3)
(CONV SUB I/F CN2)
SM431_CV035
SM431_CV034
CN17
CN18
CONV I/F
(CONV I/F B/D CN18)
AMESS
LAN2
CN9
SM431_VIS005
CN2
CN1
CN6
CN5
SM431_VIS002
SM431_VIS003
(OPTION)
J6
J5
J4
J3
SM431_VIS007
CN8
CN7
SM431_VIS006
SM431_VIS001
SM431_VIS003
SM431_VIS004
FIDUCIAL CAMERA
HD+/-,VD+/-,+12V,12G
FLY CAMERA1~4
CAMERA IO B'D
J1
J2
CN2
CN1
ANALOG
CN4
CN3
VISION I/F BOARD
(to AXIS SENSOR BOARD CN10)
SM431_CS072
(STOPPER,ANC,EDGE PUSHER,WORK STOPPER,BUT)
CONVEYOR PCB SENSOR, F/R SOL
CN3
(TO HEAD2 IO B/D CN10)
SM431_CI003
CN2
(TO HEAD1 IO B/D CN10)
SM431_CI002
SM431_CI001(FROM SAFETY CONTROL B/D CN22)
+24V,24G
CN1
CN7
CAN IO B/D
COM1
PMC-1
_CV016
SM431
B/D CN5)
(SAFETY CONTROL
CN26
SM431_CV035
SM431_CV0033
SM431_CV002
SM431_CA002
SM431_KV005
SM431_KV004
CN2 CN3
CN6
SM431_CV019-1
(FROM SAFETY CONTROL B/D CN8)
SM431_CV019
SM431_CV018-1
(FROM SAFETY CONTROL B/D CN6)
CN13
CN7
REAR USB PORT
FRONT USB PORT
USB2
OUT1
OUT2
INPUT
DISTRIBUTOR
MONITOR
SM431_OP003
SM431_OP002
CN4
CN5
<REAR-OP>
<FRONT-OP>
Y
AMESS
SM431_FD006
SM431_FD005
SAFETY CONTROL B/D CN13
F24V, 24G
SAFETY CONTROL B/D CN12
CN3
CN4
SM431_HD011
SM431_HD010
SIDE VIEW SEN
CN17
#2 FIDUCIAL ILL, COAXIAL
_HD007
SM431
CN15
SM431_HD006
EL HOME SEN
FLY COAXIAL B/D
_HD005
SM431
CN12
FLY OUTER(1,2) ILL B/D
_HD004
SM431
CN13
SM431_HD008
SM431_HD001
H 1~8 VAC SOL
CN1 CN2
H7 H8
HEAD VAC/BLOW SOL
(TO VME IO B/D CN1)
#1 FIDUCIAL ILL
_HD006
SM431
CN3
SM431_HD009
SM431_HD008
SM431_HD002
H1~8 BLOW SOL
H5 H6
VACUUM SENSOR B'D(H1~H8)
H4
H3
H2
H1
VAC. Sensor
Z1~4, R HOME SEN
CN18
CN9
CN10
CN11
CN14
CN7
CN8
CAN
HEAD IO B/D
SEDES SLAVE B/D CN9
SM431_CA004
CN3
CN4
SM431_HD011
SM431_HD010
SIDE VIEW SEN
CN17
#2 FIDUCIAL ILL, COAXIAL
_HD007
SM431
CN15
SM431_HD006
EL HOME SEN
FLY COAXIAL B/D
_HD005
SM431
CN12
FLY OUTER(1,2) ILL B/D
_HD004
SM431
CN13
SM431_HD008
SM431_HD001
H 1~8 VAC SOL
CN1 CN2
H7 H8
G-ENET1
LAN1
SM431_CA003
CAN
REAR FEEDER BASE B/D
SM431_FD004
CN2
SM431_FD002
SM_FD005
SM431_FD003
(FROM SAFETY CONTROL B/D)
SM431_CA005
EXT.BOARD
FEEDER INPUT
CN11
+24V,24G
CN5
CN4
CN3
CN2
BOARD
R-FEEDER I/O
CN11
HEAD VAC/BLOW SOL
(TO VME IO B/D CN2)
#1 FIDUCIAL ILL, COAXIAL
_HD006
SM431
CN3
SM431_HD009
SM431_HD008
SM431_HD002
H1~8 BLOW SOL
H5 H6
VACUUM SENSOR B'D(H1~H8)
H4
H3
H2
H1
Z1~4, R HOME SEN
CN18
CN9 CN10
CN11
CN14
CN7
CN8
CAN
CAN
HEAD IO B/D
CONV.SUB I/F BOARD
SM431_KV001
SM431_KV003
SM431_CV018
SM431_KV002
T-BOX
MOUSEKBD
MON.
T-BOX
MOUSEKBD
MON.
<REAR>
<FRONT>
CH1
NEXTEYE VISION B/D
_CV001
SM431
CH1
F24V, 24G
FRONT FEEDER BASE B/D
EXT.BOARD
CN2
FEEDER INPUT
SM431_FD004
SM431_FD001
(FROM SAFETY CONTROL B/D CN19)
SM_FD005
SM431_FD003
SM431_CA001
VME
USB1
MONITOR
INDUSTRIAL PC
SBC
NEXTEYE VISION B/D
CN28
<--> CONV.SUB I/F B/D CN1
CN4
210TS
TRANSCEIVER
P2
P1
J1
+24V,24G
CN4
+24V,24G
CAN
CAN
CAN
CAN
12G
-12V
+12V
5G
+5V
TOWER LAMP & GENERAL I/O
CN5
CN2
CN3
CN3
CN2
BOARD
BOARD
F-FEEDER I/O
LAN
PMC-3
PMC-2
ETHERNET
BOARD
MVME3100 MAIN
J1-BACKPLAIN
(From Axis Sensor B/D CN12)
SELECT
C
G
M
E
R
E
E
N
FEEDER CHG
RESET
READY
START
STOP
EM
SM431_CV034
(CONV I/F B/D CN17)
SM431_CV033
(CONV I/F B/D CN6)
y n ~
~ ~
Y
SELECT
C
G
M
E
R
E
E
N
FEEDER CHG
RESET
READY
START
STOP
EM
y n White
Yellow White
White
COAXIAL
CN1
SM431_VIS005
SM431_VIS005
CN2
CN1
(OPTION)
J6
J5
J4
J3
SM431_VIS004
FIDUCIAL CAMERA
HD+/-,VD+/-,+12V,12G
FLY CAMERA1~4
CAMERA IO B'D
J1
J2

Page
SAMSUNG TECHWIN
72
SM4
3
1
SM431 Wiring Diagram (2/2)
CN2 CN1 CN3
(30W) (30W) (30W)
(400W)
FX
VME
CN1
(750W)
FY2
(750W)
FY1
CN3
CN2
(750W)
RY2
(750W)
RY1
CN8
CN11 CN12
Z1 Z2
CN16 CN17
Z3 Z4
CN13 CN14
R
FEL
REGENERATIVE
RESISTOR
(30W)
(30W)
(50W)
REGENERATIVE
RESISTOR
CN1
CN2
(30W) (20W) (20W)
VME
MS1 WS1 WW1
BS1-1
_CS034
SM431
_CS040
SM431
BS1-2
BW1-1
BW1-2
SM431_PW057
SM431_VM014
SM431_VM015
_CS035
SM431
_CS041
SM431
_CS067
_CS036
SM431
_CS066
_CS042
SM431
_CS049
SM431
CN3
STEP CONTROL BOARD
(30W) (20W) (20W)
MS2 WS2 WW2
_CS037
SM431
_CS043
SM431
SM431_VM016
_CS038
SM431
_CS044
SM431
_CS069
_CS039
SM431
_CS068
_CS045
SM431
CN6
CN3
CN2
CN11
CN1
BOARD
AXIS SENSOR
+24V,24G
F/R FEEDER UNLOCK SENSOR
RY1 HOME/+LIMIT/-LIMIT
FY1 HOME/+LIMIT/-LIMIT
_AX003
SM431
_AX004
SM431
_CS080
SM431
SM431_AX001
to SHUTTLE/WIDTH DRIVER CN8
CN9
F/R Y1 H/+L/-L
CN10
C/V PCB SENSOR F/R SOL SIGNAL
to CAN IO B/D CN3
CN12
F/R STOPPER UP/DN,BUT
to CV IF B/D CN14
CN16CN15
CN1
SENSOR
R CONVEYOR
R ANC SOL
R SHUTTLE STOPPER SOL
CON1
CN5
CN4
SS2-1
CN2
BO#1
CN3
SS2-2
SW1-2
CN4
SW2-2
CN5
MS2H
CN6
WS2H
CN7
WW1H
CN8
F-BUT
CN9
Reserved IN 2
CN10
F STOPPER UP
CN11
F STOPPER DN
CN12
R STOPPER UP
CN13
R STOPPER DN
CN14
CN18
R WORK STOPPER SOL
CN19
R BUT SOL
CN20
reserved OUT #2
CN17
R STOPPER SHUTTLE2 SOL(OPTION)
IF BOARD
CN1
SENSOR
L CONVEYOR
CON1
SENSOR,SOL
SS1-1
CN2
BO#2
CN3
SS1-2
SW1-1
CN4
SW2-1
CN5
MS1H
CN6
WS1H
CN7
WW2H
CN8
R-BUT
CN9
Reserved IN 1
CN10
CN11
CN12
CN13
CN14
IF BOARD
SM431_CS083
SM431_CS082
SM431_CS074
_CS055
SM431
_CS057
SM431
_CS047
_CS063
SM431
SM431_CS026
SM431_CS027
SM431_CS001_CS070
SM431_CS002_CS070
SM431_CS005
SM431_CS007
SM431_CS022
SM431_CS020_CS070
SM431_CS025
SM431_CS019
SM431_CS004_CS071
SM431_CS009_CS071
SM431_CS006
SM431_CS008
SM431_CS023
SM431_CS021_CS071
CN22
CN21
CN22
CN21
SS1-4
SS1-3
SS2-4
SS2-3
SM431_CS094
SM431_CS093
SM431_CS096
SM431_CS095
SM431_CS024
SM431_CS018
SM431_CS003_CS071
SM431_CS073
B/D CN21
to SAFETY CTR
SM431_CS072
SM431_CS081
SM431_CS010_CS089
SM431_CS011_CS090
SM431_CS012_CS091
SM431_CS013_CS092
CN3 CN4 CN5 CN6
CN1(PW)
CN2(ENC)
SENSOR,SOL
SM431_CS009_CS070
CN7
SM431_PW059
J5
CN8
SM431_PW046
STEP SLAVE
BOARD
SM431_PW031
SM431_PW028
SM431_PW029
SM431_PW030
SM431_PW043
SM431_PW040
SM431_PW041
SM431_PW039
SM431_PW038
SM431_PW036
SM431_MD030
SM431
_MD014
SM431_VM004
SM431
_MD013
SM431_VM013
SM431_VM012
SM431_VM011
SM431_VM010
SM431_VM009
SM431_MD029
Z -AXIS I/F B/D
SM431_MD022
SM431_MD021
SM431_MD019
SM431_MD017
SM431_MD018
SM431_PW042
SM431_PW037
SM431_MD028
SM431_MD027
SM431_MD025
SM431_MD024
SM431_MD011
SM431_MD012
SM431_MD009
SM431_MD010
SM431_MD007
SM431_MD008
SM431_MD005
SM431_VM007
SM431_MD023
SM431_VM008
SM431_VM006
SM431_VM002
SM431_VM001
SM431_MD006
SM431_VM003
FRONT SEDES SLAVE B/D
SM431
_MD002
SM431
_MD001
REGENERATIVE
RESISTOR
REGENERATIVE
RESISTOR
REGENERATIVE
RESISTOR
SM431_MD020
X7043N SEDES BOARD
X7043 NEW TWIN SERVO B/D
(30W) (30W) (30W)
(400W)
RX
CN8
CN11 CN12
Z1 Z2
CN16 CN17
Z3 Z4
CN13 CN14
R
REL
REGENERATIVE
RESISTOR
(30W)
(30W)
(50W)
CN3 CN4 CN5 CN6
CN1(PW)
CN2(ENC)
SM431_PW031
SM431_PW032
SM431_PW033
SM431_PW034
SM431_MD030
SM431
_MD016
SM431_VM005
SM431
_MD015
SM431_VM013
SM431_VM012
SM431_VM011
SM431_VM010
SM431_VM009
SM431_MD029
Z -AXIS I/F B/D
SM431_MD022
SM431_MD021
SM431_MD019
SM431_MD017
SM431_MD018
SM431_VM008
REAR SEDES SLAVE B/D
SM431
_MD004
SM431
_MD003
SM431_MD020
SM431_MD026
_CS054
SM431
_CS046
_CS062
SM431
_CS048
SM431
_CS056
SM431
BS2-1
BS2-2
BW2-1
BW2-2
SM431_PW058
_CS051
SM431
_CS044
_CS061
SM431
_CS059
SM431
_CS053
_CS065
SM431
SM431_PW060
_CS060
SM431
_CS052
_CS064
SM431
_CS050
SM431
_CS058
SM431
CN16CN15
F ANC SOL
F SHUTTLE STOPPER SOL
CN18
F WORK STOPPER SOL
CN19
F BUT SOL
CN20
reserved OUT #1
CN17
F STOPPER SHUTTLE2 SOL(OPTION)