SM431_TechnicalReference(Kor_Ver2) - 第98页
Page SAMSUNG TECHWIN 88 SM4 3 1 Axis Sensor Board Interface (1/2) CN1 AXIS SENSOR BOARD 4 2 1 3 10 9 8 7 10 9 8 7 22 6 5 3 4 6 5 3 4 1 CN2 1 SAFETY CONTROL B/D 4 4 4 SM431_AX001(J90832828A) +24V 24G 24G +24V 2 3 1 2 1 3 …

Page
SAMSUNG TECHWIN
87
SM4
3
1
Docking Cart Interface
FEEDER I/O
FEEDER INPUT
BOARD
EXT.BOARD
CN5
JJ1 JJ2 JJ4JJ3 JJ5 JJ6
FEEDER BASE B/D
JK1 JK2 JK3 JK4 JK6JK5
F24V/G
D_CAN-CH1
CN2 CN3CN6
SM431_DC006(J90833115B)
SM431_DC007(J90833116B)
CN3
CN4
CN10
CN11
CN1
CAN
F24V/G
FRONT/REAR SELECT SIG
DOCKING CART I/F PROBE UNIT
SM431_DC002(J90833111A)
SM431_DC005(J90833114B)
DOCKING CART IT TEST PORT
D-SUB 9PIN
SM431_DC009(J90833260A)
SM_FD017(J9080857B)
JJ7
JK7
CN13
F24V I/O
D_CAN-CH2
D-NET CAN
D-NET PW
SM431_DC008(J90833117A)

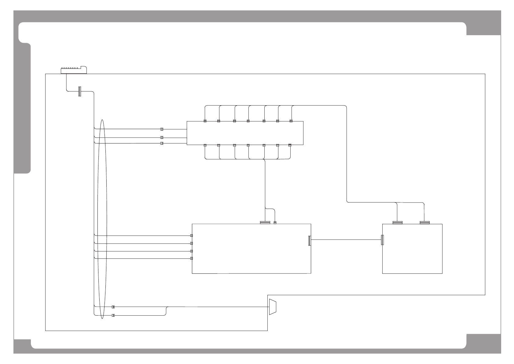
Page
SAMSUNG TECHWIN
88
SM4
3
1
Axis Sensor Board Interface (1/2)
CN1
AXIS SENSOR
BOARD
4
2
1
3
10
9
8
7
10
9
8
7
22
6
5
3
4
6
5
3
4
1
CN2
1
SAFETY CONTROL B/D
4
4
4
SM431_AX001(J90832828A)
+24V
24G
24G
+24V
2
3
1
2
1
3
2
3
1
CN21
2
(SENSOR CONN.)
BLUE
BLACK
BROWN
+24V
OUT
GND
BLUE
BLACK
BROWN
EE-1001
(SENSOR CONN.)
FY1_-LIMIT
L
2
1
3
4
+24V
OUT
GND
+24V
OUT
GND
BLACK
BLUE
BROWN
4
3
FY1_HOME
(SENSOR CONN.)
EE-1001
FY1_+LIMIT
EE-1001
1
3
4
L
1
SM431_AX003(J90832829A)
L
BLUE
BLACK
BROWN
10 10
BLUE
BLACK
BROWN
99
88
77
66
RY1_-LIMIT
(SENSOR CONN.)
EE-1001
(SENSOR CONN.)
1
3
4
OUT
L
GND
2
+24V
GND
2
55
44
BLUE
BLACK
33
22
CN3
BROWN
11
1
RY1_+LIMIT
RY1_HOME
EE-1001
EE-1001
(SENSOR CONN.)
1
3
4
OUT
+24V
GND
OUT
3
4
+24V
FRONT WORK #1 (W1-1)
A7
A9
A10
A8
REAR WORK WIDTH HOME (WW2H)
reserved IN #1
REAR BUT UP (R-BUT)
IN SHUTTLE HOME (MS1H)
IN WIDTH HOME (WS1H)
REAR WORK #1 (W2-1)
CONVEYOR
AXIS SENSOR
BOARD
A3
A5
A6
A4
A2
CN4
A1
PCB IN #2 (S1-2)
BOARD OUT #1 (BO)
PCB IN #1 (S1-1)
CON1
A12
B15
B14
B5
B9
B11
B13
B12
B10
B7
B8
B6
B1
B3
B4
B2
A14
A15
A13
A11
A7
B8
B12
B15
B13
B14
B10
B11
B9
A15
B4
B6
B7
B5
B2
B3
B1
A11
A13
A14
A12
A9
A10
A8
A3
A5
A6
A4
A1
A2
A7
B8
B12
B15
B14
B13
B10
B11
B9
A15
B4
B6
B7
B5
B2
B3
B1
A11
A13
A14
A12
A9
A10
A8
A3
A5
A6
A4
A1
A2
A7
B8
B12
B15
B13
B14
B10
B11
B9
A15
B4
B6
B7
B5
B2
B3
B1
A11
A13
A14
A12
A9
A10
A8
A3
A5
A6
A4
A1
A2
reserved OUT #1
FRONT BUT SOL
FRONT EDGE PUSHER SOL
FRONT WORK STOPPER SOL
FRONT ANC SOL
IN STP
A7A7A7A7
REAR WORK STOPPER SOL
REAR EDGE PUSHER SOL
OUT STP
FRONT BUT UP (F-BUT)
FRONT WORK WIDTH HOME (WW1H)
OUT WIDTH HOME (WS2H)
OUT SHUTTLE HOME (MS2H)
REAR WORK #2 (W2-2)
B8B8
B12B12
B15
B13
B14
B15
B14
B13
B10
B11
B9
B10
B11
B9
reserved OUT #2
REAR BUT SOL
REAR ANC SOL
A15A15
B4B4
B6
B7
B5
B6
B7
B5
B2
B3
B1
B2
B3
B1
A11A11
A13
A14
A12
A13
A14
A12
A9
A10
A8
A9
A10
A8
reserved IN #2
B8B8
B12B12
B15 B15
B13
B14 B14
B13
B10B10
B11 B11
B9 B9
A15A15
B4B4
B6B6
B7 B7
B5 B5
B2B2
B3 B3
B1 B1
A11A11
A13A13
A14 A14
A12 A12
A9A9
A10 A10
A8 A8
FRONT WORK #2 (W1-2)
CN5
A3A3
A5
A6
A4
A5
A6
A4
A1
A2
A1
A2
BOARD OUT #2 (BO)
PCB OUT #2 (S2-2)
PCB OUT #1 (S2-1)
A3A3
A5A5
A6 A6
A4 A4
A1A1
A2 A2
C0N1
FRONT WORK STOPPER UP (F-STS-UP)
REAR WORK STOPPER UP (R-STS-UP)
REAR WORK STOPPER DN (R-STS-DN)
FRONT WORK STOPPER DN (F-STS-DN)
LEFT SENSOR I/F BOARD
RIGHT SENSOR I/F BOARD
CONVEYOR
VCC
VCC
GND
GND
VCC
VCC
GND
GND
VCC
VCC
VCC
VCC
GND
GND
GND
GND
10
9
8
7
6
5
4
3
CN12
2
1
SM431_CS081(J90832916A)
CONVEYOR IF BOARD
CN14(24P)
9
10
4
7
8
5
6
2
3
1
22
10
16
21
5
15
4
9
3
FRONT WORK STOPPER UP (F-STS-UP)
FRONT WORK STOPPER DN (F-STS-DN)
FRONT BUT UP (F-BUT)
reserved IN #1
REAR WORK STOPPER UP (R-STS-UP)
REAR WORK STOPPER DN (R-STS-DN)
REAR BUT UP (R-BUT)
reserved OUT #1
PCB IN #3 (S1-3)
PCB IN #4(S1-4)
FRONT WORK STOPPER UP
FRONT WORK STOPPER DN
REAR WORK STOPPER UP
REAR WORK STOPPER DN
SM431_CS083(J90832918A)
SM431_CS082(J90832917A)
PCB OUT #3 (S2-3)
PCB OUT #4 (S2-4)
SM431_AX004(J90833127A)
22
10
16
21
5
15
4
9
3

Page
SAMSUNG TECHWIN
89
SM4
3
1
Axis Sensor Board Interface (2/2)
RECEIVER 2
TRANSMITTER 1
TRANSMITTER 2
RECEIVER 1
FFDSEN-T2
FFDSEN-R1
FFDSEN-T1
FFDSEN-R2
3
2
2
1
3
2
1
2
11
3
2
1
2
3
1
2
1
3
2
1
2
1
2
3
1
CN6
6
5
4
SM431_CS080(J90832915A)
A7
B8
B10
B9
B4
B6
B7
B5
B2
B3
B1
A9
A10
A8
STEP SLAVE(SHUTTLE/WIDTH DRIVER CN8)
CN11
AXIS SENSOR
BOARD
A3
A5
A6
A4
A1
A2
FRONT WORK WIDTH HOME (WW1H)
CN8
A11
A10
A13
A15
A14
A12
B1
B9
B5
B7
B8
B6
B3
B4
B2
A14
A15
A13
A12
A11
A10
A9
A8
A3
A7
A6
A5
A4
CN10
A1
A2
CAN IO BOARD
B1 B1B1
B9
B5
B7
B8
B6
B3
B4
B2
B9 B9
B5 B5
B7 B7
B8 B8
B6 B6
B3 B3
B4 B4
B2 B2
A11
A10
A13
A15
A14
A12
A9
A8
A3
A7
A6
A5
A4
A1
A2
A14
A15
A13
A12
A11
A10
A9
A8
A9
A8
A3A3
A7
A6
A7
A6
A5
A4
A5
A4
A1A1
A2 A2
CN3
A10
A12
A14
A13
A11
A15
B11
B10
B13
B14
B15
B12
B8
B12
B14
B15
B13
B10
B11
B9
A15
B4
B6
B7
B5
B2
B3
B1
A13
A14
A12
A11
A10
A9
A8
A7
BOARD
A6
A5
A4
A3
CN9
A2
A1
AXIS SENSOR
SERVO BOARD
B8 B8B8
B11
B10
B14
B13
B15
B12
B9
B12
B14
B15
B13
B10
B11
B9 B9
A10
A12
A14
A13
A11
A15
B4
B6
B7
B5
B2
B3
B1
VCC
A9
A8
A7
A15
B4 B4
B6 B6
B7 B7
B5 B5
B2 B2
B3 B3
B1 B1
A13
A14
A12
A11
A9
A10
A9
A8
A7
A8
A7
NEW TWIN
FY1-ML
A6
A5
A4
A3
A2
A1
CN3
A6
A5
A6
A5
A4
A3
A4
A3
A2
A1
A2
A1
B10
B12
B11
B14
B15
B13B13
B15
B14
B11
B12
B10
B12
B14
B15
B13 B13
B15
B14
B12
B10
B11 B11
B10
FY1-PL
GND
FY1-HOME
GND
GND
FY1-PL
FY1-ML
GND
GND
FY1-HOME
GND
VCC
VCC
RY1-H
VCC
RY1-ML
VCC
VCC
GND
RY1-PL
GND
GND
RY1-PL
RY1-ML
GND
GND
RY1-HOME
GND
PCB OUT #2 (S2-2)
PCB OUT #3 (S2-3)
FRONT FEEDER UNLOCK
PCB IN #3 (S1-3)
PCB IN #4 (S1-4)
REAR FEEDER UNLOCK
FRONT WORK #2 (W1-2)
REAR WORK #2 (W2-2)
BOARD OUT #2 (BO)
BOARD OUT #1 (BO)
REAR WORK #1 (W2-1)
PCB OUT #1 (S2-1)
FRONT WORK #1 (W1-1)
PCB IN #1 (S1-1)
PCB IN #2 (S1-2)
FRONT ANC
FRONT EDGE PUSHER SOL
FRONT BUT
IN STP
FRONT WORK STP
REAR EDGE PUSHER
REAR WORK STP
REAR ANC
REAR BUT
B5
B9
B10
B7
B8
B6
B1
B3
B4
B2
A10
A9
A8
A7
A6
A5
A4
A3
A2
A1
IN SHUTTLE HOME (MS1H)
GND
IN WIDTH HOME (WS1H)
GND
10
9
8
7
6
5
4
3
2
1
REAR WORK WIDTH HOME (WW2H)
OUT WIDTH HOME (WS2H)
OUT SHUTTLE HOME (MS2H)
19
20
17
18
15
16
13
14
11
12
+24V
FFDSEN
FFDSEN
+24V
+24G
+24G
+24V
+24V
+24G
+24V
FFDSEN
+24G
FFDSEN
+24V
TRANSMITTER 1
TRANSMITTER 2
RECEIVER 2
RECEIVER 1
33
+24G
+24V
22
1
RFDSEN-T1
1
+24G
+24V
11
22
RFDSEN-R2
22
RFDSEN-T2
11
3
2
3
2
11
RFDSEN-R1
6
4
5
FRONT FEEDER
UNLOCK SENSOR
UNLOCK SENSOR
REARFEEDER
SM431_CS073(J90832908A)
RESERVED OUT#2-5
RESERVED OUT#2-4
A16A16 A16 A16
PCB OUT #4 (S2-4)
A17A17 A17 A17
GND
A18A18 A18 A18
A19A19 A19 A19
A20A20 A20 A20
RESERVED OUT#2-1
RESERVED OUT#2-2
RESERVED OUT#2-3
B17
B16
B19
B20
B18B18
B20
B19
B16
B17 B17
B19
B20
B18 B18
B20
B19
B17
B16 B16
GND
OUT STP
RESERVED OUT#2-6
SM431_CS074(J90832909A)
10
9
8
7
6
5
4
3
2
1
19
20
17
18
15
16
13
14
11
12
SM431_CS072(J90832907A)