5OM-1075-002.pdf - 第52页

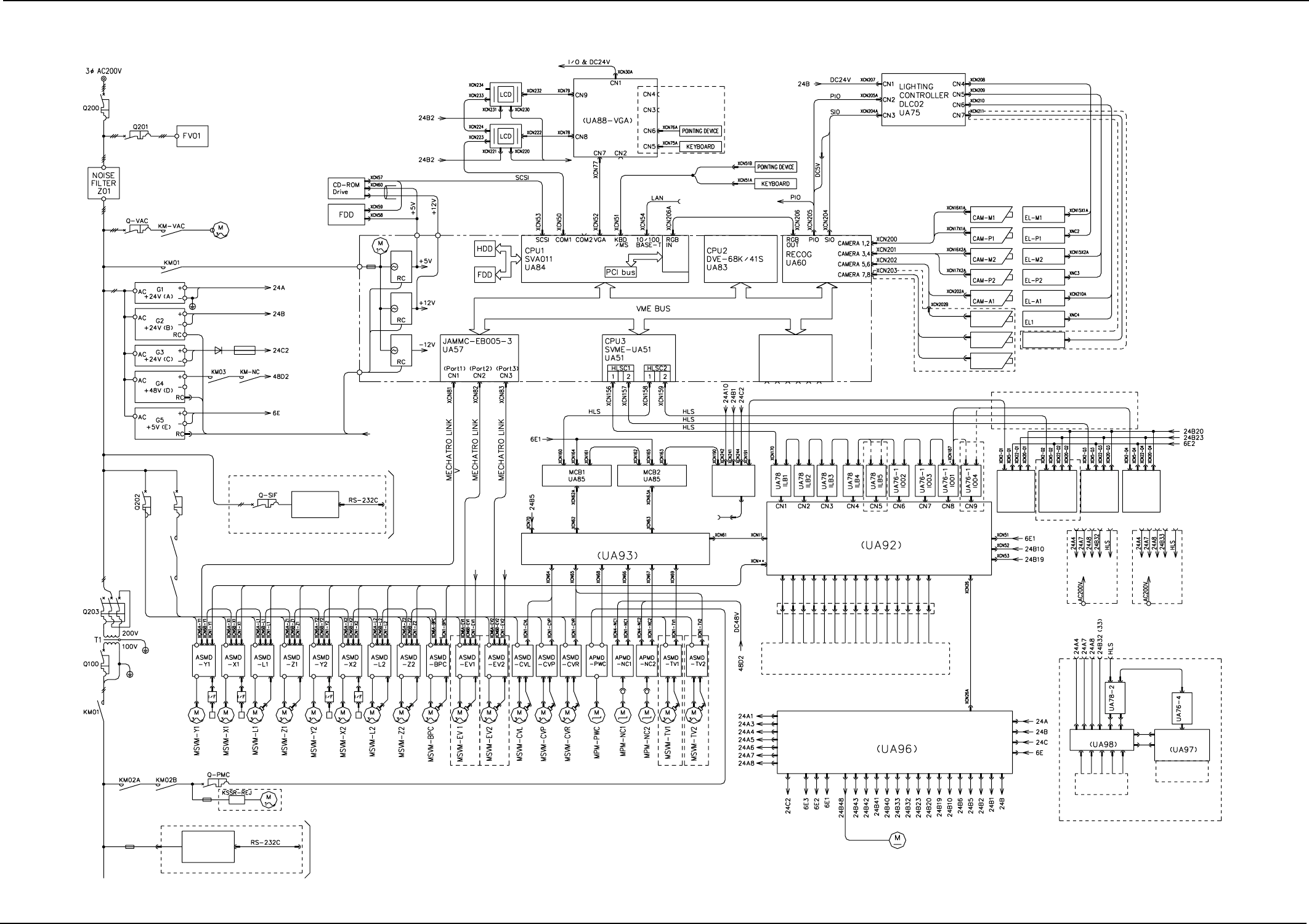
Section 4 Electrical Circuit Diagrams 0308-004 E(M750W A---2101) 4-5 AHB01EMTP 2. Electrical Circuit Diagram of Each Section Integrated Block Connection Diagram Multi-Layer T ray (Option) Slip Ring Slip Ring Loads and Se…

100%1 / 107
Section 4 Electrical Circuit Diagrams
0107-001 4-4 AHB01EMTP
Section 4 Electrical Circuit Diagrams
0308-004 E(M750WA---2101) 4-5 AHB01EMTP
2. Electrical Circuit Diagram of Each Section
Integrated Block Connection Diagram
Multi-Layer Tray (Option)
Slip Ring
Slip Ring
Loads and Sensors
Cooling Fan
Relay Board
Feeder Base #1
(IO11)
Feeder Base #2
(IO13)
Feeder Base #4
(IO05)
Multi-Layer
Tray Feeder 1
Multi-Layer
Tray Feeder 2
(Option)
(Option)
Multi-Layer Tray Feeder
(Option)
Relay Board
IL Board
I/O Board
Switch Board
Loads and
Sensors
Luminous
Switch
Feeder Base #3
(IO07)
(Option)
(Option)
(Option)
I/O Relay Board
Relay
Connecter
Lighting (Option)
Add a connector separator or a branching unit
according to the selected option.
Movable Recognition
Camera 1
P.E.C. Recognition
Camera 1
Movable Recognition
Camera 2
P.E.C. Recognition
Camera 2
Fixed Recognition
Camera
Movable Recognition
Lighting 1
Movable Recognition
Lighting 2
P.C.B. Recognition
Lighting 2
Offset Lighting
Fixed Recognition
Lighting
Fixed Recognition
Lighting
Camera (Option)
P.C.B. Recognition
Lighting 1
Pulse Train
To the input/output
machine interface
panel
UA53
Input/Output
Machine
I/F Board
(IO10)
Serial I/O
Control Board
U930
(Optional Board)
To I/O Relay Board
To I/O Relay Board
To t he
service panel
To I/O Board
(Option Selector)
Video
Capture
System Rack
VGA Distributor
From Relay Board
From Relay Board (UA98)
From Relay Board (UA98)
Pulse Train
Motor Relay Board
(Each Axis)
Lightning Surge
For I/O Board
DC 24 V for Loads
DC 24 V for Devices
For Safety Circuit
For Input/Output
Machine Interface
For NC-Axis Driver
For P.C.B. 5V
To the serial I/O
control board
ID Controller
for SIF
Q-**
(For each axis)
KM-**
(For each axis)
KM-**
(For each axis)
Linear Scale Y1
Linear Scale X1
Linear Scale Y2
Linear Scale X2
Multi-Layer Tray (Option)
Recycle CV (Option)
Chip
Inspector
(Main Body)
Option for Vertical Bend
To the serial I/O
control board
M-VAC
Vacuum Pump M
SIF (Option)
Section 4 Electrical Circuit Diagrams
0112-002C(M750WB---2101) 4-6 AHB01EMTP
Power Circuit Diagram (1)