5OM-1075-002.pdf - 第54页
Section 4 Electrical Circuit Diagrams 0107-001A(M750WB---2102) 4-7 AHB01EMTP Power Circuit Diagram (2)

Section 4 Electrical Circuit Diagrams
0112-002C(M750WB---2101) 4-6 AHB01EMTP
Power Circuit Diagram (1)

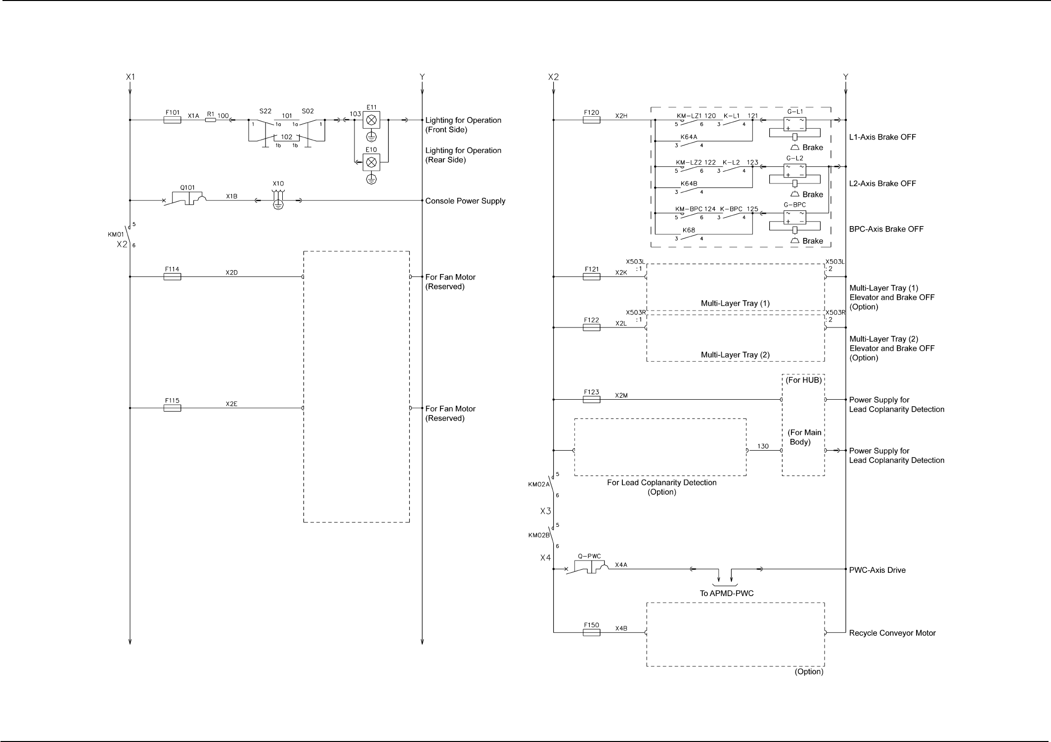
Section 4 Electrical Circuit Diagrams
0107-001A(M750WB---2102) 4-7 AHB01EMTP
Power Circuit Diagram (2)

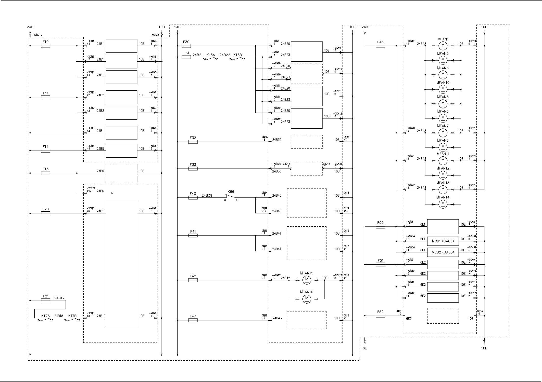
Section 4 Electrical Circuit Diagrams
0308-003 C(M750WB---2103) 4-8 AHB01EMTP
Power Circuit Diagram (3)
Lighting Control Board
(UA75)
Relay Board
(UA96)
Brake Control Relay
Wiring Section
For Electromagnetic
Valve
(Multi-Layer Tray 2 (Option))
(BCR Option)
Left Door Fan Motor
(Option)
(Lead Coplanarity Detection (Option))
Feeder Base # 2
Input/Output Machine
I/F Board (UA53)
NC1-Axis Motor Driver
NC2-Axis Motor Driver
Liquid Crystal Monitor
(Front View)
Liquid Crystal Monitor
(Rear View)
Motor Relay Board
(UA93)
I/O Relay Board
(UA92)
Sensor- and
Indicator-Related Items
For Beam Sensor 2
For Sensor on
Frame Top
For Panel 1
For Panel 2
For Cover Top
Feeder Power
Supply 2
Feeder Power
Supply 1
Feeder Base #1
Feeder Base #2
(Option)
Feeder Base #3
Feeder Base #4
(Multi-Layer Tray 1 (Option))
(Vertical Bend Detection (Option))
Right Door Fan Motor
Feeder Base # 4
Feeder Base # 3
Feeder Base # 1
I/O Relay Board
(UA92)
Note 1
Frame Lower
R Side 1
Fan Motor
Frame Lower
R Side 2
Fan Motor
Frame Lower
R Side 3
Fan Motor
Frame Lower
Front Fan Motor
Frame Lower
L Side 1
Fan Motor
Frame Lower
L Side 2
Fan Motor
Frame Lower
L Side 3
Fan Motor
Frame Lower
L Side 4
Fan Motor
Frame Top
Exhaust
Fan Motor 1
Frame Top
Exhaust
Fan Motor 2
Frame Top
Exhaust
Fan Motor 3
Frame Top
Exhaust
Fan Motor 4
Feeder
Power Supply 2
Feeder
Power Supply 1