5OM-1075-002.pdf - 第70页
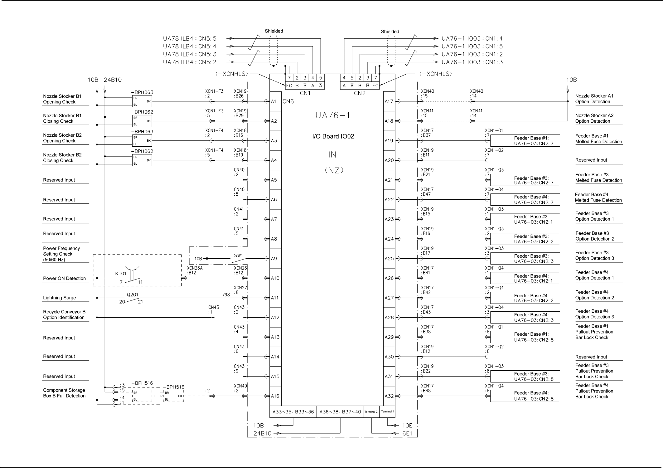
Section 4 Electrical Circuit Diagrams 01 12-002B(M750WD---21 1 1) 4-23 AHB01EMTP I/O Board IO02 (1/2)

Section 4 Electrical Circuit Diagrams
0112-002B(M750WD---21 10) 4-22 AHB01EMTP
I/O Board IO01 (2/2)

Section 4 Electrical Circuit Diagrams
0112-002B(M750WD---21 11) 4-23 AHB01EMTP
I/O Board IO02 (1/2)

Section 4 Electrical Circuit Diagrams
0112-002B(M750WD---21 12) 4-24 AHB01EMTP
I/O Board IO02 (2/2)