5OM-1075-002.pdf - 第74页
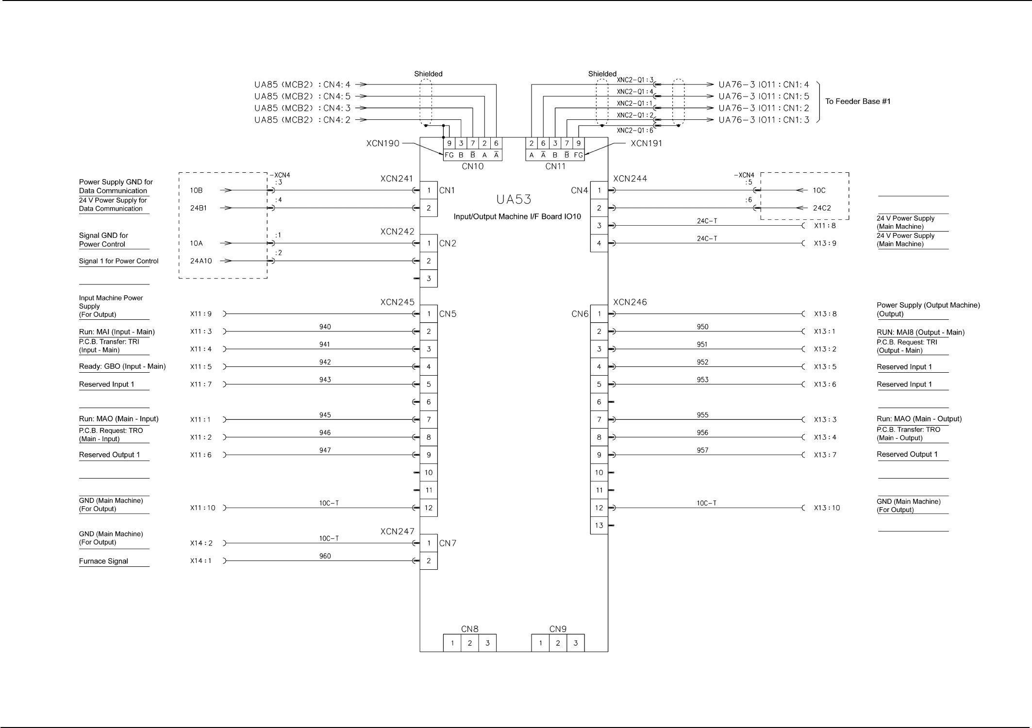
Section 4 Electrical Circuit Diagrams Input/Output Machine I/F Board IO10 0107-001A(M750WD---21 15) 4-27 AHB01EMTP

Section 4 Electrical Circuit Diagrams
I/O Board IO03 (2/2)
0308-003 C(M750WD---2114) 4-26 AHB01EMTP
Reserved Output
Reserved Output
Reserved Output
P.C.B. ZR Clamp
Forward
P.C.B. ZR Clamp
Backward
P.C.B. Stopper P1
Upward Movement
P.C.B. Stopper P1
Downward Movement
P.C.B. Stopper P2
Upward Movement
P.C.B. Stopper P2
Downward Movement
P.C.B. YL Pusher
Forward
P.C.B. YL Pusher
Backward
P.C.B. YR Pusher
Forward
P.C.B. YR Pusher
Backward
P.C.B. ZL Clamp
Forward
P.C.B. ZL Clamp
Backward
BPC-Axis Brake
Forced Release
I/O Board IO03
Tower Light (Green)
Tower Light (Yellow)
Tower Light (Red)
Tower Light (Reserved)
Alarm Buzzer
Material Shortage
Warning Lamp
Feeder Section B (ON)
Material Shortage
Warning Lamp
Feeder Section B
(ON and OFF)
Material Shortage
Warning Lamp
Feeder Section A (ON)
Material Shortage
Warning Lamp
Feeder Section A
(ON and OFF)
Reserved Output
Reserved Output
Reserved Output
Reserved Output
Reserved Output
Reserved Output
Reserved Output
Note 2
Note 1: The areas enclosed by broken lines are located inside the relay board (UA96).
Note 2: The area enclosed by a dashed line is located inside the I/O relay board (UA92).
Note 1

Section 4 Electrical Circuit Diagrams
Input/Output Machine I/F Board IO10
0107-001A(M750WD---2115) 4-27 AHB01EMTP

Section 4 Electrical Circuit Diagrams
Feeder Base (Power Supply Section)
0107-001A(M750WF---2101) 4-28
AHB01EMTP