5OM-1075-002.pdf - 第83页

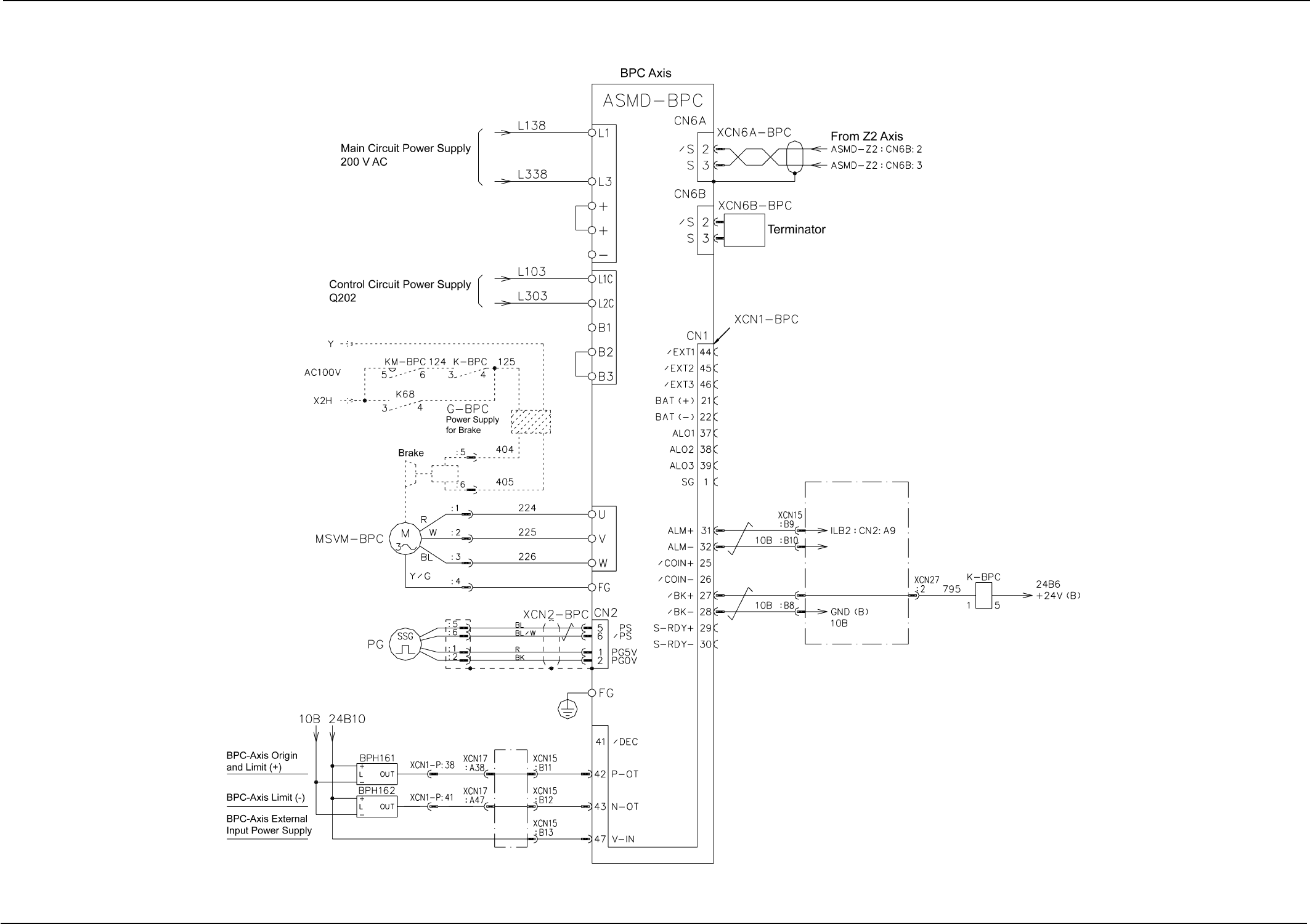
Section 4 Electrical Circuit Diagrams 0107-001-(M750WH---2104) 4-36 AHB01EMTP Z1- and Z2-Axis Motor Circuit Diagram

100%1 / 107