5OM-1075-002.pdf - 第86页
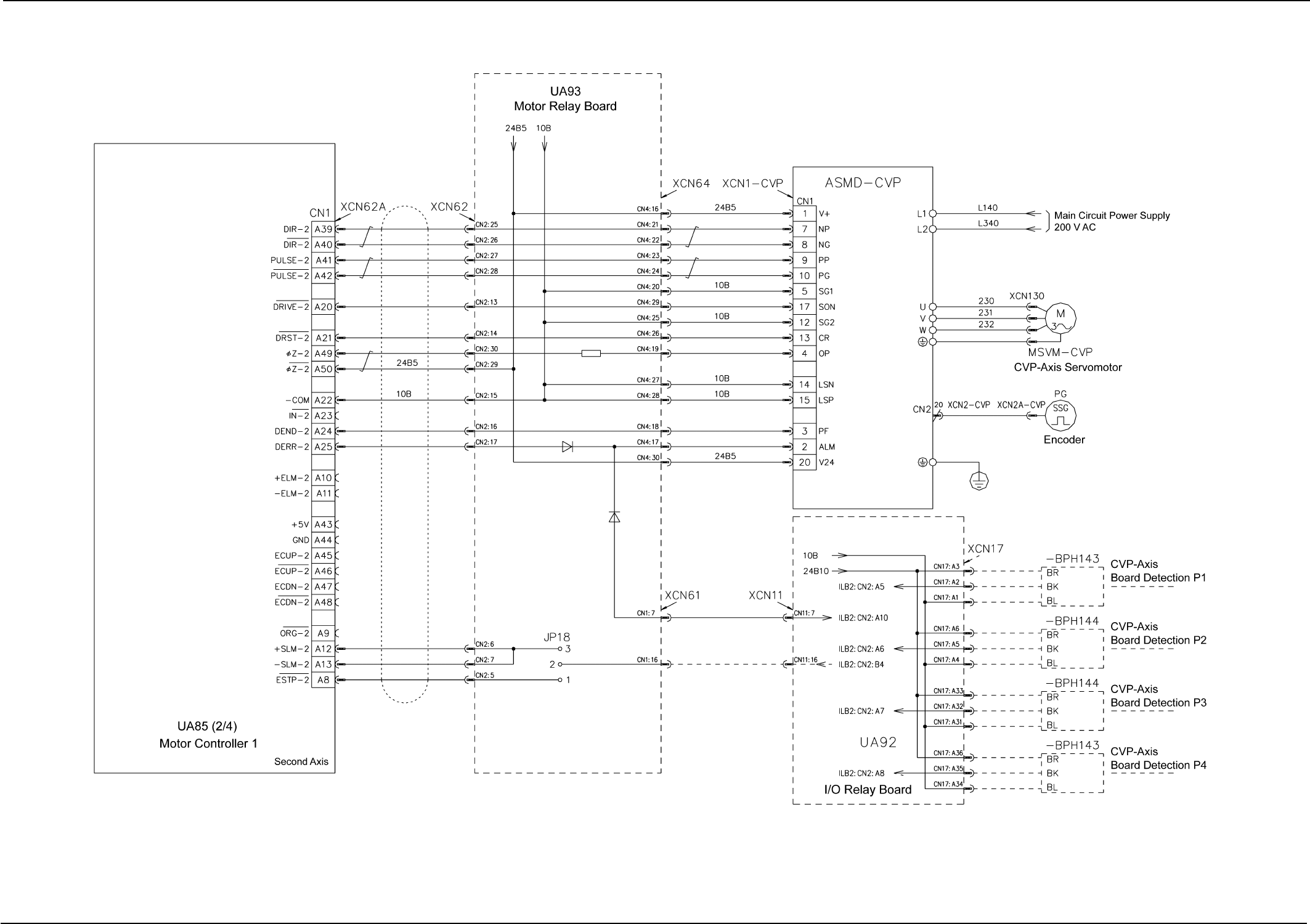
Section 4 Electrical Circuit Diagrams CVP-Axis Motor Circuit Diagram 0107-001A(M750WK---2102) 4-39 AHB01EMTP

Section 4 Electrical Circuit Diagrams
0107-001A(M750WK---2101) 4-38 AHB01EMTP
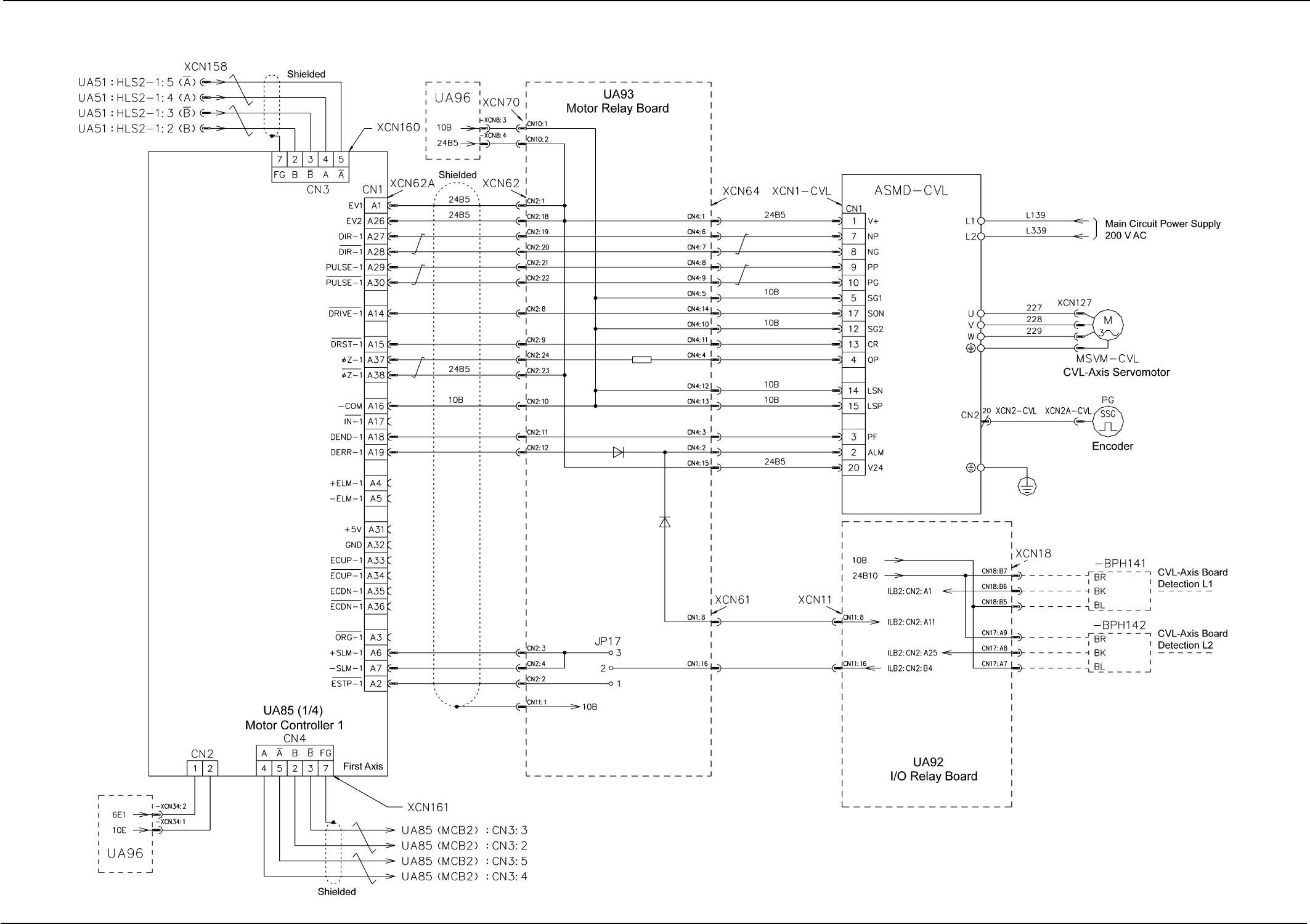
CVL-Axis Motor Circuit Diagram

Section 4 Electrical Circuit Diagrams
CVP-Axis Motor Circuit Diagram
0107-001A(M750WK---2102) 4-39 AHB01EMTP

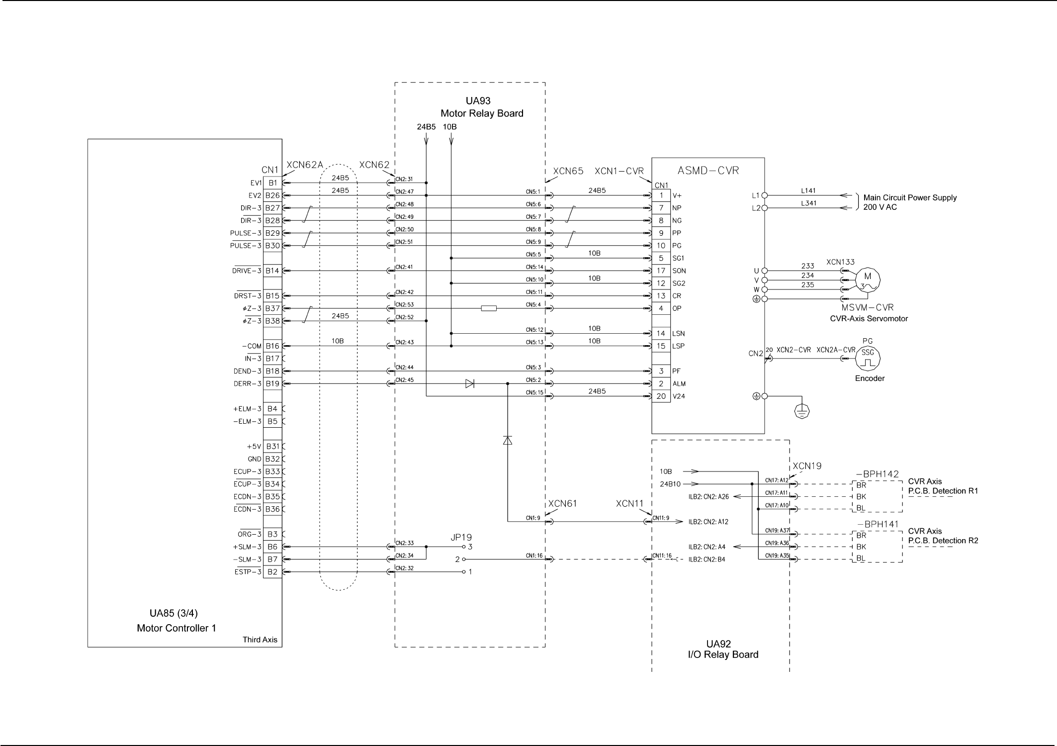
Section 4 Electrical Circuit Diagrams
CVR-Axis Motor Circuit Diagram
0107-001A(M750WK---2103) 4-40 AHB01EMTP