5OM-1075-002.pdf - 第88页

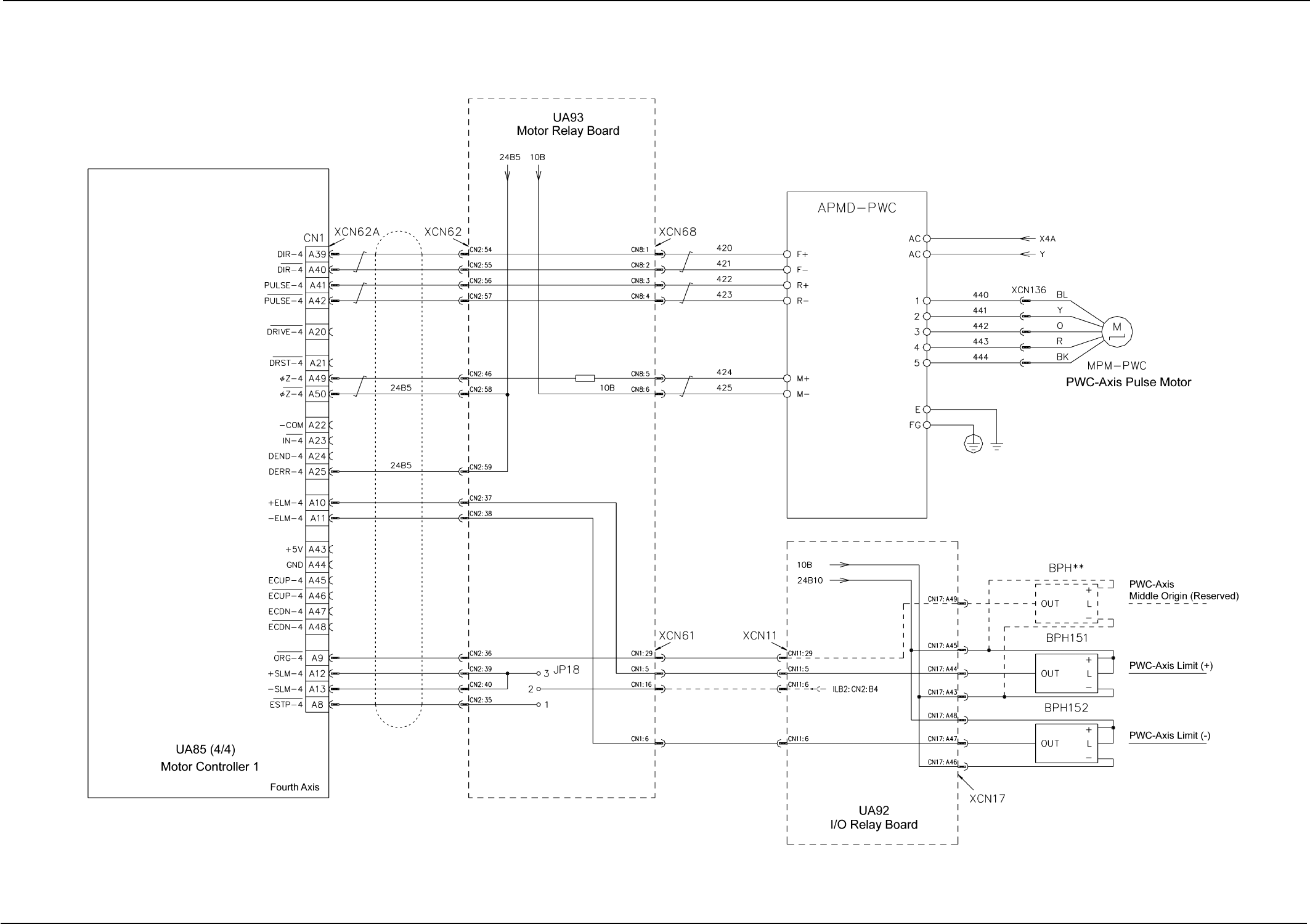
Section 4 Electrical Circuit Diagrams PWC-Axis Motor Circuit Diagram 0107-001A(M750WK---2104) 4-41 AHB01EMTP

100%1 / 107