5OM-1075-002.pdf - 第90页
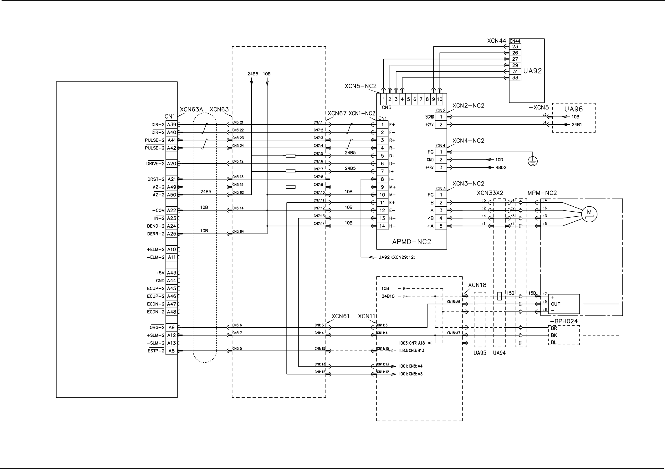
Section 4 Electrical Circuit Diagrams NC2-Axis Motor Circuit Diagram 0308-004 E(M750WK---2106) 4-43 AHB01EMTP Motor Relay Board UA93 Motor Controller 2 UA85 (2/4) Second Axis NC2-Axis Pulse Motor NC2-Axis Motor Origin NC…

Section 4 Electrical Circuit Diagrams
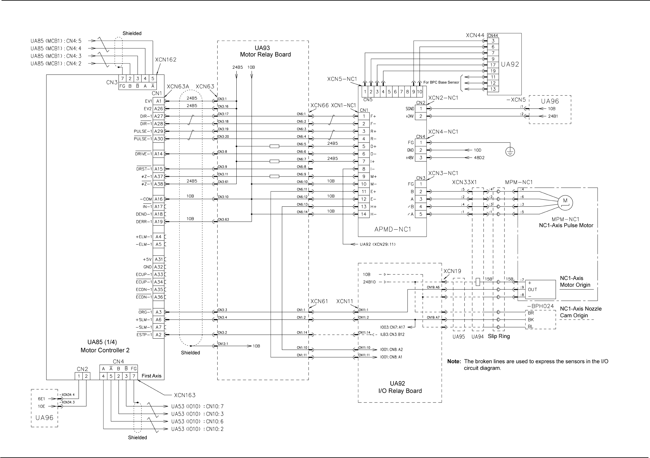
NC1-Axis Motor Circuit Diagram
0206-003D(M750WK---2105) 4-42 AHB01EMTP

Section 4 Electrical Circuit Diagrams
NC2-Axis Motor Circuit Diagram
0308-004 E(M750WK---2106) 4-43 AHB01EMTP
Motor Relay Board
UA93
Motor Controller 2
UA85 (2/4)
Second Axis
NC2-Axis Pulse Motor
NC2-Axis
Motor Origin
NC2-Axis
Nozzle Cam Origin
Slip Ring
UA92
I/O Relay Board
MPM-NC2
Note: The broken lines are used to express the sensors in the I/O
circuit diagram.

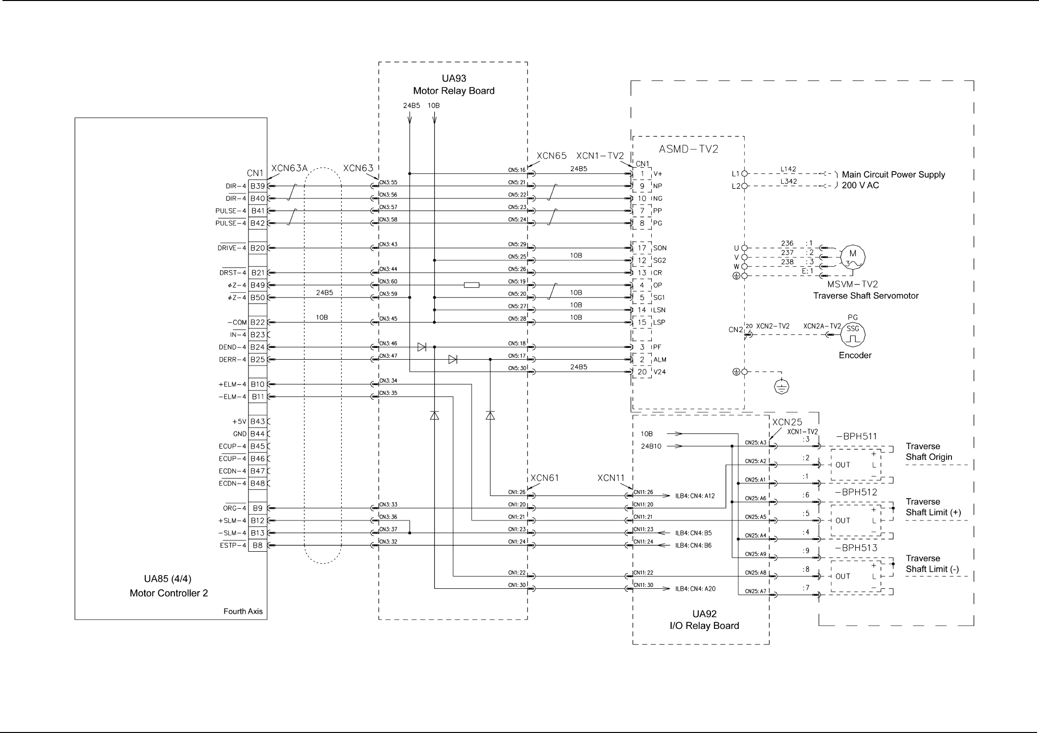
Section 4 Electrical Circuit Diagrams
TV2-Axis Motor Circuit Diagram
0107-001(M750WK---2107) 4-44 AHB01EMTP