5OM-1075-002.pdf - 第93页

Section 4 Electrical Circuit Diagrams Detailed View of Slip Ring Section 0308-004 C(M750WM---2102) 4-46 AHB01EMTP F rom Relay Board (UA95) V acuum V alve V acuum Breaker V alve V acuum Sensor (Analog) NC-Axis Cam Origin …

100%1 / 107
Section 4 Electrical Circuit Diagrams
Detailed View of Head Section
0308-004 D(M750WM---2101) 4-45 AHB01EMTP
X-Axis Collision Detection
L-Axis Origin
L-Axis Limit (+)
L-Axis Pass Line Sensor
NC-Axis Motor Origin
NC-Axis Cam Origin
Excessively Inserted
Nozzle Detection
NC-Axis Loss of
Synchronism Detection
Reserved Output
Reserved Input
Reserved Output
Bud Mark Option Detection
Vacuum Sensor (Se10)
Reserved Input
Reserved Input
Vacuum Sensor Input 1
Reserved Output
Vacuum Valve
Vacuum Breaker Valve
Reserved Output
Vacuum Sensor Input 2
Vacuum Sensor (Se11)
Vacuum Sensor (Se12)
Vacuum Sensor (AS)
Reserved Output
Reserved Input
Reserved Input
Reserved Output
24B10 (Bad Mark)
Bad Mark Option Detection
10B (Bad Mark)
Bad Mark Sensor
Bad Mark Sensor (REMOTE)
Sensor Connector (1)
Power Supply/
Output Connector
Vacuum Sensor
Controller
Y
GN
R
GY
W
BK
BL
BR
L-Axis Pass Line Sensor
X-Axis Collision Detection
L-Axis Origin
L-Axis Limit (+)
NC-Axis Cam Origin
Excessively Inserted Nozzle Detection
NC-Axis Motor Origin
Vacuum Valve
Vacuum Breaker Valve
Vacuum Sensor (Se10)
NC-Axis Loss of Synchronism Detection
10B (
Vacuum Sensor)
Vacuum Sensor Input 1
Vacuum Sensor (Se11)
Vacuum Sensor (Se12)
Vacuum Sensor (AS)
Vacuum Sensor Input 2(Shift)
Vacuum Sensor Power Supply (+24 V)
Vacuum Sensor (GND)
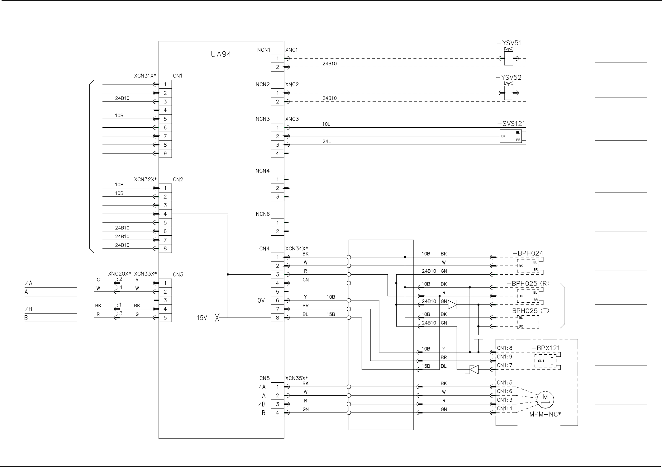
Section 4 Electrical Circuit Diagrams
Detailed View of Slip Ring Section
0308-004 C(M750WM---2102) 4-46 AHB01EMTP
F
rom Relay Board (UA95)
Vacuum Valve
Vacuum Breaker Valve
Vacuum Sensor (Analog)
NC-Axis Cam Origin
Excessively Inserted
Nozzle Detection
NC-Axis Motor Origin
Slip Ring
NC-Axis
Motor Origin
Vacuum Valve
Vacuum Breaker Valve
Vacuum Sensor (Analog)
Reserved Sensor
Reserved Power Supply
NC-Axis Cam Origin
Excessively Inserted
Nozzle Detection
NC-Axis Motor Origin
NC-Axis Pulse Motor
NC-Axis Pulse Motor
Sensor Head Minus Common
Sensor Head Plus Common
NC-Axis Loss of
Synchronism Detection
Section 4 Electrical Circuit Diagrams
0308-002 A(M750WR---2101) 4-47 AHB01EMTP
Beam 1 (Right)
Beam 2 (Left)
Movable Recognition
Camera 2 (Left)
Shielded Shielded Shielded
Shielded
Shielded
Shielded
P.E.C. Recognition
Camera 2 (Left)
Recognition Board UA60
Shielded Shielded Shielded
Movable Recognition
Camera 1 (Right)
Shielded
Shielded
Shielded
P.E.C. Recognition
Camera 1 (Right)
Recognition Board Connection Diagram 1