GD450使用说明书 - 第28页
- 28 - 第四章 操作系统说明 第四章 操 作系统说 明 4.1 系统启动 打开机器主电源开关,将自动进入主窗口画面。操作程序如下: 打开 总电 源开 关 打开 气源 开关 打开 机器 主电 源开 关 进入 机器 主画 面(主菜单) 4.2 主窗口组成 图 4 -1 主窗口画面 主窗口包括两个部分: 主工具栏 1 主工具栏 1 主工具栏 2

- 27 -
第三章
生产工作流程
图 3-19(微调窗口)
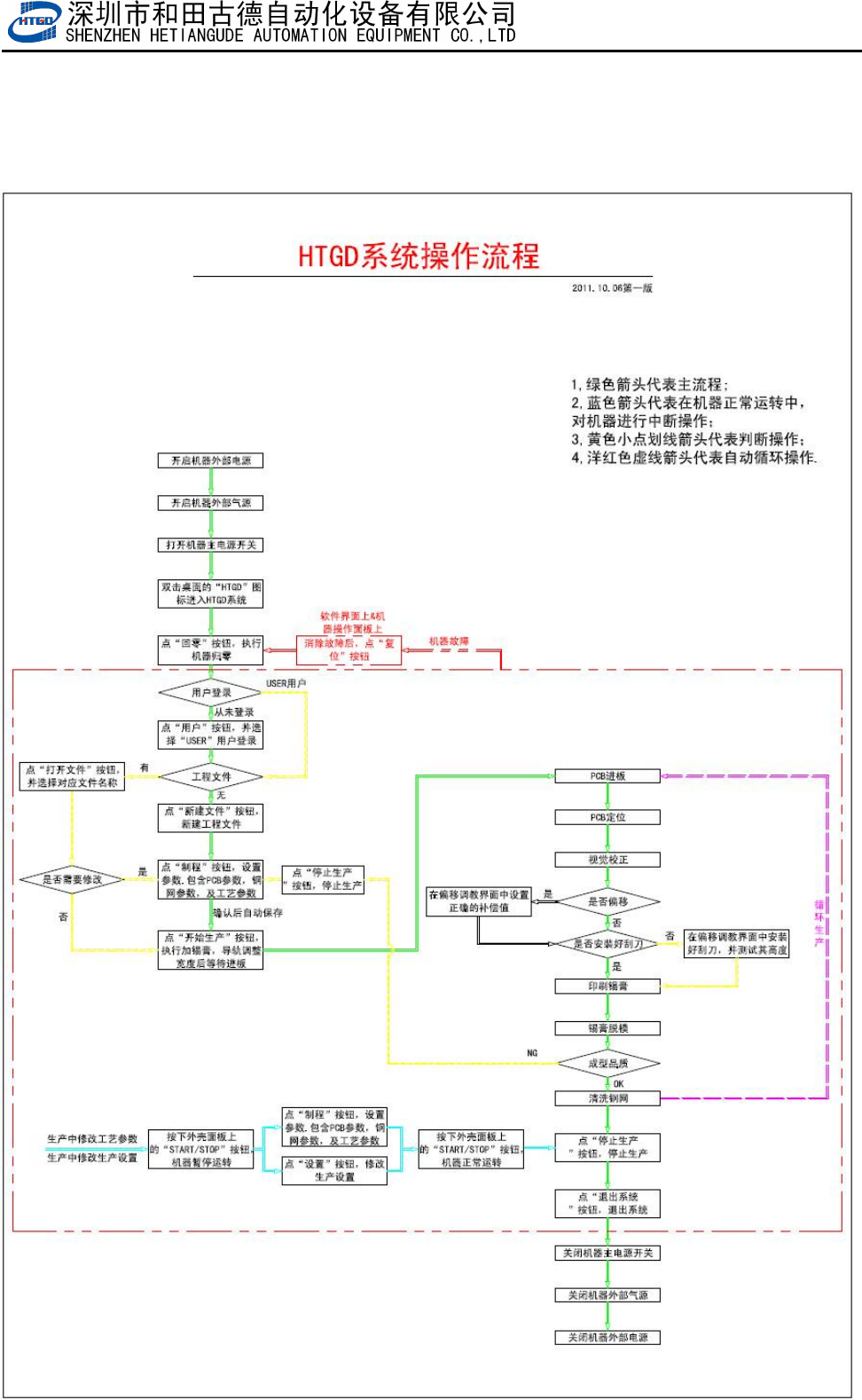
3.4 生产流程

- 28 -
第四章
操作系统说明
第四章 操作系统说明
4.1 系统启动
打开机器主电源开关,将自动进入主窗口画面。操作程序如下:
打开总电源开关 打开气源开关 打开机器主电源开关 进入机器主画
面(主菜单)
4.2 主窗口组成
图 4-1 主窗口画面
主窗口包括两个部分:
主工具栏 1
主工具栏
1
主工具栏
2

- 29 -
第四章
操作系统说明
主工具栏 2
4.2.1 主工具 1 栏功能解释及其操作
1. :用户权限。不同的用户有不同的权限;
图 4-1(用户设置界面)