C-ATS_cwd_je.pdf - 第8页
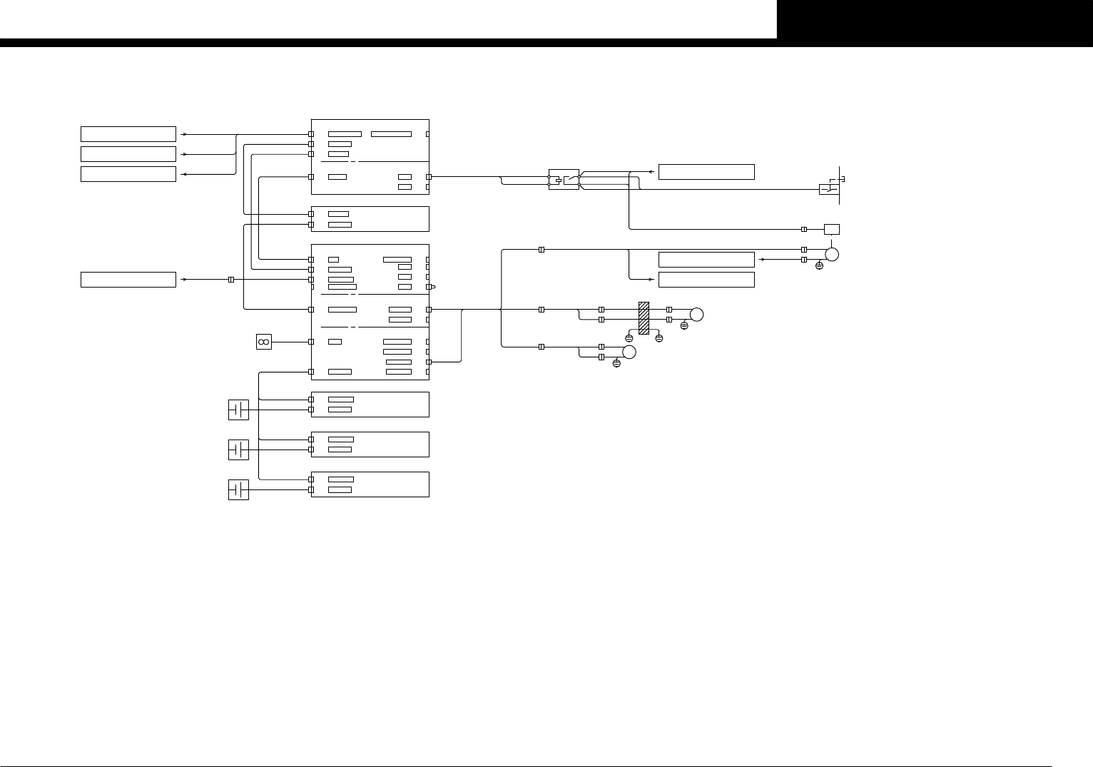
Confidential & Proprietary P A GE CN2 CN4 CN1 CN3 CN6 DO0 CN7 DO1 CN8 CV C/R I/O UNIT ASSY 48V/24V /EMG CAMERA SEL POW DO IN IC PO W 48V P OW POW CN2 J0838 DC48V DC24V SAFETY C/R CN1 POW IN POW O UT CN2 REGENE.BOARD …

Confidential & Proprietary
PAGE
G1:GND
V1:INPUT POWER
SiX:SAFETY INPUT
TX:TEST OUTPUT
V2:OUTPUT POWER
G2:GND
SoX:SAFETY OUTPUT
So0
So1
So2
So3
V2
G2
G1
V1
Si0
SAFETY CONTROLLER A31
+
-
So4
So5
So6
So7
A1
A1
A2
A2
EMERGENCY CIRCUIT
See Page 3
INTERFACE CIRCUIT
See Page 1
+24VA
-
+
Si1
Si2
+24VA
T1
Si7
Si6
Si8
See Page 1
INTERFACE CIRCUIT
Si10
Si11
Si16
Si17
Si18
Si19
T0
(SHUTTER)
(SHUTTER)
Si3
Si4
Si5
2122
2122
LOGICLOGIC
1
2
1
2
88
・
5
6
77
5
6
・
DOOR3
DOOR COVER SW
SQ353
1
2
1
2
88
・
5
6
77
5
6
・
DOOR2
DOOR COVER SW
SQ352
1
2
DOOR1
1
2
88
・
5
6
77
5
6
・
DOOR COVER SW
SQ351
EMERGENCY CIRCUIT
See Page 3
Configuration ID : 2205
T4
T5
SUPPLY ST. MAGAZINE 1 MAGAZINE 2
Si8 GOOD
Si10 SRV ON
Si11 EMG IN
So1 S.CR OK
So2 KM21 ON
So3 KM22 ON
So7 EMG OUT
AZ SAFE POSITION
SQ355
SHUTTER CLOSE
SQ354
GND
KM22
KM21
KM21
KM22
(AZ SAFE POS)
(AZ SAFE POS)
U51
V51
W51
+48VA +48VB
U52
V52
W52
GND
CC.V3
4
SAFETY PROGRAM
C-ATS

Confidential & Proprietary
PAGE
CN2 CN4
CN1
CN3
CN6 DO0 CN7
DO1 CN8
CV C/R I/O UNIT ASSY
48V/24V/EMG CAMERA SEL POW
DO IN
IC POW
48V POW
POW CN2
J0838DC48V
DC24V
SAFETY C/R
CN1 POW IN
POW OUTCN2
REGENE.BOARD ASSY P209
POW BOARD ASSY P201
I/O BOARD ASSY P202
J0839
J0840
J0841
J0842
POW CN1
CHG CN1
CHG CN2
POW CN3
IO CN6 IO CN7
BATT INCN1
BATT OUTCN2
BATT INCN1
BATT OUTCN2
CN7 DO
CN6 S-POWER
MOTOR 1 CN1MOTOR POW
MOTOR 2
CN1INC ENC 1CN5 FAN
CN2INC ENC 2
CN3
CN4
CN1OPTION IF
CV C/R SERVO UNIT ASSY
ETHER IN
ETHER OUT
CN8A
CN8B
CN5
CN4
SER ENC1
SER ENC2
CN5DI2
CN2VAC
CN3DI1
SRV BOARD ASSY P203
DRV BOARD ASSY P204
ENC BOARD ASSY P205
BATT INCN1
BATT OUTCN2
BATT BOARD ASSY-1 P206
BATT BOARD ASSY-2 P207
BATT BOARD ASSY-3 P208
FAN
BATTERYCN8
FAN 51
SRV C/R FAN
J0844
J0843
DRV CN5
SRV CN6
SRV CN7
SRV CN5
BAT 1
BAT 2
BAT 3
ENC CN8
ENC CN3
DRV CN1
SRV CN8J0879J0834
GB10
GB11
GB12
POWER CIRCUIT
See Page 2
INTERFACE CIRCUIT
See Page 1
SAFETY UNIT
See Page 7
See Page 6
FDR CTRL BRD ASSY
AHM
AHM
AHP
FLEXIBLE
AHM
AHP
J0847
J0848
ASM
ASM
ASP
KA22
AZM
J0850
M62
M61
DUCT AZ
J0846
J0849
J0888
□42 50W
AH-AXIS
AS-AXIS
□42 50W
KA22 4 +24VA
KA22 4 +24VA
KA22 3 AZ BK
KA22 3 AZ BK
J0853
J0845
KM22
See Page 7
SAFETY UNIT
J0854
A31 V2,G2
AZP
AZM
KM22
J0852
M63
AZ-AXIS BRAKE
SAFETY UNIT
See Page 7
SAFETY UNIT
See Page 7
YB301
SB33
AZ-AXIS
BRAKE OFF SWITCH
J0877
□62 150W
AZ-AXIS
AZ BK
LAN
FDR SAFE
LAN
4
3
5
1
KA22 5 SIG
KA22 1 GND
CC.V3
5
SERVO CONTROLLER
C-ATS

Confidential & Proprietary
PAGE
FDR.CTRL.BOARD.ASSY.P211
SQ353
LOCK DI : N0108C37/N0110C37
LOCK DO : T0108321A/T0110321A
DOOR3
SQ352
SQ351
DOOR2
DOOR1
J0872
J0873
J0874
LOCK DO : T0108320A/T0110320A
LOCK DI : N0108C36/N0110C36
LOCK DI : N0108C35/N0110C35
LOCK DO : T0108319A/T0110319A
CN13+24V_IN
CN18DO0
DO1 CN19
POWER CN30
B.CN13
B.CN30
B.CN19
B.CN18
Note : XXXX / XXXX refers to the front side / rear side.
DI6 CN27
B.CN27 DOOR SW
NON-STOP SUPPLY SW
DI : N0108C85/N0110C85
SB31
DO : T0108322/T0110322
T0108323/T0110323
HL21
DOOR LOCK LED
J0875
J0876
LOCK L
DOOR LT
RACK SW
RACK SELECT SW
RACK1 : N0108C86/N0110C86
RACK2 : N0108C87/N0110C87
SB32
J0878
DI0 CN21
CN21 DI
CN1
CN2
CN3
・
・
・
CN12
CN1
CN2
CN3
CN12
CN16RS232C
CN22DI1
FDR CN22
DI7 CN28
B.CN28
1IN
JUNCTION BOX
2
XT97-1
XT97-2
N0108C91/N0110C91
SQ331
PALLET HIGH LIMIT
3
4
5
6
PALLET CLAMP OPEN
PALLET CLAMP CLOSE
PALLET GUIDE OPEN
PALLET GUIDE CLOSE
XT97-3
XT97-4
XT97-5
XT97-6
N0108C96/N0110C96
N0108C95/N0110C95
N0108C94/N0110C94
N0108C93/N0110C93
SQ336
SQ335
SQ334
SQ333
7
XT97-7
PALLET LOW LIMIT
N0108C92/N0110C92
8
XT97-8
XT97
N0108C97/N0110C97
SQ337
SQ332A
SQ332B
C.OP
C.CL
G.OP
G.CL
PICK ORG
XT97 IN
PLT HIGH
P.LOW +24V
PLT LOW
PICK UP ST.PALLET ORG
STOCKER ASSY
DI3 CN24
B.CN24
DI2 CN23
B.CN23
1IN
JUNCTION BOX
2
3
4 N.C.
N.C.
5
6
MAGAZINE 1 SET
MAGAZINE 2 SET
7
8 N.C.
N.C.
XT93
XT93-1
XT93-2
SQ306
SQ307
N0108C10/N0110C10
N0108C11/N0110C11
N0108C14/N0110C14
N0108C15/N0110C15
1IN
JUNCTION BOX
2
3
4
PALLET SET
PALLET CLAMP
SHUTTER OPEN
SHUTTER CLOSE
XT94-1
XT94-2
XT94-3
XT94-4
SQ311
SQ312
SQ313
SQ314
N0108C16/N0110C16
N0108C17/N0110C17
N0108C20/N0110C20
N0108C21/N0110C21
5 LOGIC
6
7
8 N.C.
N.C.
N.C.
XT94
XT94-5
N0108C22/N0110C22
SAFETY C/R
SQ354
NON-CONTACT SW
SHUTTER CLOSE
LATCH RIGHT OPEN
LATCH RIGHT CLOSE
XT93-5
XT93-6
SQ302
SQ303
ST.OP
ST.CL
P.CL
SHT
P.SET
M1.SET
M2.SET
LAT.R OP
LAT.R CL
XT93 IN
XT94 IN
See Page 7
SAFETY UNIT
MAGAZINE ASSY
ATS COVER
SUPPLY ST.DOOR
MAGAZINE1 DOOR
MAGAZINE2 DOOR
EXT CN29
B.CN29
CN14CUnet/SET POS.
I/O CN17
OFF
ON
1
DIP SW
CN15CUnet2
FDR R CL
SQ344 ZSF COVER R OPEN
FDR DI
FDR DO 1
FDR DO 2
・Multi-stick feeders
・QFP recovery conveyor
FEEDER FLOAT
N0108C84/N0110C84
SQ343A
SQ343B
FDR FLT
FLT 24V
・SS feeders
・ZS feeders
FDR.HOLDER ATS 12
FDR L CL
SQ345 ZSF COVER L OPEN
FAN
FAN52
DOOR CL
SAFETY C/R
J0870
See Page 7
SAFETY UNIT
5 +
1 -
16
12
11
15
10
14
9
13
6 +
2 -
7 +
3 -
8 +
4 -
KA21
SHORTBAR SHORTBAR
KA21 13 DR1LK
KA21 14 DR2LK
KA21 5 DR1DO
KA21 1 0V
KA21 6 DR2DO
KA21 7 DR3DO
KA21 4 0V
KA21 15 DR3LK
KA21 9 +24V
KA21 12 +24V
1IN
JUNCTION BOX
2
N0108C26/N0110C26
N0108C25/N0110C25
LATCH LEFT OPEN
LATCH LEFT CLOSE
3
4
5
6
7
8 N.C.
N.C.
N.C.
N.C.
N.C.
N.C.
1IN
JUNCTION BOX
PALLET ORG
2
3
4 N.C.
N.C.
5
6
MAGAZINE 1 CLAMP
MAGAZINE 2 CLAMP
N0108C33/N0110C33
N0108C34/N0110C34
XT95
XT95-1
XT95-2
XT96-1
XT96-2
XT96-5
XT96-6
SQ304
SQ305
SQ301A
SQ301B
SQ308
SQ309
7
8 N.C.
N.C.
XT96
M1CL
M2CL
LAT.L OP
LAT.L CL
XT95 IN
XT96 IN
PLT ORG
PLT+24V
N0108C31/N0110C31
HOOK1
HOOK2
HOOK1 UP
HOOK2 UP
T0108313/T0110313
T0108314/T0110314
YV303
YV304
1
JUNCTION BOX
2
3
4
5
6
7
8
HOOK 2 UP
HOOK 1 UP
HOOK 1 DOWN
HOOK 2 DOWN
RACK PALLET CHECK
PALLET CHECKT 2
PALLET CHECKT 1
XT98
N0108C74/N0110C74
N0108C75/N0110C75
N0108C76/N0110C76
N0108C77/N0110C77
N0108C80/N0110C80
N0108C81/N0110C81
N0108C82/N0110C82
N0108C83/N0110C83
SQ325
SQ326
SQ327
SQ328
SQ321
SQ322
SQ323
SQ324
XT98-1
XT98-2
XT98-3
XT98-4
XT98-5
XT98-6
XT98-7
XT98-8
H1.UP
H1.LO
H2.UP
H2.LO
PLT CHK1
PLT CHK2
PICK P.CHK
MGZ P.CHK
IN
XT98 IN
HOOK ASSY
PICK UP ST.PALLET CHECK
DUCT AZ
FLEXIBLE
SHUTTER OPEN
LATCH OPEN
PALLET CLAMP OPEN
PALLET GUIDE OPENPLT GUIDE
PLT CLAMP
LATCH
SHUTTER
T0108310/T0110310
T0108311/T0110311
T0108315/T0110315
T0108316/T0110316
YV301
YV302
YV305
YV306
BCR PWR
HD CONNECTOR
J0833
INTERFACE CIRCUIT
See Page 1
HOOK DI J0865HOOK
HOOK DO
J0866
INDI DO
INDI CN5
INDICATOR ASSY SEL
See Page 8
CUT CL
CUT VALVE
J0871 CUT VALVE
TAPE CUTTER VALVE
TAPE CUTTER
TAPE CUTTER CLOSE
OPEN :T0100080/T0100084
CLOSE:T0100081/T0100085
N0100354/N0100357
SQ346
YV307
FDR SAFE
CLAMP1
CART CLAMP-1
N0108CA3/N0110CA3
SQ341
CLAMP2
CART CLAMP-2
N0108CA4/N0110CA4
SQ342
FDR SAFE
J0838 SERVO CONTROLLER
See Page 5
J0832
LOGIC
SAFETY C/R
N0108C41/N0110C41
SQ355
NON-CONTACT SW
See Page 7
SAFETY UNIT
AZ SW SEN AZ SAFE POSITION
KM21/KM22
SAFETY C/R See Page 7
SAFETY UNIT
P.CN13
P.CN30
P.CN19
P.CN18
J0856
J0857
J0864
P.CN27
J0862
J0863
P.CN24
J0859
P.CN23
J0858
P.CN29
J1301
J1311
J1312
J1313
J1322
・
・
・
J1302
P.CN28
P.CN14
P.CN14
J0902
J0912
J0904
J0903
J0910
J0911
J0907
J0906
J0901
J0899
J0900
P.CN14CN14
CN17
J0892
FDR CN15
CN14
CN17
CN15
INDICATOR SINGLE COLOR
INDICATOR THREE COLOR
CC.V3
6
FDR CTRL BRD ASSY
C-ATS