F5HM Circuit Diagrams - 第150页
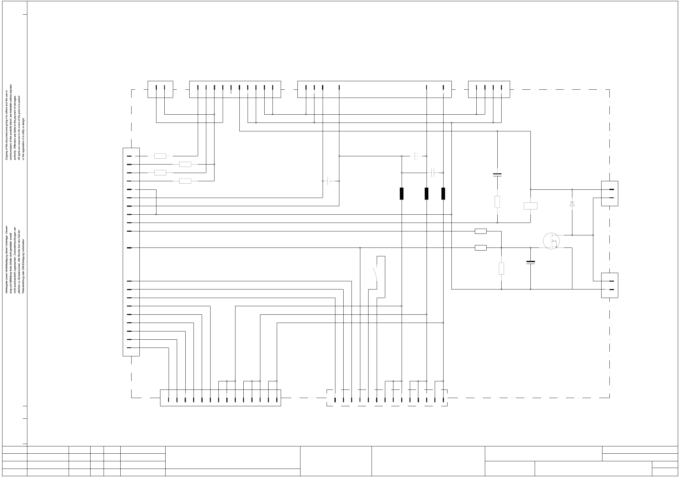
6 WPC 80F/3 150 0030285 2-030101 LD3 Contro l of serv o boards a nd brake 2 3 2 1 1 1 00302 852-0 30101LD3 02.09.199 2 Beinin g R. Heuberg er F. 00302852-030101LD3 Control of servo boards and brake Wafflepack Changer / S…

6 WPC 80F/3 149
00302827-020201LD3 Control unit / servo unit
1
1
00302827-020201LD3
00302827-020201LD3
Control unit / servo unit
Waffle-Pack Changer SIPLACE
04.09.1991
Beining R.
Heuberger F.
X1
X1
A5
+-
2
1
Ballast
circuit
A11
-W5
L4
L3
1
2
A10
A4
Servo controller
vertical axis
+-
9
8
12
5
4
6
-W4
L1
L2
-+
feed axis
Servo controller
A3
X1
X1
A9
1
2
6
5
4
21
13
14
-S1
X4 X3X5
Bypass end position,
vertical axis
Measurement socket, axis board
Axis board KSP-A360
A1
X1
X1
Power supply
servo
X7 X6
Motor
X8
Motor
Encoder,
X5 X4 X3
Encoder,
feed axis
vertical axis
Inputs
Axis board
1V1
2V1
3V1
4G1
5G1
6G1
1V2
2G2
3V3
1V4
2V4
3G4
4G4
CN5
CN6
CN4
2 2
1 1
A12
5 5
6 6
4 4
3 3
X7
X3
Input byte 2
Output byte
X14
V24 interface
X10
-W2 -W3
A7
SMP bus
Star point
1.5Ø
X2
X2 X1
X1
+/-15V
+5V, +24V
LWQ 130
Power supply unit
XA1
X2
X2
ws
wh
br
br
feed axis
vertical axis
bk 1.5Ø
bk 1.5Ø
bk 1.5Ø
bk 1.5Ø
M+
M-
M-
M+
X2 X3 X4
Input byte 1
X12 X13
Machine controller KSP-A18
X5
1 1
2 2
blrd
blbk
0.5Ø
A8
Conversion board.
axis board
X12
1
1
2
2
X11
1
1
2
2
X10
gr
pk
vi
bk
X9
X9
Fan
X8
X8
X6
X6
N
3
CN1
A6
Brake release
FG
1
L
5
X1
X6
X11
V24 interface
-
E1
+
Battery
A2
2.5Ø
0.75Ø
-15V
+15V
+5V
0V
X3
a25
b16
0.5Ø 0.75Ø
+5V
0V
0V
+15V
-15V
+24V
gr
bl
whbl
grbl
gr
gr
gr
bl
bl
bl
bl
whbl
grbl
blrd
blbk
grbl
whbl
bl
gr
Ground 5V
±15V, 24V
Rear panel
Power
supply
220/110V
X1
X2
X2
X2
2.5Ø
0.75Ø
13
14
-S2
X3X3
X32X31
bk bk
bl
bl
-15V
+15V
+5V
0V
bk
bl
1.5Ø
gnye
PE
N
L
1. 22.5.97 Heu
br
bl
X2
X1
AEM 5983
Side panel Front plate
0.75Ø
0.25Ø
0.25Ø
Name Norm
Beab.
Urspr./Ers.f./Ers.d.
Sh.
Sh.Stromlaufplan/Circuit diagramDatumAenderungZustand
Datum
Gepr.
1816151413121110987654321 17
CAD-Datei :
Mat.-Nr. :
SIEMENS
AUT 5

6 WPC 80F/3 150
00302852-030101LD3 Control of servo boards and brake
2
3
2
1
1
1
00302852-030101LD3
02.09.1992
Beining R.
Heuberger F.
00302852-030101LD3
Control of
servo boards and brake
Wafflepack Changer / Stick Carriage
SIPLACE
Enable servo controller
Enable servo controller
6
10
11
5
-X8 servo amplifier. axis 2. vertical axis
Servo. check back signal
1
2
4
3
-15V
+15V
+15V
-15V
3
4
2
1
-X6 Servo amplifier. axis 1. feed axis
6
Servo. check back signal
5
11
10
Enable servo controller
Enable servo controller
Analog ground
9
7
8
V nom
I nom
GND
13
GND
13
I nom
V nom
8
7
Analog ground
9
13
12
11
16
15
14
3
2
1
6
5
4
20
19
8
10
9
18
17
2.2K
R6
2.2K
R7
2.2K
R9
2.2K
R8
536 421912
-X2
10 7 8
-X5 axis board inputs-X12
3412
-X7
0.47µF
C3
65
0.47µF
C4
0.47µF
C5
-X9
1234
1
7
-K1
G
D
S
V1
BUZ10
R3
470
R1
51K
R2
250K
V2
1N4007
2
1
1
2
-X10
-X11
Brake
Brake
release
7
14
12
14
12
Bypass
limit switch
+24V
+5V
GND
Ground 24V
+24V
Ground 24V
Brake 24V
Ground 24V
+24V
+15V
-15V
Reference point. bero 1
Reference point. bero 2
Limit switch 2
Limit switch 1
Ground
Ground
+5V
GND
Enable servo controller 2
Enable servo controller 2
Enable servo controller 1
Enable servo controller 1
Check back signal. servo 1
Check back signal. servo 2
I nom
I nom
V nom
V nom
Analog ground
Analog ground
R4
220
13
6
-K1
L3
L2
L4
13.3.97
AEM 6161 Heu
-+
15µF
C2
-+
2.2µF
C1
Name Norm
Beab.
Urspr./Ers.f./Ers.d.
Sh.
Sh.Stromlaufplan/Circuit diagramDatumAenderungZustand
Datum
Gepr.
1816151413121110987654321 17
CAD-Datei :
Mat.-Nr. :
SIEMENS
AUT 5
21
12
12
1

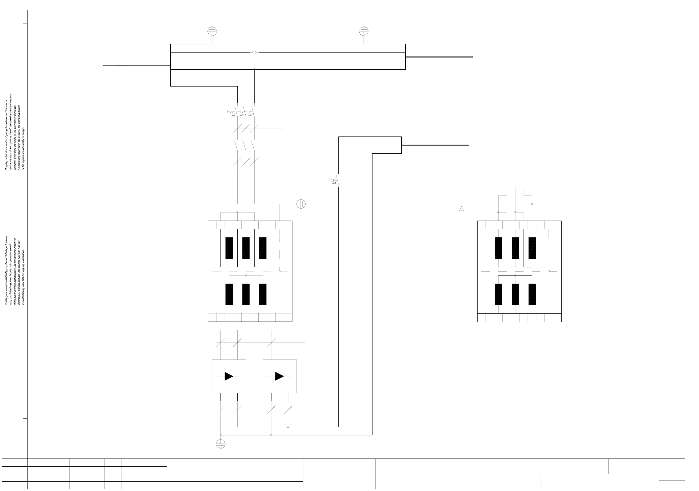
6 WPC 80F/3 151
00320064-030101LD3 Power supply (Sh. 1 of 4)
1
4
00320064-030101LD3
Transformer connection with option 3x230V
Waffle-Pack Wechsler 80F / 3
Aenderung
AM 6147
Zustand
1.
Datum
12.06.1997
1
CAD-Datei :
Urspr./Ers.f./Ers.d.NormName
Gepr.
Heu
Stromlaufplan/Circuit diagram
AUT 5
1.5Ø bl
Mat.-Nr. :
Heuberger F.
25.08.1992
Beab.
Datum
234
Ground line 1.5Ø gnye
5678
Power supply
SIEMENS
91011
SIPLACE
1312 14
-G1 -G2
-+ -+
AC
AC
AC
AC
2.5Ø rd
-T1
65 65 65
-T1
65 65
00320064-030101LD3
Sh.
Sh.
15 16 17 18
65
U2W1W2 V1V2 U1 PE
3x400V (Y)
W2 W1 V2 V1 U2
6A
-F2
1
3x230V
332313
1.5Ø bk
-K1
2414 34
642
4A
-F1
1.5Ø bk
315
2
bl
-Y243-W5
br
-Y241-W1
bk
br
bk
bl
gnye
-X1 N
i
br
bl
gnye
-Y203-W4
PEU1