F5HM Circuit Diagrams - 第50页
2 Circuit Diagr ams 50 001 17550-0 10201LD3 SIPLA CE F5 HM , basic mod ule (Sh. 4 of 6) C 8 00345179-xx 56 00329285-xx 00345483-xx 00329284-xx 00345486-xx 00329283-xx 00345482-xx 00326070-xx 00326069-xx 00318689-xx X34a …

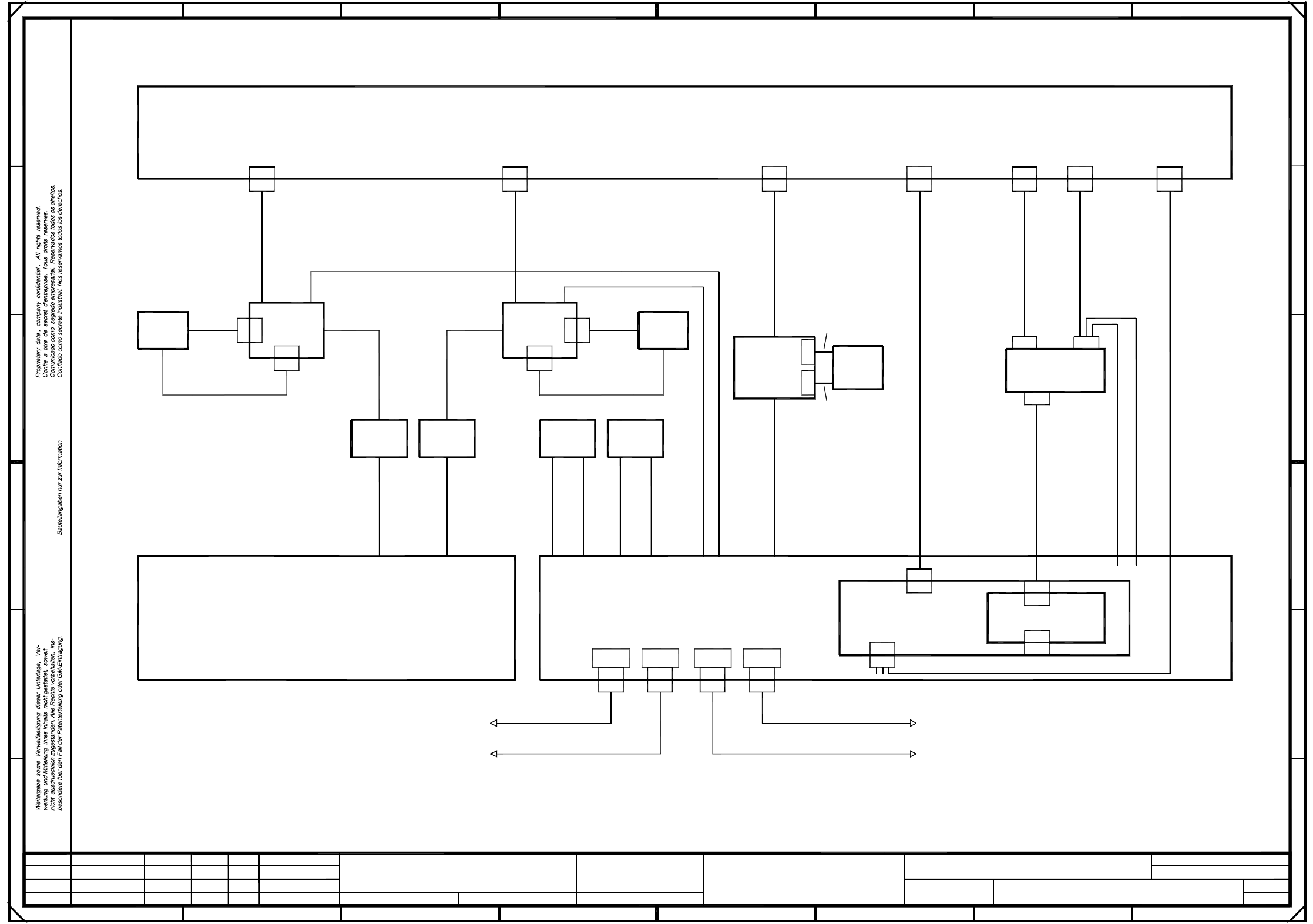
2 Circuit Diagrams 49
00117550-010201LD3 SIPLACE F5 HM, basic module (Sh. 3 of 6)
A
7
X6sd
X6sd
4
lefthand side
5
Signal
for
right WPC
Signal
X4??
1
00322112-xx
56
Interface
00344222-xx
00321529-xx
X36a
X36a
00321429-xx V24
X3sd
X3sd
34
00322071-xx
X7scX5sd
X5sd
X57b
CO vision module
00306223-xx
00345508-xx
00345509-xx (W1)
SMD Placement System SIPLACE F5-HM
Terminal strip, righthand side
Control
00313400-xx
X56b
Ctrl.panel 2
B
X1bu
Cable, CO module
00345510-xx
F
E
Ctrl.panel 1
"input"
00303636-xx
X7sc
X6sa
X6sa
C
B
00322105-xx
WPC-Siplace
00302826-xx
Power
00321528-xx
00313400-xx
Conveyor 1
C
succeeding station
00306380-xx
Signal
Tape cutter
X2kk
X3kh
00337690-xx
Left
interface
00322072-xx
CO table
00337690-xx
F
Right
interface
00322064-xx
X37b
X37b
Communications signals
X4kg
Ctrl. signals
D
Control signals
00303636-xx
Communications signals
00321433-xx
Emerg.stop loop
00321432-xx
X4ki
X4??
A6
00303636-xx
Communications signals
Conveyor 2
succeeding station
Conveyor 1
"output"
Power
00300379-xx
Power
00300380-xx
Signal
Left
CO table
preceding station
Conveyor 2
preceding station
X3kg
X4??
A4
X3ki
X3??
A6
Communications signals
00303636-xx
00321428-xx V24
00321436-xx
Control
Terminal strip,
00300379-xx
Tu.
Deu
01
02
01
Function status
Product status
Document status
21.04.99
18.10.99
21.04.99
18.10.99
Tuth
#
SIPLACE F5-HM basic module
00117550-010201LD3
00341698-xx
D
00322063-xx
678
1
E
A4
PL EA1 E5
6
3
Deu
00337342-xx
8
00345179-xx
Illumination control
00323147-xx
3
00323147-xx
F5 control unit
00345512-xx
X21
X21
X37a
X37a
X2sd
X2sd
00322108-xx V24
00322070-xx
X3kh
Emerg.stop loop
00321434-xx
Control signals
00344266-xx
X1kk
X6kh
2
00322069-xx
Tape cutter
00341698-xx
X36b
X36b
Right
X2kk
X1kh
2
00345509-xx (W2)
00345509-xx (W3)
X46X47
Ctrl. signals
X1kh
A
=
Datum
Gepr.
Norm
Bearb.
Sheet
Urspr. Ers. f. Ers. d.NameDatumAenderungZustand
SIEMENS AG
Sh.
+

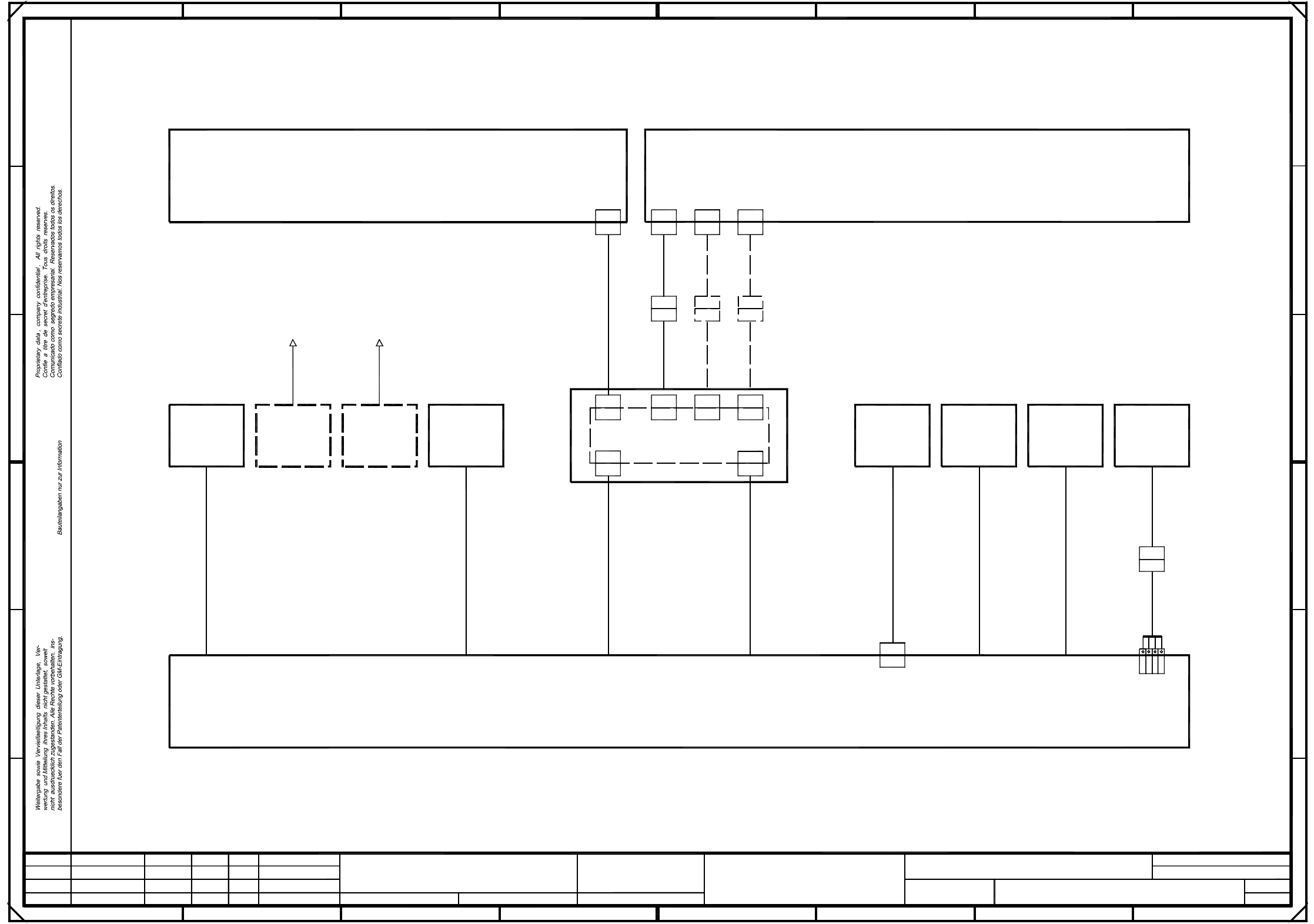
2 Circuit Diagrams 50
00117550-010201LD3 SIPLACE F5 HM, basic module (Sh. 4 of 6)
C
8
00345179-xx
56
00329285-xx 00345483-xx
00329284-xx 00345486-xx
00329283-xx 00345482-xx
00326070-xx00326069-xx
00318689-xx
X34a
X34a
GND X2kc -
br
X2kd
X2kd
Protection
2345678
1
E
F F
E
D
C
B
A
7
1
A
D
00303617-xx
00305818-xx
Terminal strip, lefthand side
00344266-xx
00321509-xx
Lamp
SMD Placement System SIPLACE F5-HM
(Option)
(Option)
PCB transport
B
F5 servo unit F5 control unit
00345821-xx
to succeeding
00321421-xx
station
Option:
Hood switch
input conv.
00303614-xx
00321579-xx
Main fault
indicator
X2sf
X2sf
X3’
X3’
X4’
X4’
X5’
X5’
X4sg
(hood switch
00321417-xx
Protection
(hood switch
00321416-xx
Pneumatic
00300912-xx
righthand sidelefthand side)
432
Druckluftsensor
To preceding
station
Conversion board
To succeeding
00321580-xx
station
00305815-xx
Hood switch
output conv.
wh
gn
ye
Lamp, right main fault indicator
Lamp, ready status
Lamp, left main fault indicator
X2kc 1
X1
X1
00321575-xx
00322356-xx
00321573-xx
00321574-xx
Spg/Signal
Spg/Signal
00325581-xx
X2kc 2
X2kc 3
X13
X13
X12
X12
X4
X4
X5
X5
X3
X3
X14
X14
Tu.
Deu
01
02
01
Function status
Product status
Document status
23.04.99
18.10.99
23.04.99
18.10.99
Tuth
#
SIPLACE F5-HM basic module
00117550-010201LD3
X4sg
X2sg
X2sg
hood switch
to preceding
00321421-xx
station
Option:
hood switch
PL EA1 E5
6
4
Deu
system
00326068-xx
=
Datum
Gepr.
Norm
Bearb.
Sheet
Urspr. Ers. f. Ers. d.NameDatumAenderungZustand
SIEMENS AG
Sh.
+

2 Circuit Diagrams 51
00117550-010201LD3 SIPLACE F5 HM, basic module (Sh. 5 of 6)
X46 X18 X20 X22 X16 X14 X50 X56X26 X28 X30 X32 X42 X44 X48
MMMMM
00326029-xx
X6 X7X1 X13
Conveyor control PCB 1
X46X26 X28 X30 X32
X1 X13
X14
X42 X44 X48 X18 X20 X22 X16 X14 X50 X56
X6 X7
00326027-xx
00326032-xx
00326031-xx
00326030-xx
00326033-xx
00326034-xx
00330944-xx
(Conveyor 1)Prox. switch,
adhesive wiper facility
(Conveyor 1)
(Conveyor 1)stopper
(Conveyor 1)
(Conveyor 1)
(Conveyor 1)
(Conveyor 1)
(Conveyor 1)
(Conveyor 1)
(Conveyor 1)
input conveyor
center conveyor
output conveyor
width adjustment
lifting table,
ceramic substrate centering
Motor,
Motor,
Motor,
Motor,
Motor,
Motor,
00326018-xx
00326019-xx
step motor, width narrower
Limit switch
Limit switch
(Conveyor 1)
(Conveyor 1)Light barrier, input conveyor
X52
X52
00330945-xx
(Conveyor 1)
Light barrier, center conveyor
X54
X54
00330946-xx
(Conveyor 1)Light barrier, output conveyor
Ceramic
substrate centering
00330950-xx
Special Bosch design (Conveyor 1)
Valve,
M
00326020-xx
00326021-xx
00326028-xx
ceramic substrate centering
=
Datum
Gepr.
Norm
Bearb.
Sheet
Urspr. Ers. f. Ers. d.NameDatumAenderungZustand
SIEMENS AG
Sh.
+
Prox. switch,
00326026-xx
Valve,
X40
X40
(Conveyor 1)
00326025-xx
stopper,Prox. switch,
X38
X38
00326024-xx
output conveyorSonar prox.switch,
(Conveyor 1)
X36
X36
00326023-xx
center conveyorSonar prox.switch,
(Conveyor 1)
X34
X34
00326022-xx
input conveyorSonar prox.switch, (Conveyor 1)
step motor, width wider
(Conveyor 1)
lifting table, bottom
(Conveyor 1)Prox. switch, lifting table, top
X24
X24
00326017-xx
(Conveyor 1)Prox. switch, lifting table, width
00326070-xx
X3
X3
00329283-xx
X3’
X4
X4
00329284-xx
X4’
X5
X5
00329285-xx
X5’
X12
Refer to
sheet 5
X12
00326069-xx
00326068-xx
00325581-xx
X2 X3
X2 X3
X4 X5
X4 X5
Half bridge
X1
00331297-xx
00326067-xx
X3 X4
X3 X4
X5
X5
Stroke/width 2
X2 X1
X8 X9
X8 X9
X3 X4
X3 X4
X5
X5
Stroke/width 1
X2
00326064-xx
00326061-xx
X1
X2
X2
00326063-xx
Step motor control
00327615-xx
X5d
X5d
Fan
X10
X10
00326065-xx
X11
X11
00326062-xx
5
6
SMD Placement System SIPLACE F5-HM
12345678
12345678
A
B
C
D
E
Deu
Tuth
Deu
01
01
Function status
Product status
Document status
21.04.99
18.10.99
21.04.99
18.10.99
Tuth
#
SIPLACE F5-HM basic module
00117550-010201LD3
FF
E
D
C
B
A
PL EA1 E5
01
02
PLEASE NOTE
This document will not
be replaced, when
modifications are made!