OM-1758-001w_GS-CV110 - 第30页
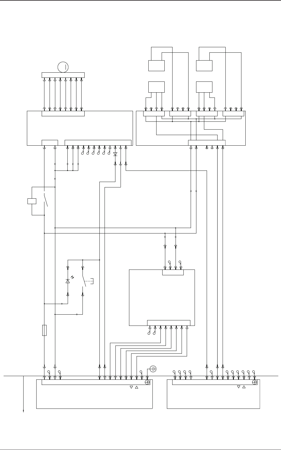
OM-1758 14 7. 电路图 再利用传送带马达电路 1 V 4 2 + V 4 2 + D N G 2 0 X D N G G F D N G . S D X T D X R e d i S e s a B r e d e e F 2 3 4 5 6 7 8 9 0 1 1 1 2 1 3 1 P O T S / T R A T S T E S E R - M R A L A 1 V 4 2 + V 4 2 + D N G 1 0…

OM-1758
13
6. 元件配置图
电器设备箱布局
-K80
-F060
A134
A131
U130
F10
1305-001
6. 元件配置图

OM-1758
14
7. 电路图
再利用传送带马达电路
1V42+
V42+
DNG
20X
DNG
GF
DNG.S
DXT
DXR
ediS esaB redeeF
2
3
4
5
6
7
8
9
01
11
21
31
POTS/TRATS
TESER-MRALA
1V42+
V42+
DNG
10X
DNG
GF
DNG.S
DXT
DXR
2
3
4
5
6
7
8
9
01
11
21
31
]B11/10/BF[
]C11/10/BF[
)A6.1(06F
37G42
10131X
131A
30131X
20131X
V42+
DNG
M
3NC
1NC
1
2
2NC
131M
3
DNG
TXE/RV.TNI
8
WCC/WC
9
1
MRALA
2
DEEPS
4
LRV
MRV
5
HRV
6
21
.C.N
7
TESER-MRALA
POTS/TRATS
11
01
KAERB/NUR
10X
20X
43
08K
08K
15
ydaeR noitacinummoC
KAERB/NUR
elbasiD
noitceteD lluF
elbasiD
TUO
R
T
TUO
T20B
R20B
1B031X
2B031X
4B031X
5B031X
031U
)72BU(
R
T
T10BR10B
2
3
6
5
4
3
2
1
4
3
2
1
4
3
2
1
4
3
2
1
4
10B
20B
40B
50B
-
LB
-
+
+
RB
--
+
+
LB
KB
RB
LB
RB
LB
KB
RB
noitceteD lluF
6NC
3
2
1
4
DXT
DNG
7
6
5
DXR
8
3
2
1
4
60431X
V42+
V42+
DNG
DNG
5NC
431A
50431X
PMA rotoM ovreS
47G42
101X
2:
1:
201311X
1:
2:
3:
201X
1:
202X
1:
2:
2:
1:
504311X
noitisoP egrahcsiD
noitceteD
1X
10031X
1
161H
ba
161S
1
2
3
4
5
6
7
8
1
2
3
4
5
6
7
8
1:
161X
2:
161X
4:
4
3
3:
2:
1:
G01
102X
27G42
Feeder Connection
Check
Ready Signal
Drawer Connctor
for Feeder
Drawer Connctor
for Feeder
Lane 1 Feeder Command [IN]
Connection Check Signal [OUT]
(For Communication Check)
Connection Check Signal [OUT]
Lane 2 Feeder Command [IN]
Ready Signal
[OUT]
Passing-through
Confimation
1305-001A(M806WRE--5001)
7. 电路图

OM-1758
151305-001